上海交通大学学报 ›› 2025, Vol. 59 ›› Issue (10): 1442-1450.doi: 10.16183/j.cnki.jsjtu.2023.581
李仪博1, 周前2, 朱丹丹2(
), 姜亚峰1, 吴秋伟3, 陈健1
收稿日期:2023-11-17
修回日期:2024-02-03
接受日期:2024-02-19
出版日期:2025-10-28
发布日期:2025-10-24
通讯作者:
朱丹丹,高级工程师,电话(Tel.):025-68686694;E-mail:zdd_life@126.com.
作者简介:李仪博(2000—),硕士生,从事海上低频风电研究.
基金资助:
LI Yibo1, ZHOU Qian2, ZHU Dandan2(
), JIANG Yafeng1, WU Qiuwei3, CHEN Jian1
Received:2023-11-17
Revised:2024-02-03
Accepted:2024-02-19
Online:2025-10-28
Published:2025-10-24
摘要:
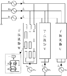
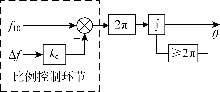
在低频交流输电系统中,海上风电场和陆上交流系统之间因频率解耦和信号传输延迟,导致海上风电场无法及时响应陆上电网频率变化.为此,结合系统惯量分析,提出一种提升海上风电场主动频率支撑能力的控制策略.在频率信号传递方面,基于模块化多电平矩阵变换器(M3C)低频侧构网V/f控制策略,结合系统惯量设计附加频率下垂控制器,建立M3C网侧与低频侧的频率耦合关系,从而实现两侧频率信息的实时传递.在频率支撑方面,当系统发生扰动产生频率偏差时,海上风电机组通过附加下垂控制可调整功率指令值,进而为系统提供频率支撑.最后,在MATLAB/Simulink平台中,通过负荷变化和三相交流短路故障的仿真,验证了所提协同控制策略的有效性.
中图分类号:
李仪博, 周前, 朱丹丹, 姜亚峰, 吴秋伟, 陈健. 提高海上风电场主动频率支撑能力的控制策略[J]. 上海交通大学学报, 2025, 59(10): 1442-1450.
LI Yibo, ZHOU Qian, ZHU Dandan, JIANG Yafeng, WU Qiuwei, CHEN Jian. Control Strategy for Improving Active Frequency Support Capability of Offshore Wind Farm[J]. Journal of Shanghai Jiao Tong University, 2025, 59(10): 1442-1450.
| [1] | 汤广福, 贺之渊, 庞辉. 柔性直流输电工程技术研究、应用及发展[J]. 电力系统自动化, 2013, 37(15): 3-14. |
| TANG Guangfu, HE Zhiyuan, PANG Hui. Research, application and development of VSC-HVDC engineering technology[J]. Automation of Electric Power Systems, 2013, 37(15): 3-14. | |
| [2] | 王锡凡, 卫晓辉, 宁联辉, 等. 海上风电并网与输送方案比较[J]. 中国电机工程学报, 2014, 34(31): 5459-5466. |
| WANG Xifan, WEI Xiaohui, NING Lianhui, et al. Integration techniques and transmission schemes for off-shore wind farms[J]. Proceedings of the CSEE, 2014, 34(31): 5459-5466. | |
| [3] | 李峰, 王广柱. 模块化多电平矩阵变换器电容电压纹波稳态分析[J]. 中国电机工程学报, 2013, 33(24): 52-58. |
| LI Feng, WANG Guangzhu. Steady-state analysis of sub-modular capacitor voltage ripple in modular multilevel matrix converters[J]. Proceedings of the CSEE, 2013, 33(24): 52-58. | |
| [4] | LIU S Q, ZHAO B Y, WANG G, et al. An improved phasor method for modelling and analysis of modular multilevel matrix converter[J]. IEEE Transactions on Power Delivery, 2021, 36(3): 1744-1755. |
| [5] | OATES C. A methodology for developing ‘Chainlink’ converters[C]// 2009 13th European Conference on Power Electronics and Applications. Barcelona, Spain: IEEE, 2009: 1-10. |
| [6] | KAMMERER F, KOLB J, BRAUN M. A novel cascaded vector control scheme for the modular multilevel matrix converter[C]// IECON 2011-37th Annual Conference of the IEEE Industrial Electronics Society. Melbourne, Australia: IEEE, 2011: 1097-1102. |
| [7] | KAMMERER F, KOLB J, BRAUN M. Fully decoupled current control and energy balancing of the modular multilevel matrix converter[C]// 2012 15th International Power Electronics and Motion Control Conference. Novi Sad, Serbia: IEEE, 2012: LS2a.3-1-LS2a. 3-8. |
| [8] | 吴小丹. 面向低频海上风电送出的模块化多电平矩阵变换器输入输出侧解耦控制[J]. 电网技术, 2022, 46(8): 2909-2923. |
| WU Xiaodan. Input/output side decoupling control of modular multilevel matrix converter for low-frequency offshore wind power transmission[J]. Power System Technology, 2022, 46(8): 2909-2923. | |
| [9] | LIU S Q, WANG X F, MENG Y Q, et al. A decoupled control strategy of modular multilevel matrix converter for fractional frequency transmission system[J]. IEEE Transactions on Power Delivery, 2017, 32(4): 2111-2121. |
| [10] | 孙玉巍, 常静恬, 付超, 等. 分频输电系统模块化多电平矩阵变换器谐波特性分析[J]. 电力工程技术, 2022, 41(5): 21-30. |
| SUN Yuwei, CHANG Jingtian, FU Chao, et al. Harmonic characteristics analysis of modular multilevel matrix converter for fractional frequency transmission system[J]. Electric Power Engineering Technology, 2022, 41(5): 21-30. | |
| [11] | 马睿聪, 刘福锁, 曹永吉, 等. 电力系统频率动态与功角振荡的耦合特性分析[J]. 电力工程技术, 2023, 42(4): 102-112. |
| MA Ruicong, LIU Fusuo, CAO Yongji, et al. Coupling characteristic analysis of power system frequency dynamic and power angle oscillation[J]. Electric Power Engineering Technology, 2023, 42(4): 102-112. | |
| [12] | LIU H Z, CHEN Z. Contribution of VSC-HVDC to frequency regulation of power systems with offshore wind generation[J]. IEEE Transactions on Energy Conversion, 2015, 30(3): 918-926. |
| [13] | 李宇骏, 杨勇, 李颖毅, 等. 提高电力系统惯性水平的风电场和VSC-HVDC协同控制策略[J]. 中国电机工程学报, 2014, 34(34): 6021-6031. |
| LI Yujun, YANG Yong, LI Yingyi, et al. Coordinated control of wind farms and VSC-HVDC to improve inertia level of power system[J]. Proceedings of the CSEE, 2014, 34(34): 6021-6031. | |
| [14] | 江守其, 徐亚男, 李国庆, 等. 提升海上风电经柔直联网系统频率稳定性的协调控制策略[J]. 电力自动化设备, 2023, 43(9): 194-201. |
| JIANG Shouqi, XU Yanan, LI Guoqing, et al. Coordinated control strategy for improving frequency stability of MMC-HVDC connecting offshore wind power[J]. Electric Power Automation Equipment, 2023, 43(9): 194-201. | |
| [15] | 徐政, 张哲任. 低频输电技术原理之一: M-3C的数学模型与等效电路[J]. 浙江电力, 2021, 40(10): 13-21. |
| XU Zheng, ZHANG Zheren. Principles of low frequency power transmission technology: Part 1-mathematical model and equivalent circuit of M3C[J]. Zhejiang Electric Power, 2021, 40(10): 13-21. | |
| [16] | 年珩, 金萧, 李光辉. 特高压直流换相失败对送端电网风机暂态无功特性的影响分析[J]. 中国电机工程学报, 2020, 40(13): 4111-4122. |
| NIAN Heng, JIN Xiao, LI Guanghui. Influence of UHV DC commutation failure on the transient reactive power characteristics of wind turbines in sending terminal grid[J]. Proceedings of the CSEE, 2020, 40(13): 4111-4122. | |
| [17] | 秦世耀. 风电机组惯量及一次调频优化控制研究[D]. 南京: 东南大学, 2021. |
| QIN Shiyao. Research on optimal control strategy of inertia and primary frequency regulation for wind turbines[D]. Nanjing: Southeast University, 2021. | |
| [18] |
周涛, 黄菊, 韩汝帅, 等. 综合惯性控制下风机惯性支撑能力分析及等效惯量评估[J]. 上海交通大学学报, 2024, 58(12): 1915-1924.
doi: 10.16183/j.cnki.jsjtu.2023.161 |
| ZHOU Tao, HUANG Ju, HAN Rushuai, et al. Analysis of inertial support capacity and equivalent inertia evaluation of wind turbine under comprehensive inertial control[J]. Journal of Shanghai Jiao Tong University, 2024, 58(12): 1915-1924. | |
| [19] | AIK D L H. A general-order system frequency response model incorporating load shedding: Analytic modeling and applications[J]. IEEE Transactions on Power Systems, 2006, 21(2): 709-717. |
| [1] | 刘雁行, 乔如妤, 梁楠, 陈宇, 于凯, 吴汉霄. 基于负荷准线和深度强化学习的含电动汽车集群系统新能源消纳策略[J]. 上海交通大学学报, 2025, 59(10): 1464-1475. |
| [2] | 孙毅, 刘壮, 黄婷, 彭杰, 王晓甜, 刘创. 考虑产消用户不确定性的售电公司购售电决策[J]. 上海交通大学学报, 2025, 59(10): 1476-1486. |
| [3] | 成明洋, 邢海军, 米阳, 张沈习, 田书欣, 沈杰. 考虑风光储场站参与灵活爬坡的两阶段市场联合出清[J]. 上海交通大学学报, 2025, 59(10): 1451-1463. |
| [4] | 陈锦铭, 蒋玮, 王志伟, 朱振汉, 陈烨, 赵彦超. 基于生成对抗网络的中压配网供电单元自动成图方法[J]. 上海交通大学学报, 2025, 59(10): 1431-1441. |
| [5] | 彭楚轩, 边晓燕, 金海翔, 林顺富, 徐波, 赵健. 基于多能灵活性约束的含富氧燃烧机组综合能源系统两阶段优化调度[J]. 上海交通大学学报, 2025, 59(9): 1281-1291. |
| [6] | 郑雨翕, 曾龙, 刘健哲, 崔一阳, 朱红, 曹亮, 苏运, 韦磊. 大规模电网机组组合中线路传输约束有效性规律及相似性挖掘方法[J]. 上海交通大学学报, 2025, 59(9): 1260-1269. |
| [7] | 杨银国, 冯胤颖, 魏韡, 谢平平, 陈玥. 基于可消纳区间的风-火-储大基地日前-实时协同调度[J]. 上海交通大学学报, 2025, 59(9): 1270-1280. |
| [8] | 刘永江, 郭杉, 贾俊青, 刘小恺, 蔡文超, 曾龙. 多种充电模式协同的规模化电动汽车分层充电方法[J]. 上海交通大学学报, 2025, 59(9): 1304-1314. |
| [9] | 邓倩文, 李奇, 邱宜彬, 李豆萌, 霍莎莎, 陈维荣. 考虑多灵活性资源联合运行的综合能源系统优化配置方法[J]. 上海交通大学学报, 2025, 59(7): 912-922. |
| [10] | 胡龙, 方八零, 樊飞龙, 陈达伟, 李新喜, 曾润. 用户-基站-充电站能量互动和储能共享优化方法[J]. 上海交通大学学报, 2025, 59(7): 877-888. |
| [11] | 夏金磊, 唐翊杰, 王玲玲, 蒋传文, 顾玖. 考虑灵活调节能力的梯级水风光蓄互补系统日前优化运行策略[J]. 上海交通大学学报, 2025, 59(7): 889-900. |
| [12] | 徐寒, 朱三立, 张腾飞, 陈舒, 刘明祥. 低压配电系统剩余电流保护与重合闸逻辑组合优化方法[J]. 上海交通大学学报, 2025, 59(7): 901-911. |
| [13] | 崔一阳, 潘斗南, 黎灿兵, 刘健哲. 大规模电网机组组合状态迭代路径搜索优化方法[J]. 上海交通大学学报, 2025, 59(6): 711-719. |
| [14] | 陈实, 杨林森, 刘艺洪, 罗欢, 臧天磊, 周步祥. 小样本数据驱动模式下的新建微电网优化调度策略[J]. 上海交通大学学报, 2025, 59(6): 732-745. |
| [15] | 张理, 王宝, 贾健雄, 宋竹萌, 叶钰童, 余跃, 林嘉庆, 徐潇源. 微电网功率预测与调度端到端协同优化方法[J]. 上海交通大学学报, 2025, 59(6): 720-731. |
| 阅读次数 | ||||||
|
全文 |
|
|||||
|
摘要 |
|
|||||