综合能源系统(integrated energy system, IES)作为实现多种能源互联、供给、运输和利用的核心承载形式,有助于克服能源隔离限制,提升能源供应灵活性.此外,综合能源系统通过分散能源资源和供应链配置,可以有效降低单一能源供应的固有风险,进而减轻能源市场的波动性,为能源行业的可持续发展提供有力支持.若对综合能源系统在蓄意物理攻击和自然破坏下的防范策略制定不善,可能会引发安全事故[1 -2 ] ,甚至导致大规模能源供应链断裂[3 ] .确保综合能源系统的安全性,尤其是在能源生产、输送、储存和使用等各环节中保障脆弱部分的安全运行,对于降低能源供应中断风险,减少能源供应不稳定性所带来的社会经济损失以及确保国家能够持续供应关键能源,都具有重要意义.通过采取相应的物理防护手段对综合能源系统中的脆弱环节进行防护,可以提升蓄意攻击和自然破坏下系统的持续供能能力[4 -5 ] .因此,在综合能源系统规划中对这些脆弱环节进行针对性防护,不仅关乎系统的稳定可靠运行,还能在面对恶意攻击与自然破坏时保障系统能源的持续供应.
针对综合能源系统进行合理的防护是一个复杂且具有挑战性的问题.目前关于能源系统防护的研究主要集中在电力系统领域[6 -8] ,涵盖了防护手段和脆弱环节的辨识.常见防护手段包括保护关键环节[9 -10 ] 、增设备用节点[11 ] 、新建网间线路[7 ,12 ] 以及制定故障恢复策略[13 ] 等.此外,文献[14 ]中基于复杂网络理论将多种防护手段相结合,提出分段式电力系统防护策略.然而,以上关于防护手段的研究仍聚焦在电力系统领域,而在综合能源防护领域的相关研究相对较少.综合能源系统包含多个供能子系统,其运行机制和关键环节与单一的电力系统存在差异,因此无法直接将上述电力系统防护手段直接迁移到综合能源系统中.此外,文献[15 ]中虽然构建了一个面向综合智慧能源系统的安全防护架构,但该架构主要侧重于通信网络安全方面的防护措施,未充分涵盖物理安全方面的防护措施,并且仅从通信网络、安全区域边界、安全计算环境和安全管理中心等方面对该构架采取符合程度的评估,缺乏通过破坏仿真实验来验证架构可靠性的方法.
在电力系统中,脆弱环节包含对系统稳定运行至关重要且易受损的组件,例如关键发电厂、输电线路和变压器等.这些组件在面临恶意攻击或自然破坏时可能发生故障,从而导致电力供应中断或电网不稳定.相比之下,综合能源系统涵盖多种能源类型,其脆弱环节不仅包括各种单一能源的关键易损组件,还包括系统中的能源转换站等耦合设备,这些耦合设备的受损同样会导致多个能源供应链的中断或系统不稳定.目前,已有研究基于复杂网络理论对电力系统和综合能源系统的脆弱环节进行辨识[16 -19] .文献[20 ]中详细分析和归纳了国内外关于电力系统脆弱性的研究方法,重点探讨电网拓扑模型的改进和脆弱性指标的建立两个方面,并指出各种改进模型和评估指标的优缺点.文献[21 ] 中提出一种基于复杂网络理论的大型电力系统脆弱性评估算法,并在中国某一区域电网上实际应用,该算法成功辨识了电网的脆弱环节,并详细分析了电网在不同攻击模式下的抗毁性.对于综合能源系统,文献[22 -23 ]中从网络规模、拓扑结构和故障研究机制等角度进行分析,发现综合能源系统具有典型的复杂网络特征,可以运用复杂网络方法来分析其脆弱性.在挪威某个热电耦合系统的研究中,研究者模拟3个及以下元件失效后的级联故障过程,证实可以通过提前保护关键元件避免严重后果[24 -25 ] .此外,文献[23 ,26 ]中验证了电-热-气耦合的综合能源系统具有无标度特性和小世界特性,并比较攻击介数高的节点、攻击度数高的节点、攻击重要度高的节点以及攻击线路这4种基于复杂网络理论的攻击策略对系统的破坏程度,发现耦合设备及其邻居节点的重要性更高.还有研究[25 ,27 ] 分析综合能源系统破碎后孤岛运行的可能性,考虑供能子系统的分区特性和网络节点异质性,精确评估各环节故障对系统的影响,并以此为依据进行脆弱环节辨识.虽然上述工作已经在综合能源系统的脆弱环节辨识方面进行了深入研究,但目前在该领域中鲜有文献涉及脆弱环节防护策略的优化.尽管文献[4 ]中提出一种针对综合能源系统脆弱环节时空分布的短期预测方法,能够预测随着整个系统风险变化所需检查和维护的组件位置,但仍未具体说明检查和维护所采用的方法.
综上所述,当前的能源系统防护研究主要集中于电力系统领域,而在综合能源系统领域的研究仍然局限于具体防护手段的讨论,缺乏基于复杂网络理论对综合能源脆弱环节防护策略优化的研究.为此,提出一种基于带权重介数的综合能源系统脆弱环节防护优化模型,旨在提升系统在蓄意物理攻击和自然破坏情况下的持续供能能力.此外,所提综合能源系统脆弱环节防护优化模型在求解方面具有两个非线性特性:一方面,在综合能源系统中增加新建线路后,整个系统的带权重介数更新呈现出非线性特性;另一方面,模型的目标函数涉及不同类型决策,包括备份手段(0-1变量)和防护手段(0~1变量),这两种不同类型的决策变量相乘导致了模型的非线性.为了保证求解所使用的算法在时间复杂度和空间复杂度方面都实现更小开销,首先根据防护手段类型将模型转化为上下两层,上层为新建线路,下层为增加备份节点和备份线路、建立节点和线路的物理防护;然后,局部线性化模型下层的目标函数,将其转化为混合整数线性规划问题;最后,将上层模型生成的新建线路编号传递至模型下层,下层模型采用CPLEX求解器求解精确的备份节点和备份线路、节点和线路接受物理防护的程度后将完整的防护策略返回至模型上层进行遗传算法的二次优化,最终滚动优化生成最优防护策略.
本文的创新点主要包括:首先,提出一种基于带权重介数的综合能源系统脆弱环节防护优化模型.该模型以最小化系统受攻击和破坏后所损失的带权重介数为目标,将是否增加备用节点、是否增加备用线路、节点接受物理防护的程度、线路接受物理防护的程度以及系统是否添加新建线路作为决策变量,并在满足防护预算、防护需求、新建线路类型和数量等约束条件下,生成防护预算内的最优防护策略.其次,设计了一种模型求解方法,将模型转化为上下双层结构,局部线性化下层模型的目标函数,并提出“遗传-混合整数线性规划(mixed integer linear programming,MILP)”算法,解决模型中存在的非线性问题,实现模型的精确快速求解.
1 综合能源系统模型简化与系统脆弱性度量方法
1.1 综合能源系统拓扑简化方法
为更准确地从拓扑结构和能量传输的角度识别综合能源系统中存在脆弱性的系统环节,需要简化各个能源系统之间的连接方式和系统内的组织形式,以便观察系统内的能量流动和整体系统结构.参考电力系统的拓扑简化方法[14 ,28 ] ,将综合能源系统的拓扑简化原则定义如下:
(1) 将发电机、热源、气源、储气罐、负荷、能源集线器各元器件、变电站等中间设备简化为节点,网络中所有节点分为3种类型,即供能节点(包括发电机、热源、气源、储气罐)、负荷节点和中间节点.
(2) 假设输电线路的各特性参数一致,各天然气及供回水管道的管径、粗糙率等参数一致,将输电线、输气管道、热网供回水管道等支路简化成无权无向边.
(3) 由于供水或回水管道其一发生故障,都将导致供回水线路失效,所以供回水管道简化成一条边.
(4) 供能设备的权重Wi 为在当前运行方式下输出的功率,即发电机取有功功率.
基于以上原则,可将综合能源系统简化成一个无权无向图G =(V ,E ),其中V ={供能节点,中间节点,负荷节点}是网络的节点集合,E ={eij }是网络的边集合;A ={aij }是网络的邻接矩阵,且aij =1⇔eij =(i ,j )∈E ,否则aij =0.
1.2 基于介数中心性的脆弱性度量方法
对综合能源系统中的脆弱环节进行有效防护,首要任务是对系统内各类节点和传输线路进行脆弱性评估.引入设备的供能出力作为权重因子改进介数中心性,从而得到带权重的节点和线路介数,并将其作为综合能源系统中所有节点和线路脆弱性的统一度量标准.通过计算系统中各节点和线路的带权重介数,能够更准确地评估不同环节在拓扑结构和能量传输方面的脆弱性.此时,系统中具有高带权重节点介数和高带权重线路介数的节点及线路将被确定为综合能源系统中真正关键且脆弱的组成部分.
带权重的线路介数:若边m 处于供能节点q 到负荷节点n 的最短路径上,则边m 需承担供能节点q 造成的负载,大小为供能出力Wq ,此时边m 的带权重线路介数t l, m 为综合能源系统中所有供能节点到负荷节点的最短路径经过而承受的负载和,即
(1) $ t_{1, m}=\sum_{q \in S_{m}} W_{q}$
式中:Sm 为到负荷的最短路径经过第m 条边的发电机序号的集合.
带权重的节点介数:节点连接的所有线路的带权重线路介数之和,即
(2) $ t_{\mathrm{n}, i}=\sum_{m \in S_{i}} t_{1, m}$
式中:t n, i 为节点i 的带权重节点介数;Si 为与节点i 相连的所有线路的集合.
2 基于带权重介数的综合能源系统脆弱环节防护优化模型
2.1 模型设计思路
本研究的主要目标是对综合能源系统的脆弱环节采取最优防护策略.近年来频发的大规模停电事件已经凸显了供能系统的脆弱性和加强防护的紧迫性.在实际防护过程中,不应仅仅局限于对关键节点和线路提供单一的物理防护,还需要在有限的防护预算下,采取多种防护手段以提升系统的鲁棒性.
因此,所提综合能源系统脆弱环节防护优化模型以带权重的节点和线路介数作为衡量系统脆弱性的指标,通过分析系统受攻击和破坏后损失的带权重介数来反映系统的持续供能能力.该模型将节点和线路接受物理防护的程度、是否加备用节点和线路、是否添加指定序号的待选线路作为决策变量,在满足防护需求、防护预算限制、新建线路类型和数量限制的基础上,寻找最优防护策略.
在该模型中,节点和线路接受防护的方式有两种:物理防护、增设备用站和备份线路防护.物理防护通过加强安保力度、提高设备防护等级、进行安全检修等手段来减少节点和线路被成功攻击和破坏的可能性.增设备用站和备份线路确保即使节点和线路受到攻击和破坏,也能正常供应能量,即增设备用的节点和线路在遭受攻击和破坏后损失的带权重介数为0.此外,模型还考虑增加网间冗余以改善系统的结构脆弱性.引入防护策略后,系统受到攻击和破坏后所损失的带权重介数越小,意味着系统的鲁棒性越强,这正是防护的核心目标.同时,模型还充分考虑了防护成本和系统过度冗余的问题,在满足成本约束的前提下对防护对象的数量和各种防护手段的使用采取进一步限制.图1 展示了综合能源系统脆弱环节防护模型的具体设计思路.
图1
图1
综合能源系统脆弱环节防护模型设计示意图
Fig.1
Schematic diagram of optimization model for safeguarding vulnerable components in integrated energy systems
2.2 决策变量
在综合能源系统脆弱环节防护优化模型中有3种类型的决策变量,分别是备份防护类型、物理防护类型和新建线路类型,以下对这3类决策变量进行详细说明.
(1) 备份防护类型.该类型防护变量包含是否增加备用站和是否增加备用线路.其中,是否增加备用站(0-1变量)用于判断是否在系统中的特定设备附近增设与原设备相同的备用站点.当特定设备受到攻击和破坏时,备用站将接管原设备的能源供应,并将特定设备所损失的带权重介数记为0.是否增加备用线路(0-1变量)用于判断是否在系统中的特定线路附近增设与原线路相同的备用线路.当特定线路受到攻击和破坏时,备用线路将接管原线路的能源供应,并将特定线路所损失的带权重介数记为0.
(2) 物理防护类型.该类型防护变量包含节点接受物理防护程度和线路接受物理防护程度.其中,节点接受物理防护程度(0~1变量)表示对系统中特定设备采取物理防护措施的程度,取值为0表示无物理防护,取值为1表示设备采取了最大程度的物理防护.该变量值越高代表设备接受物理防护的程度越高,此时设备遭受攻击和破坏所损失的带权重介数越低.线路接受物理防护程度(0~1变量)表示对系统中特定线路采取物理防护措施的程度,取值为0表示无物理防护,取值为1表示设备采取了最大程度的物理防护.该变量值越高代表线路接受物理防护的程度越高,此时线路遭受攻击和破坏所损失的带权重介数越低.
(3) 新建线路类型.该类型防护变量包含:是否选添电网待选线路、是否选添天然气网待选线路和是否选添热网待选线路.其中,是否选添电网待选线路(0-1变量)用于判断是否在电网中引入待选新建线路,取值为0表示不引入,取值为1表示引入.该变量可以根据系统防护需求来决定是否增加额外的电力传输线路,以提高系统的电能供应可靠性.是否选添天然气网待选线路(0-1变量)用于判断是否在天然气网中引入待选新建线路,取值为0表示不引入,取值为1表示引入.该变量可以根据系统防护需求来决定是否增加额外的天然气传输线路,以提高系统的鲁棒性.是否选添热网待选线路(0-1变量)用于判断是否在热网中引入待选新建线路,取值为0表示不引入,取值为1表示引入.该变量可以根据系统防护需求来决定是否增加额外的热能传输线路,以提高系统的供热可用性.
2.3 目标函数
综合能源系统防护优化目标函数为最小化系统遭受攻击和破坏后损失的带权重介数,包含节点和线路两部分,即
(3) $ \min L=\min \left(L_{\mathrm{n}}+L_{1}\right)$
式中:L 为系统遭受攻击和破坏后损失的带权重介数;L n 为系统遭受攻击和破坏后节点损失的带权重介数;L l 为系统遭受攻击和破坏后线路损失的带权重介数.
系统遭受攻击和破坏后节点损失的带权重介数计算公式如下:
(4) $ L_{\mathrm{n}}=\sum_{0<i<I_{\mathrm{n}}} P_{\mathrm{at}-\mathrm{n}, i} P_{\mathrm{at} \leqslant-\mathrm{n}, i}\left(1-p_{\mathrm{n}, i}\right)\left(1-f_{\mathrm{n}, i}\right) t_{\mathrm{n}, i}$
式中:I n 为节点总数;P at-n, i 为第i 个节点被攻击和破坏的概率;P ats-n, i 为第i 个节点被成功攻击和破坏的概率;p n, i 为决策变量,表示第i 个节点添加物理防护的程度,0表示不防护,1表示防护到最大程度;f n, i 为决策变量,表示第i 个节点是否加备用站,如果添加为1,反之为0.
系统遭受攻击和破坏后线路损失的带权重介数计算公式如下:
(5) $ L_{1}=\sum_{0<k \leqslant l_{1}} P_{\mathrm{at}-1, k} P_{\mathrm{at}-1, k}\left(1-p_{1, k}\right)\left(1-f_{1, k}\right) t_{1, k}$
式中:I l 为线路总数;P at-l, k 为第k 条线路被攻击和破坏的概率;P ats-l, k 表示第k 条线路被成功攻击和破坏的概率;p l, k 为决策变量,表示第k 条线路添加物理防护的程度,0表示不防护,1表示防护到最大程度;f l, k 为决策变量,表示第k 条线路是否加备用站,如果添加为1,反之为0;t l, k 为第k 条线路具有的带权重介数.
2.4 约束条件
2.4.1 防护预算约束
在综合能源系统的防护过程中,因为增加线路、物理防护或备用防护都会涉及不同的经济投入,所以需要考虑不同防护策略的成本. 防护策略的选择需要在满足成本约束的前提下实现,即需要控制总成本不超过预算,成本约束需满足:
(6) $ C_{\mathrm{bp}}+C_{\mathrm{phy}}+C_{\mathrm{adl}} \leqslant B$
式中:C bp 为建立备用站和备用线路所用的成本;C phy 为增加物理防护所用的成本;C adl 为系统新建线路所用的成本;B 为预算.
(7) $ C_{\mathrm{bp}}=\sum_{0<i<I_{\mathrm{n}}} c_{\mathrm{coe}-\mathrm{n}, i} f_{\mathrm{n}, i}+\sum_{0<k<I_{1}} c_{\mathrm{coe}-1, k} f_{1, k}$
式中:c coe-n, i 为建立节点i 的备用站的成本;c coe-l, k 为建立线路k 的备用线路的成本.当节点和线路的带权重介数越高时,则认定明节点和线路在系统中越关键,此时建立该节点和线路的备用节点和线路的成本就越高.
(8) $ \begin{aligned} C_{\mathrm{phy}}= & \sum_{0<i<I_{\mathrm{n}}}\left(1+p_{\mathrm{n}, i}\right) p_{\mathrm{n}, i} c_{\mathrm{pco-n}, i}+ \\ & \sum_{0<k<I_{1}}\left(1+p_{1, k}\right) p_{1, k} c_{\mathrm{pco-}-1, k} \end{aligned}$
式中:c pco-n, i 为建立节点物理防护的成本系数;c pco-l, k 为线路物理防护的成本系数.当节点和线路的物理防护程度越高,继续增加物理防护的难度就越大,防护成本就越高.
(9) $ \begin{aligned} C_{\mathrm{ndl}}= & \sum_{0<j_{1}<\Omega_{\mathrm{e}}} c_{\mathrm{adl}-\mathrm{e}, j_{1}} f_{\mathrm{e}, j_{1}}+\sum_{0<j_{2}<\Omega_{\mathrm{g}}} c_{\mathrm{adl}-\mathrm{k}, j_{2}} f_{\mathrm{g}, j_{2}}+ \\ & \sum_{0<j_{3}<\Omega_{\mathrm{h}}} c_{\mathrm{adl}-\mathrm{h}, j_{3}} f_{\mathrm{h}, j_{3}} \end{aligned}$
式中:Ω e 为电网待选添加线路集合;Ω g 为气网待选添加线路集合;Ω h 为热网待选添加线路集合;c a d l - e , j 1 为增加电网输电线路的成本系数;c a d l - g , j 2 为增加天然气网天然气管道的成本系数;c a d l - h , j 3 为增加热网供回水管道的成本系数;f e , j 1 为决策变量,表示是否添加第j 1 条电网(e)待选线路,如果添加为1,反之为0;f g , j 2 为决策变量,表示是否添加第j 2 条天然气网(g)待选线路,如果添加为1,反之为0;f h , j 3 为决策变量,表示是否添加第j 3 条热网(h)待选线路,如果添加为1,反之为0.
2.4.2 防护需求约束
增加备用站和线路后的节点和线路即使被成功攻击和破坏,也不会对系统造成带权重介数的损失,或者影响系统的正常运行. 因此,本文强调同一节点和线路既增加备用防护又采取物理防护属于过度防护,这种做法不仅浪费防护资源,还会导致不必要的冗余. 杜绝方式如下:
(10) $ f_{\mathrm{n}, i}+p_{\mathrm{n}, i} \leqslant 1, \quad \forall i$
(11) $ f_{1, k}+p_{1, k} \leqslant 1, \quad \forall k$
这类约束确保了在同一节点和线路上不同时增加备用防护和物理防护,从而避免过度防护,提高资源的有效利用和决策的合理性.这类约束有助于在防护设计中权衡不同类型的防护,以实现经济性和可靠性的最佳平衡.
2.4.3 新建线路类型约束
由于能量的转化必须经过耦合设备,所以本文所指的新建线路是针对各个子网内部的增加线路,不考虑跨子网的新建线路在待选线路中.在综合能源系统中,各个子网相互依赖,因此只将新建线路增加在一个子网中虽然可以提升该子网的鲁棒性,但其他子网仍然脆弱,容易受到攻击和破坏.在这种情况下,其他子网受攻击和破坏后,满足负荷需求的能力并未提高,整体系统的鲁棒性仍有待改善.因此,为了改善整体系统的结构脆弱性,必须同时增强多个子网受攻击和破坏后满足负荷需求的能力.这意味着在决策中需要考虑各个子网之间的互联和协同,以实现系统整体的鲁棒性提升,如下:
(12) $ \begin{array}{l} \sum_{0<j \leqslant \Omega_{v}} f_{v, j}-\sum_{0<j \leqslant \Omega_{x}} f_{x, j} \leqslant 1 \\ \left|\sum_{j_{1} \in \Omega_{e}} f_{e, j_{1}}-\sum_{j_{2} \in \Omega_{g}} f_{\mathrm{g}, j_{2}}\right| \leqslant 1 \\ \left|\sum_{j_{3} \in \Omega_{\mathrm{h}}} f_{\mathrm{h}, j_{3}}-\sum_{j_{2} \in \Omega_{\mathrm{g}}} f_{\mathrm{g}, j_{2}}\right| \leqslant 1 \\ \left|\sum_{j_{1} \in \Omega_{\mathrm{e}}} f_{\mathrm{e}, j_{1}}-\sum_{j_{3} \in \Omega_{\mathrm{h}}} f_{\mathrm{h}, j_{3}}\right| \leqslant 1 \end{array}$
2.4.4 新建线路数量约束
虽然新建线路可以提高系统的鲁棒性和减少系统受到攻击和破坏时的影响,但是新建线路也会提高系统的管理成本、增加占用资源等问题.因此,每个子系统新建线路的数量应有上限,即为每个子系统已有边数量的γ 倍,杜绝为了提高系统的鲁棒性而无限制增加冗余性的可能,即
(13) $ \sum_{0<j \leqslant n_{v}} f_{v, j} \leqslant \gamma I_{1}$
式中:γ 为每个子系统新建线路的数量占已有线路数量的阈值.
3 基于带权重介数的优化模型求解算法
3.1 模型分层求解思路
2.1和2.2节中提出的综合能源系统脆弱环节防护优化模型涉及到3种类型的决策变量,即备份节点和线路、物理防护节点和线路以及在子系统内添加待选线路,这种多样性的决策变量使得模型的求解变得复杂.决策变量涵盖了0-1变量(如备份节点和线路和子系统内添加待选线路)和0~1变量(物理防护节点和线路),由于综合能源系统中的节点和线路都与决策变量相关,所以传统的启发式算法在这种情况下很难获得精确的最优解.这主要是因为算法的时间和空间复杂度会急剧增加,从而降低计算效率.同时,采用混合整数线性规划方法也不能直接求解该模型.这不仅因为模型的优化目标中存在两个决策变量相互影响的非线性部分,还因为子系统内添加待选线路会改变网络拓扑结构,从而导致各条边和各个节点的带权重介数发生非线性变化.
依据综合能源系统脆弱环节防护优化模型的决策变量特点与求解要求,跟据决策变量类型将该模型转化为成双层优化模型以便于后续算法的精确求解,如图2 所示.模型旨在通过上下层之间的交互配合,滚动优化使综合能源系统受攻击和破坏后损失的带权重介数最小.
图2
图2
综合能源系统上层/下层保护优化模型
Fig.2
Optimization model for upper-level/lower-level protection in IES
(1)上层防护优化模型:综合能源系统上层优化模型的优化目标是使系统受攻击和破坏后损失的带权重介数最小,上层优化模型的目标函数与下层优化模型的目标函数相等,依赖下层优化模型目标函数的计算,即
(14) $ \min F_{\mathrm{L}}=\min f_{\mathrm{L}}=\min L$
上层优化模型的防护类型为新建线路,约束条件为原模型的新建线路约束和新建线路数量约束,新建线路的类型约束为式(12),新建线路的数量约束为式(13).
(2)下层防护优化模型:综合能源系统下层优化模型的优化目标是使系统受攻击和破坏后损失的带权重介数最小,计算公式如式(4)、式(5)和式(14)所示.
下层优化模型的防护类型为增加备用节点和线路以及建立节点和线路的物理防护,约束条件包括防护预算约束、防护需求约束以及后续的辅助变量约束.其中,防护预算约束如式(6)~(9)所示,防护需求约束如式(10)和(11)所示.
图2 展示了双层防护优化模型的目标函数、决策变量与约束条件.将模型转化为双层结构,不仅能够更有效地处理不同类型的决策变量及其相互关系,降低模型求解的复杂性,还更便于探索各种防护策略的组合.在这种双层结构中,上层模型有助于处理无法线性化的非线性决策变量,即子系统内待选线路的添加.这种转化使得非线性的决策变量能够得到更充分的考虑,同时也能更好地选择适合的启发式算法来应对带权重介数的更新情况.
3.2 目标函数线性化
进一步将下层模型转化为线性形式,以更好地适应混合整数线性规划等高效求解方法.值得注意的是,目标函数中的式(4)和式(5)出现了p n, i fn, i 和p l, k fl, k 两种决策变量相乘的形式,这导致下层优化模型出现局部的非线性,为了方便模型求解需要对其进行线性化处理.
以节点增加物理防护和备用防护为例,引入0-1辅助变量Z n, i ,并令Z n, i =(1-p n, i )(1-f n, i ),此 时三者之间的关系如下:
(15) Zn, i = 1 - p n , i , f n , i = 0 0 , f n , i = 1
根据上述关系,用Z n, i 代替决策变量的乘积,则目标函数中系统遭受攻击和破坏后节点损失的带权重介数变为
(16) $ L_{\mathrm{n}}=\sum_{0<i \leqslant I_{\mathrm{n}}} P_{\mathrm{nt}-\mathrm{n}, i} P_{\mathrm{nt}-\mathrm{n}, i} Z_{\mathrm{n}, i} t_{\mathrm{n}, i}$
(17) $ L_{1}=\sum_{0<k \leqslant I_{1}} P_{\mathrm{at}-1, k} P_{\mathrm{ats} 1, k} Z_{1, k} t_{1, k}$
式中:Z l, k 为0-1辅助变量,Z l, k =(1-p l, k )(1-f l, k ).
由于式(16)与式(17)的数学表达式仍不满足线性要求,所以通过增加辅助变量约束的方式将式(16)与式(17)线性化,具体约束如下:
(18) Z n , i ≥ 0 Z n , i ≤ 1 - p n , i Z n , i ≤ 1 - f n , i Z n , i ≥ 1 - p n , i - f n , i
(19) Z l , k ≥ 0 Z l , k ≤ 1 - p l , k Z l , k ≤ 1 - f l , k Z l , k ≥ 1 - p l , k - f l , k
3.3 遗传-混合整数线性规划算法
针对本文建立的双层优化模型,为了提高求解的收敛性和效率,采用遗传算法(genetic algorithm,GA)求解上层模型,采用CPLEX求解器求解下层模型.建立的上层优化模型中决策变量为是否添加指定待选线路,决策变量的数量较多且取值为整数,使用遗传算法可以通过将目标函数值设置为适应度函数,较好地描述优化决策问题,使求解快速收敛,也可以较好地约束决策变量的取值范围.下层模型经过线性化后变成一个MILP问题,此时采用CPLEX求解器不仅可以较好地求解混合整数线性规划问题,而且该求解器还具有求解速度快、鲁棒性强等优点.因此,采用遗传-混合整数线性规划算法求解所建立的双层优化模型.上层规划层优化模型在MATLAB软件中编程建立,上层优化过程中会调用下层决策模型并将上层新建线路方案传递给下层,下层读取上层传递的新建线路信息并调用CPLEX求解器进行优化决策,再将求解出的最优系统受攻击和破坏后损失的带权重介数返回给上层.具体的求解步骤如下:
(1) 数据初始化,输入待选的添加线路集合和新建线路的价格参数以及遗传算法所需的决策变量个数、种群个体数量、存活个体数量、最大迭代次数等参数.
(2) 设置上层模型的目标函数和各约束条件,构建上层优化模型.
(4) 生成上层模型新建线路方案,调用下层优化模型求解函数,将上层新建线路方案传递给下层优化模型.
(5) 下层优化模型读取新建线路信息,转化为邻接矩阵、新建线路成本等参数.
(6) 设置下层模型的目标函数和各约束条件,构建下层优化模型.
(8) 将下层优化模型的优化结果返回给上层优化模型,得到上层优化模型的目标函数值.
(9) 记录当前代种群中的最优个体,以及其对应的适应度函数值即目标函数值.
(10) 判断当前代种群中的最优个体的适应度函数值是否满足收敛条件或当前代种群迭代次数是否等于最大迭代次数,若满足则跳转至步骤(12),若不满足转至步骤(11).
(11) 进行种群的选择、重组和变异操作,同时令种群迭代次数g =g +1,跳转至步骤(4)进行下一轮优化.
(12) 记录选出的最优个体的决策变量和目标函数的值,得到综合能源系统的最优防护策略.
4 算例分析
4.1 参数设置
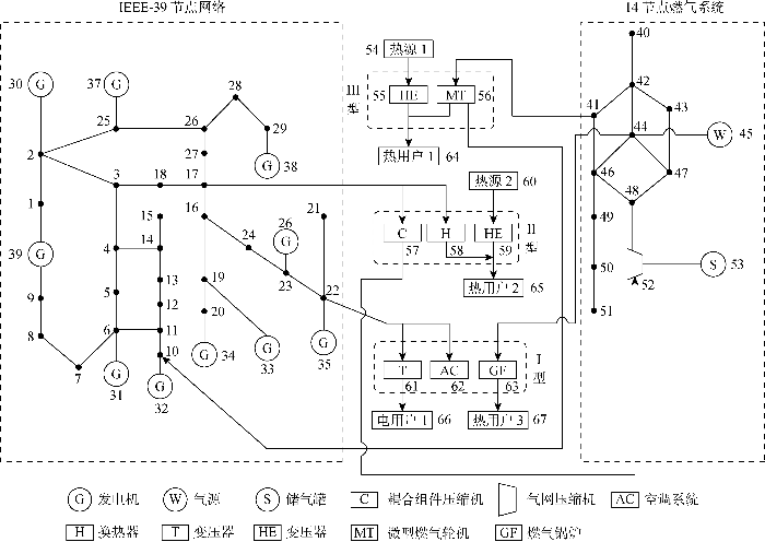
仿真所采用的电-气-热耦合综合能源系统如图3 所示.系统共有67个节点,74条边,其中包括14个供能节点,3个能源集线器,28个负荷节点.机组容量方面,微型燃气轮机的容量为100 MW,产电效率为0.7;换热器的容量为120 MW,效率为0.85;燃气锅炉的容量为100 MW,效率为0.9.两个热源出力都为100 MW,电网部分经潮流计算得各发电机的出力.假设在遭受攻击和破坏时所有设备都以额定容量工作,各供能设备的出力如表1 所示.耦合设备包含节点56、节点58和节点63,它们的耦合效率分别为0.7、0.85和0.9.
图3
图3
67节点综合能源系统的网络结构
Fig.3
Network structure of a 67-node IES
根据2.1和2.2节的建模方法对该综合能源系统进行防护优化模型建模,然后根据3.1和3.2节的模型简化方法和3.3节的求解算法进行计算.其中模型中所涉及的节点和线路被攻击和破坏的概率、节点和线路被成功攻击和破坏的概率以及防护预算等其他参数详见https://github.com/ZHANG-CHEN-WEI/Basic-data-of-integrated-energy-system-protection-model.所有仿真程序均在 2.40 GHz CPU的Intel Core i7-2760QM 处理器和 16 GB RAM 计算机上用 MATLAB 9.7版(R2014b)完成.
4.2 结果分析
采用3.3节的求解方法对模型进行计算,将预算设置为 4.5 亿元,即可得到系统受攻击和破坏后损失的带权重介数最小的综合能源系统最优防护策略.上层优化模型选择在电网中的节点6和节点17之间连边,在气网的节点41和节点52之间连边,在热网中不新建线路.在新建线路后的系统中,节点和线路的物理防护和是否加备用站或线路结果如表2 和表3 所示,0、1分别代表不加和加备用站或线路.表4 和表5 分别展示了带权重的节点介数和带权重的线路介数,介数从高到低排序,选取前30%的节点和线路.
由表2 和表3 可知,虽然所设置节点的物理防护和加备用站预算比线路的物理防护和加备用线路预算更高,但是最优策略仍然倾向于防护节点,说明节点破坏对系统的影响比线路破坏更大.对比表4 和表5 结果可见,选择防护的节点或线路大部分属于高带权重的节点或线路,比如节点6、16和线路16-17、16-21,说明在考虑成本和节点和线路被成功攻击和破坏概率的情况下, 选择优先防护带权重介数高的节点和线路仍然可以较好地提升系统鲁棒性. 此外,图4 展示了综合能源系统中的脆弱环节以及最优防护策略的部署结果.由图可知,最优防护策略并不是简单地对带权重介数高的节点和线路实行物理防护和加备用,而是在满足成本约束的前提下制定提升整个系统鲁棒性的最优防护策略.
图4
图4
综合能源系统中的脆弱环节以及最优防护策略
Fig.4
Vulnerable components and optimal protection strategies in IES
为研究基于不同脆弱性度量指标生成的防护策略对系统在遭受破坏和攻击下持续供能能力的影响,对以下4种防护策略的能量损失情况进行统计:①未采取防护策略;②随机引入防护策略;③在模型约束下基于介数中心性度量生成的防护策略; ④本文生成的最优防护策略.具体结果如表6 所示,表中空白表示不适用.
根据表6 的结果,尽管策略②和策略③相对于未采取任何防护策略下所损失的带权重介数有所下降,分别减少28.16%和33.01%,但最优防护策略即策略④在所有策略中所损失的带权重介数最小,相对于未采取任何防护策略的情况下损失降低45.37%.这一结果不仅突显了所提模型生成的最优防护策略在提高系统持续供能能力方面具有显著效果,还为系统脆弱性分析和防护决策提供了有力支持.
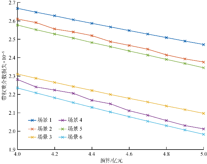
为分析新建线路、物理防护和备用防护3种不同防护手段对综合能源系统鲁棒性的影响,设置6个不同的防护仿真场景.场景1~6分别为:加物理防护、加备份防护、新建线路和加物理防护、新建线路和加备份防护、加物理防护和加备份防护和新建线路、加物理防护和加备份防护.
针对上述6个场景,将预算设置为 4.5 亿元,其余约束条件保持不变,采用“遗传算法-MILP”混合求解算法分别求解不同场景下的防护策略情况,每种场景下的系统受攻击和破坏后损失的带权重介数以及成本如表7 所示.由表可见,在成本约束下,采用多种防护手段的组合比只用单一防护手段更能提高系统的鲁棒性,且可选择的防护手段越多,对系统鲁棒性的提升就越好.其中,在新建线路改善系统结构脆弱性的基础上组合物理防护和备用防护的鲁棒性提升最大,比场景5加物理防护和备用防护情况下系统受攻击和破坏后损失的带权重介数低14.43%;同时场景3和场景4都比场景5的系统受攻击和破坏后损失的带权重介数低10%以上,且只比场景6低不到5%,说明在新建线路防护的基础上进行脆弱的环节物理防护或增设备用节点和线路较为有效.
在以上6种场景下,以1000万元为步长设置从4亿~5亿元11种预算,得到系统受攻击和破坏后损失的带权重介数随防护预算的变化如图5 所示.由图可见,每种场景下系统受攻击和破坏后损失的带权重介数随防护预算的变化大致呈线性,场景2和场景4由于备用防护是0-1变量,存在小幅度波动,但整体仍然呈线性变化,说明在 4.5 亿元预算条件下得到的规律对大多数防护预算都适用.同时,当防护预算一定时,场景3、场景4和场景6这3种在新建线路的基础上进行其他防护手段的系统受攻击和破坏后损失的带权重介数明显低于其他场景,进一步说明新建线路改善网络结构脆弱性的基础上进行物理防护或者增加备用防护对系统鲁棒性提升较为有效;当同时采取新建线路、增加物理防护和建立备用防护3种防护手段时,系统鲁棒性提升最大.
图5
图5
系统受攻击和破坏后所损失的带权重介数随预算的变化
Fig.5
Weighted betweenness loss after system attack and destruction with respect to budget in IES
所提综合能源系统脆弱环节防护优化模型涉及大量参数,例如节点和线路受攻击和破坏的概率、节点和线路成功遭受攻击和破坏的概率以及防护预算等.这些参数目前仅以系数的形式呈现,未提供更详细的系数细化说明.特别是与各类防护手段相关的成本系数,仍需要在进一步研究中深入探讨各种防护手段的具体物理特性,以更准确地反映实际成本情况.此外,后续的研究将进一步扩展综合能源系统的范围,考虑引入更多类型的能源系统,例如氢能系统等,以继续深入研究和改进综合能源系统的针对性防护策略.
4.3 所提方法的可行性与局限性
综合能源系统在满足人类实际生产活动所需能源的同时,一旦受到外部攻击或破坏将会对社会经济造成巨大影响.近年来一系列的能源系统破坏事件,如挪威Ryuk勒索软件攻击、美国Colonial Pipeline网络攻击[29 ] 、澳大利亚的干旱和高温天气以及得克萨斯的冬季风暴[30 ] 等,均凸显了应对潜在破坏的紧迫性.因此将所提方法广泛应用于国内不同规模和类型的实际综合能源系统,例如天津大学滨海工业研究院的综合能源示范工程[31 ] 、南方电网的燃气轮机冷电连供微电网和西电的综合能源智慧服务系统等,有望提高这些系统在面临潜在的蓄意攻击和自然破坏时的韧性和持续供能能力.
具体而言,结合系统实际可接受防护的范围、防护总体预算和实际增设防护手段的成本,以调整本文防护优化模型中的各变量系数与算法参数,计算符合实际需要的最优防护策略.此外,最优防护策略包括实际系统中需要防护的具体环节(输能线路、供/储能和负荷组件等),相应环节所需采取的防护手段类型(备份防护手段、物理防护手段和新建线路),以及采取哪些具体的防护措施,例如增设备份站和线路、电网围栏、摄像监控、钢筋混凝土结构和新建线路等.最优防护策略不仅能够确保综合能源系统在面对类似极端天气和蓄意破坏的外部威胁时能够提供更持续的能源供应,而且策略中包含的多样化防护措施也有助于减少系统缺乏防护时造成的短期或长期中断.
然而,将所提方法应用于实际系统中存在以下局限性.首先,将综合能源系统简化成拓扑网络时,本文的简化规则忽略了部分设备与线路的差异性,这可能导致简化后的拓扑网络无法充分反映实际系统的关键特性和运行情况.其次,在实际系统中设备脆弱性受环境影响的动态变化,如极端气温或温度突变导致设备故障概率增加或效率下降时,目前的带权重介数指标未能考虑这些因素,这可能使模型生成的最优防护策略无法为这部分脆弱环节提供最大程度的防护.最后,最优防护策略中的物理防护手段缺乏科学的量化方法.因此,如何为不同节点或线路增加相应程度的物理防护手段仍需要进一步研究和探讨.
5 结论
尽管目前综合能源系统防护领域涉及对防护手段和脆弱环节辨识方面的研究,但仍缺乏基于复杂网络理论对综合能源脆弱环节防护策略的优化.基于上述背景,提出以系统受攻击和破坏后损失的带权重介数为目标函数的综合能源系统脆弱环节防护优化模型.在模型求解方面,针对决策变量特点将模型转化为上层以添加待选线路序号为决策变量、下层以加物理防护的程度和是否加备用为决策变量的双层优化模型,并用“遗传-MILP”算法进行精确求解,所获得的具体结论如下:
(1) 建立基于电-气-热耦合的综合能源系统脆弱环节防护模型,并通过算法精确获取了最优防护策略的具体信息.仿真结果表明,对于提高系统在遭受攻击和破坏后的持续供能能力,首要保护具有高带权重介数的节点和线路具有显著效果.此外,最优防护策略能够将系统在未受到保护时所损失的带权重介数降低45.37%,明显超过随机引入防护策略和基于介数中心性度量生成的防护策略.
(2) 通过对比分析,研究6种不同场景下的防护策略对系统在遭受攻击和破坏后带权重介数损失的影响,并分析6种不同场景下损失随防护预算变化的趋势.仿真结果强调了多种防护手段降低带权重介数损失的有效性,特别是在新建线路以改善网络结构脆弱性的基础上,进一步增加物理防护或备用防护.
(3) 随着防护预算的增加,系统受攻击和破坏后损失的带权重介数呈线性下降趋势.表明通过在新建线路的基础上增加物理防护或备用防护,可在多种预算下有效提升系统鲁棒性.
本研究为综合能源系统脆弱环节的防护提供了有益借鉴.后续研究将更深入地探讨综合能源系统的复杂耦合性,并研究多种衡量系统脆弱性的方法,以开发更加全面和综合的防护策略,从而更有效地帮助综合能源系统抵御外部威胁和内部故障.
参考文献
View Option
[1]
ALHARBI R S , NATH S , FAIZAN O M , et al . Assessment of drought vulnerability through an integrated approach using AHP and geoinformatics in the Kangsabati River Basin
[J]. Journal of King Saud University-Science , 2022 , 34 (8 ): 102332.
[本文引用: 1]
[2]
CAO M S , SHAO C Z , HU B , et al . Reliability assessment of integrated energy systems considering emergency dispatch based on dynamic optimal energy flow
[J]. IEEE Transactions on Sustainable Energy , 2022 , 13 (1 ): 290 -301 .
[本文引用: 1]
[3]
JIANG T , ZHANG R F , LI X , et al . Integrated energy system security region: Concepts, methods, and implementations
[J]. Applied Energy , 2021 , 283 : 116124 .
[本文引用: 1]
[4]
SUN C H , ZHOU Z Y , ZENG X J , et al . A multi-model-integration-based prediction methodology for the spatiotemporal distribution of vulnerabilities in integrated energy systems under the multi-type, imbalanced, and dependent input data scenarios
[J]. Applied Energy , 2022 , 320 : 119239 .
[本文引用: 2]
[5]
闫妍 , 刘晓 , 庄新田 . 基于复杂网络理论的供应链级联效应检测方法
[J]. 上海交通大学学报 , 2010 , 44 (3 ): 322 -325 .
[本文引用: 1]
YAN Yan , LIU Xiao , ZHUANG Xintian . Cascading failure model and method of supply chain based on complex network
[J]. Journal of Shanghai Jiao Tong University , 2010 , 44 (3 ): 322 -325 .
[本文引用: 1]
[6]
CAO M H , GUO J J , XIAO H , et al . Reliability analysis and optimal generator allocation and protection strategy of a non-repairable power grid system
[J]. Reliability Engineering & System Safety , 2022 , 222 : 108443 .
[本文引用: 1]
[7]
CHANG L , WU Z G . Performance and reliability of electrical power grids under cascading failures
[J]. International Journal of Electrical Power & Energy Systems , 2011 , 33 (8 ): 1410 -1419 .
[本文引用: 1]
[8]
CHEN G , DONG Z Y , HILL D J , et al . Attack structural vulnerability of power grids: A hybrid approach based on complex networks
[J]. Physica A: Statistical Mechanics & Its Applications , 2010 , 389 (3 ): 595 -603 .
[本文引用: 1]
[9]
DU R J , DONG G G , TIAN L X , et al . Targeted attack on networks coupled by connectivity and dependency links
[J]. Physica A: Statistical Mechanics & Its Applications , 2016 , 450 : 687 -699 .
[本文引用: 1]
[10]
刘涤尘 , 冀星沛 , 王波 , 等 . 基于复杂网络理论的电力通信网拓扑脆弱性分析及对策
[J]. 电网技术 , 2015 , 39 (12 ): 3615 -3621 .
[本文引用: 1]
LIU Dichen , JI Xingpei , WANG Bo , et al . Topological vulnerability analysis and countermeasures of electrical communication network based on complex network theory
[J]. Power System Technology , 2015 , 39 (12 ): 3615 -3621 .
[本文引用: 1]
[11]
SCHNEIDER C M , YAZDANI N , ARAÚJO N A M , et al . Towards designing robust coupled networks
[J]. Scientific Reports , 2013 , 3 : 1969 .
DOI:10.1038/srep01969
PMID:23752705
[本文引用: 1]
Natural and technological interdependent systems have been shown to be highly vulnerable due to cascading failures and an abrupt collapse of global connectivity under initial failure. Mitigating the risk by partial disconnection endangers their functionality. Here we propose a systematic strategy of selecting a minimum number of autonomous nodes that guarantee a smooth transition in robustness. Our method which is based on betweenness is tested on various examples including the famous 2003 electrical blackout of Italy. We show that, with this strategy, the necessary number of autonomous nodes can be reduced by a factor of five compared to a random choice. We also find that the transition to abrupt collapse follows tricritical scaling characterized by a set of exponents which is independent on the protection strategy.
[12]
崔文岩 , 孟相如 , 康巧燕 , 等 . 基于复合边权重的加权复杂网络级联抗毁性优化
[J]. 系统工程与电子技术 , 2017 , 39 (2 ): 355 -361 .
[本文引用: 1]
CUI Wenyan , MENG Xiangru , KANG Qiaoyan , et al . Optimization of cascading invulnerability on weighted complex networks based on composite edge weight model
[J]. Systems Engineering & Electronics , 2017 , 39 (2 ): 355 -361 .
[本文引用: 1]
[13]
GONG M G , MA L J , CAI Q , et al . Enhancing robustness of coupled networks under targeted recoveries
[J]. Scientific Reports , 2015 , 5 : 8439 .
DOI:10.1038/srep08439
PMID:25675980
[本文引用: 1]
Coupled networks are extremely fragile because a node failure of a network would trigger a cascade of failures on the entire system. Existing studies mainly focused on the cascading failures and the robustness of coupled networks when the networks suffer from attacks. In reality, it is necessary to recover the damaged networks, and there are cascading failures in recovery processes. In this study, firstly, we analyze the cascading failures of coupled networks during recoveries. Then, a recovery robustness index is presented for evaluating the resilience of coupled networks to cascading failures in the recovery processes. Finally, we propose a technique aiming at protecting several influential nodes for enhancing robustness of coupled networks under the recoveries, and adopt six strategies based on the potential knowledge of network centrality to find the influential nodes. Experiments on three coupling networks demonstrate that with a small number of influential nodes protected, the robustness of coupled networks under the recoveries can be greatly enhanced.
[14]
郭明健 , 高岩 . 基于复杂网络理论的电力网络抗毁性分析
[J]. 复杂系统与复杂性科学 , 2022 , 19 (4 ): 1 -6 .
[本文引用: 2]
GUO Mingjian , GAO Yan . Invulnerability analysis of power network based on complex network
[J]. Complex Systems & Complexity Science , 2022 , 19 (4 ): 1 -6 .
[本文引用: 2]
[15]
刘涛 , 李伟华 , 汤熠 . 综合智慧能源系统典型构架网络安全防护研究
[J]. 综合智慧能源 , 2024 , 46 (5 ): 81 -90 .
DOI:10.3969/j.issn.2097-0706.2024.05.010
[本文引用: 1]
构建综合智慧能源系统及其网络安全防护架构,为实现安全的电力一体化基础设施提供了理论依据。首先,通过分析变电站、光伏发电站、储能站、充电站、数据中心站等各子站的特点,提出综合智慧能源系统架构,并在此架构下设计信息服务系统和分层体系结构。其次,对不同子站数据交互需求进行分析,提出综合智慧能源系统的数据交互模型,在此基础上根据五大安全目标,将综合智慧能源系统各子站分成3个类别,分别分析其面临的网络安全威胁。再次,立足于系统网络安全防护原则,构建综合智慧能源系统网络安全防护架构,并在该架构下提出具体的综合智慧能源系统安全分区和隔离方案。最后,结合等保2.0的相关评估指标,对综合智慧能源系统网络安全防护架构及系统安全分区和隔离方案的可行性进行评估,结果表明该架构符合等保2.0的标准。
LIU Tao , LI Weihua , TANG Yi . Research on network security protection of typical architecture of integrated smart energy system
[J]. Integrated Intelligent Energy , 2024 , 46 (5 ): 81 -90 .
DOI:10.3969/j.issn.2097-0706.2024.05.010
[本文引用: 1]
Integrated infrastructure,represented by multi-station integrated intelligent energy systems,is a main form of new power systems.Based on the analysis on characteristics of different components,including substations,photovoltaic stations,and data center stations,a proper structure for integrated smart energy systems is constructed,and the information service system and hierarchical structure under this framework are designed.A data interaction model for the integrated smart energy system is proposed,considering the needs of data interaction between different substations.To achieve five major security goals,components of this system is divided into three categories in view of different threats to network security.Based on the principles of network security protection for the system,zoning and isolation plans for the integrated smart energy system are proposed under this protection architecture.Finally,the feasibility of the network security protection architecture for integrated intelligent energy systems and its zoning and isolation schemes are evaluated in accordance with relevant evaluation indicators in Equal Protection 2.0.The results show that the architecture meets the standards of Equal Protection 2.0.
[16]
ZHANG L , SU H , ZIO E , et al . A data-driven approach to anomaly detection and vulnerability dynamic analysis for large-scale integrated energy systems
[J]. Energy Conversion & Management , 2021 , 234 : 113926 .
[本文引用: 1]
[17]
YANG S H , CHEN W R , ZHANG X X , et al . A graph-based method for vulnerability analysis of renewable energy integrated power systems to cascading failures
[J]. Reliability Engineering & System Safety , 2021 , 207 : 107354 .
[18]
XU B Y , HONG L C , GU D Y . Security analysis of integrated energy system under complex network
[C]// 2022 IEEE 5th International Electrical and Energy Conference . Nangjing, China : IEEE , 2022 : 3325 -3329 .
[19]
ZHENG T , LIU G , CHENG W , et al . Identification of vulnerable links in integrated energy system based on complex network theory
[C]// 2022 4th International Conference on Power and Energy Technology . Beijing, China : IEEE , 2022 : 1157 -1162 .
[本文引用: 1]
[20]
戴婷婷 , 刘俊勇 , 魏震波 , 等 . 基于复杂网络理论的电力系统脆弱性分析
[J]. 现代电力 , 2010 , 27 (1 ): 56 -60 .
[本文引用: 1]
DAI Tingting , LIU Junyong , WEI Zhenbo , et al . Analysis of power system vulnerability based on complex network theory
[J]. Modern Electric Power , 2010 , 27 (1 ): 56 -60 .
[本文引用: 1]
[21]
张国华 , 张建华 , 杨京燕 , 等 . 基于有向权重图和复杂网络理论的大型电力系统脆弱性评估
[J]. 电力自动化设备 , 2009 , 29 (4 ): 21 -26 .
[本文引用: 1]
ZHANG Guohua , ZHANG Jianhua , YANG Jingyan , et al . Vulnerability assessment of bulk power grid based on weighted directional graph and complex network theory
[J]. Electric Power Automation Equipment , 2009 , 29 (4 ): 21 -26 .
[本文引用: 1]
[22]
丁一 , 江艺宝 , 宋永华 , 等 . 能源互联网风险评估研究综述(一): 物理层面
[J]. 中国电机工程学报 , 2016 , 36 (14 ): 3806 -3817 .
[本文引用: 1]
DING Yi , JIANG Yibao , SONG Yonghua , et al . Review of risk assessment for energy Internet, part Ⅰ: Physical level
[J]. Proceedings of the CSEE , 2016 , 36 (14 ): 3806 -3817 .
[本文引用: 1]
[23]
潘华 , 肖雨涵 , 梁作放 , 等 . 基于复杂网络的电-气-热综合能源系统健壮性分析
[J]. 电力自动化设备 , 2019 , 39 (8 ): 104 -112 .
[本文引用: 2]
PAN Hua , XIAO Yuhan , LIANG Zuofang , et al . Robustness analysis of electricity-gas-heat integrated energy system based on complex network
[J]. Electric Power Automation Equipment , 2019 , 39 (8 ): 104 -112 .
[本文引用: 2]
[24]
SHEN Y C , GU C H , ZHAO P F . Structural vulnerability assessment of multi-energy system using a PageRank algorithm
[J]. Energy Procedia , 2019 , 158 : 6466 -6471 .
[本文引用: 1]
[25]
WANG B , WAN S H , ZHANG X J , et al . A novel index for assessing the robustness of integrated electrical network and a natural gas network
[J]. IEEE Access , 2018 , 6 : 40400 -40410 .
[本文引用: 2]
[26]
张殷 , 肖先勇 , 李长松 . 基于攻击者视角的电力信息物理融合系统脆弱性分析
[J]. 电力自动化设备 , 2018 , 38 (10 ): 81 -88 .
[本文引用: 1]
ZHANG Yin , XIAO Xianyong , LI Changsong . Vulnerability analysis of cyber physical power system from attacker’s perspective
[J]. Electric Power Automation Equipment , 2018 , 38 (10 ): 81 -88 .
[本文引用: 1]
[27]
汪勋婷 , 王波 . 考虑信息物理融合的电网脆弱社团评估方法
[J]. 电力自动化设备 , 2017 , 37 (12 ): 43 -51 .
[本文引用: 1]
WANG Xunting , WANG Bo . Assessment method of vulnerable communities in power grid considering cyber-physical integration
[J]. Electric Power Automation Equipment , 2017 , 37 (12 ): 43 -51 .
[本文引用: 1]
[28]
王梓行 , 姜大立 , 漆磊 , 等 . 基于冗余度的复杂网络抗毁性及节点重要度评估模型
[J]. 复杂系统与复杂性科学 , 2020 , 17 (3 ): 78 -85 .
[本文引用: 1]
WANG Zihang , JIANG Dali , QI Lei , et al . Complex network invulnerability and node importance evaluation model based on redundancy
[J]. Complex Systems & Complexity Science , 2020 , 17 (3 ): 78 -85 .
[本文引用: 1]
[29]
VIJAYSHANKAR S , CHANG C Y , UTKARSH K , et al . Assessing the impact of cybersecurity attacks on energy systems
[J]. Applied Energy , 2023 , 345 : 121297 .
[本文引用: 1]
[30]
邹洋 , 王剑晓 , 戴璟 , 等 . 欧洲能源危机成因、影响与应对措施
[J]. 电力系统自动化 , 2023 , 47 (17 ): 1 -13 .
[本文引用: 1]
ZOU Yang , WANG Jianxiao , DAI Jing , et al . Causes, impacts and mitigation measures of European energy crisis
[J]. Automation of Electric Power Systems , 2023 , 47 (17 ): 1 -13 .
[本文引用: 1]
[31]
尚学军 , 霍现旭 , 戚艳 , 等 . 考虑负荷需求响应的园区综合能源系统运行优化研究
[J]. 电力与能源进展 , 2020 , 8 (3 ): 57 -69 .
[本文引用: 1]
SHANG Xuejun , HUO Xianxu , QI Yan , et al . Research on operation optimization of integrated energy system for park considering integrated demand response
[J]. Advances in Energy & Power Engineering , 2020 , 8 (3 ): 57 -69 .
[本文引用: 1]
Assessment of drought vulnerability through an integrated approach using AHP and geoinformatics in the Kangsabati River Basin
1
2022
... 综合能源系统(integrated energy system, IES)作为实现多种能源互联、供给、运输和利用的核心承载形式,有助于克服能源隔离限制,提升能源供应灵活性.此外,综合能源系统通过分散能源资源和供应链配置,可以有效降低单一能源供应的固有风险,进而减轻能源市场的波动性,为能源行业的可持续发展提供有力支持.若对综合能源系统在蓄意物理攻击和自然破坏下的防范策略制定不善,可能会引发安全事故[1 -2 ] ,甚至导致大规模能源供应链断裂[3 ] .确保综合能源系统的安全性,尤其是在能源生产、输送、储存和使用等各环节中保障脆弱部分的安全运行,对于降低能源供应中断风险,减少能源供应不稳定性所带来的社会经济损失以及确保国家能够持续供应关键能源,都具有重要意义.通过采取相应的物理防护手段对综合能源系统中的脆弱环节进行防护,可以提升蓄意攻击和自然破坏下系统的持续供能能力[4 -5 ] .因此,在综合能源系统规划中对这些脆弱环节进行针对性防护,不仅关乎系统的稳定可靠运行,还能在面对恶意攻击与自然破坏时保障系统能源的持续供应. ...
Reliability assessment of integrated energy systems considering emergency dispatch based on dynamic optimal energy flow
1
2022
... 综合能源系统(integrated energy system, IES)作为实现多种能源互联、供给、运输和利用的核心承载形式,有助于克服能源隔离限制,提升能源供应灵活性.此外,综合能源系统通过分散能源资源和供应链配置,可以有效降低单一能源供应的固有风险,进而减轻能源市场的波动性,为能源行业的可持续发展提供有力支持.若对综合能源系统在蓄意物理攻击和自然破坏下的防范策略制定不善,可能会引发安全事故[1 -2 ] ,甚至导致大规模能源供应链断裂[3 ] .确保综合能源系统的安全性,尤其是在能源生产、输送、储存和使用等各环节中保障脆弱部分的安全运行,对于降低能源供应中断风险,减少能源供应不稳定性所带来的社会经济损失以及确保国家能够持续供应关键能源,都具有重要意义.通过采取相应的物理防护手段对综合能源系统中的脆弱环节进行防护,可以提升蓄意攻击和自然破坏下系统的持续供能能力[4 -5 ] .因此,在综合能源系统规划中对这些脆弱环节进行针对性防护,不仅关乎系统的稳定可靠运行,还能在面对恶意攻击与自然破坏时保障系统能源的持续供应. ...
Integrated energy system security region: Concepts, methods, and implementations
1
2021
... 综合能源系统(integrated energy system, IES)作为实现多种能源互联、供给、运输和利用的核心承载形式,有助于克服能源隔离限制,提升能源供应灵活性.此外,综合能源系统通过分散能源资源和供应链配置,可以有效降低单一能源供应的固有风险,进而减轻能源市场的波动性,为能源行业的可持续发展提供有力支持.若对综合能源系统在蓄意物理攻击和自然破坏下的防范策略制定不善,可能会引发安全事故[1 -2 ] ,甚至导致大规模能源供应链断裂[3 ] .确保综合能源系统的安全性,尤其是在能源生产、输送、储存和使用等各环节中保障脆弱部分的安全运行,对于降低能源供应中断风险,减少能源供应不稳定性所带来的社会经济损失以及确保国家能够持续供应关键能源,都具有重要意义.通过采取相应的物理防护手段对综合能源系统中的脆弱环节进行防护,可以提升蓄意攻击和自然破坏下系统的持续供能能力[4 -5 ] .因此,在综合能源系统规划中对这些脆弱环节进行针对性防护,不仅关乎系统的稳定可靠运行,还能在面对恶意攻击与自然破坏时保障系统能源的持续供应. ...
A multi-model-integration-based prediction methodology for the spatiotemporal distribution of vulnerabilities in integrated energy systems under the multi-type, imbalanced, and dependent input data scenarios
2
2022
... 综合能源系统(integrated energy system, IES)作为实现多种能源互联、供给、运输和利用的核心承载形式,有助于克服能源隔离限制,提升能源供应灵活性.此外,综合能源系统通过分散能源资源和供应链配置,可以有效降低单一能源供应的固有风险,进而减轻能源市场的波动性,为能源行业的可持续发展提供有力支持.若对综合能源系统在蓄意物理攻击和自然破坏下的防范策略制定不善,可能会引发安全事故[1 -2 ] ,甚至导致大规模能源供应链断裂[3 ] .确保综合能源系统的安全性,尤其是在能源生产、输送、储存和使用等各环节中保障脆弱部分的安全运行,对于降低能源供应中断风险,减少能源供应不稳定性所带来的社会经济损失以及确保国家能够持续供应关键能源,都具有重要意义.通过采取相应的物理防护手段对综合能源系统中的脆弱环节进行防护,可以提升蓄意攻击和自然破坏下系统的持续供能能力[4 -5 ] .因此,在综合能源系统规划中对这些脆弱环节进行针对性防护,不仅关乎系统的稳定可靠运行,还能在面对恶意攻击与自然破坏时保障系统能源的持续供应. ...
... 在电力系统中,脆弱环节包含对系统稳定运行至关重要且易受损的组件,例如关键发电厂、输电线路和变压器等.这些组件在面临恶意攻击或自然破坏时可能发生故障,从而导致电力供应中断或电网不稳定.相比之下,综合能源系统涵盖多种能源类型,其脆弱环节不仅包括各种单一能源的关键易损组件,还包括系统中的能源转换站等耦合设备,这些耦合设备的受损同样会导致多个能源供应链的中断或系统不稳定.目前,已有研究基于复杂网络理论对电力系统和综合能源系统的脆弱环节进行辨识[16 -19 ] .文献[20 ]中详细分析和归纳了国内外关于电力系统脆弱性的研究方法,重点探讨电网拓扑模型的改进和脆弱性指标的建立两个方面,并指出各种改进模型和评估指标的优缺点.文献[21 ] 中提出一种基于复杂网络理论的大型电力系统脆弱性评估算法,并在中国某一区域电网上实际应用,该算法成功辨识了电网的脆弱环节,并详细分析了电网在不同攻击模式下的抗毁性.对于综合能源系统,文献[22 -23 ]中从网络规模、拓扑结构和故障研究机制等角度进行分析,发现综合能源系统具有典型的复杂网络特征,可以运用复杂网络方法来分析其脆弱性.在挪威某个热电耦合系统的研究中,研究者模拟3个及以下元件失效后的级联故障过程,证实可以通过提前保护关键元件避免严重后果[24 -25 ] .此外,文献[23 ,26 ]中验证了电-热-气耦合的综合能源系统具有无标度特性和小世界特性,并比较攻击介数高的节点、攻击度数高的节点、攻击重要度高的节点以及攻击线路这4种基于复杂网络理论的攻击策略对系统的破坏程度,发现耦合设备及其邻居节点的重要性更高.还有研究[25 ,27 ] 分析综合能源系统破碎后孤岛运行的可能性,考虑供能子系统的分区特性和网络节点异质性,精确评估各环节故障对系统的影响,并以此为依据进行脆弱环节辨识.虽然上述工作已经在综合能源系统的脆弱环节辨识方面进行了深入研究,但目前在该领域中鲜有文献涉及脆弱环节防护策略的优化.尽管文献[4 ]中提出一种针对综合能源系统脆弱环节时空分布的短期预测方法,能够预测随着整个系统风险变化所需检查和维护的组件位置,但仍未具体说明检查和维护所采用的方法. ...
基于复杂网络理论的供应链级联效应检测方法
1
2010
... 综合能源系统(integrated energy system, IES)作为实现多种能源互联、供给、运输和利用的核心承载形式,有助于克服能源隔离限制,提升能源供应灵活性.此外,综合能源系统通过分散能源资源和供应链配置,可以有效降低单一能源供应的固有风险,进而减轻能源市场的波动性,为能源行业的可持续发展提供有力支持.若对综合能源系统在蓄意物理攻击和自然破坏下的防范策略制定不善,可能会引发安全事故[1 -2 ] ,甚至导致大规模能源供应链断裂[3 ] .确保综合能源系统的安全性,尤其是在能源生产、输送、储存和使用等各环节中保障脆弱部分的安全运行,对于降低能源供应中断风险,减少能源供应不稳定性所带来的社会经济损失以及确保国家能够持续供应关键能源,都具有重要意义.通过采取相应的物理防护手段对综合能源系统中的脆弱环节进行防护,可以提升蓄意攻击和自然破坏下系统的持续供能能力[4 -5 ] .因此,在综合能源系统规划中对这些脆弱环节进行针对性防护,不仅关乎系统的稳定可靠运行,还能在面对恶意攻击与自然破坏时保障系统能源的持续供应. ...
Cascading failure model and method of supply chain based on complex network
1
2010
... 综合能源系统(integrated energy system, IES)作为实现多种能源互联、供给、运输和利用的核心承载形式,有助于克服能源隔离限制,提升能源供应灵活性.此外,综合能源系统通过分散能源资源和供应链配置,可以有效降低单一能源供应的固有风险,进而减轻能源市场的波动性,为能源行业的可持续发展提供有力支持.若对综合能源系统在蓄意物理攻击和自然破坏下的防范策略制定不善,可能会引发安全事故[1 -2 ] ,甚至导致大规模能源供应链断裂[3 ] .确保综合能源系统的安全性,尤其是在能源生产、输送、储存和使用等各环节中保障脆弱部分的安全运行,对于降低能源供应中断风险,减少能源供应不稳定性所带来的社会经济损失以及确保国家能够持续供应关键能源,都具有重要意义.通过采取相应的物理防护手段对综合能源系统中的脆弱环节进行防护,可以提升蓄意攻击和自然破坏下系统的持续供能能力[4 -5 ] .因此,在综合能源系统规划中对这些脆弱环节进行针对性防护,不仅关乎系统的稳定可靠运行,还能在面对恶意攻击与自然破坏时保障系统能源的持续供应. ...
Reliability analysis and optimal generator allocation and protection strategy of a non-repairable power grid system
1
2022
... 针对综合能源系统进行合理的防护是一个复杂且具有挑战性的问题.目前关于能源系统防护的研究主要集中在电力系统领域[6 -8 ] ,涵盖了防护手段和脆弱环节的辨识.常见防护手段包括保护关键环节[9 -10 ] 、增设备用节点[11 ] 、新建网间线路[7 ,12 ] 以及制定故障恢复策略[13 ] 等.此外,文献[14 ]中基于复杂网络理论将多种防护手段相结合,提出分段式电力系统防护策略.然而,以上关于防护手段的研究仍聚焦在电力系统领域,而在综合能源防护领域的相关研究相对较少.综合能源系统包含多个供能子系统,其运行机制和关键环节与单一的电力系统存在差异,因此无法直接将上述电力系统防护手段直接迁移到综合能源系统中.此外,文献[15 ]中虽然构建了一个面向综合智慧能源系统的安全防护架构,但该架构主要侧重于通信网络安全方面的防护措施,未充分涵盖物理安全方面的防护措施,并且仅从通信网络、安全区域边界、安全计算环境和安全管理中心等方面对该构架采取符合程度的评估,缺乏通过破坏仿真实验来验证架构可靠性的方法. ...
Performance and reliability of electrical power grids under cascading failures
1
2011
... 针对综合能源系统进行合理的防护是一个复杂且具有挑战性的问题.目前关于能源系统防护的研究主要集中在电力系统领域[6 -8 ] ,涵盖了防护手段和脆弱环节的辨识.常见防护手段包括保护关键环节[9 -10 ] 、增设备用节点[11 ] 、新建网间线路[7 ,12 ] 以及制定故障恢复策略[13 ] 等.此外,文献[14 ]中基于复杂网络理论将多种防护手段相结合,提出分段式电力系统防护策略.然而,以上关于防护手段的研究仍聚焦在电力系统领域,而在综合能源防护领域的相关研究相对较少.综合能源系统包含多个供能子系统,其运行机制和关键环节与单一的电力系统存在差异,因此无法直接将上述电力系统防护手段直接迁移到综合能源系统中.此外,文献[15 ]中虽然构建了一个面向综合智慧能源系统的安全防护架构,但该架构主要侧重于通信网络安全方面的防护措施,未充分涵盖物理安全方面的防护措施,并且仅从通信网络、安全区域边界、安全计算环境和安全管理中心等方面对该构架采取符合程度的评估,缺乏通过破坏仿真实验来验证架构可靠性的方法. ...
Attack structural vulnerability of power grids: A hybrid approach based on complex networks
1
2010
... 针对综合能源系统进行合理的防护是一个复杂且具有挑战性的问题.目前关于能源系统防护的研究主要集中在电力系统领域[6 -8 ] ,涵盖了防护手段和脆弱环节的辨识.常见防护手段包括保护关键环节[9 -10 ] 、增设备用节点[11 ] 、新建网间线路[7 ,12 ] 以及制定故障恢复策略[13 ] 等.此外,文献[14 ]中基于复杂网络理论将多种防护手段相结合,提出分段式电力系统防护策略.然而,以上关于防护手段的研究仍聚焦在电力系统领域,而在综合能源防护领域的相关研究相对较少.综合能源系统包含多个供能子系统,其运行机制和关键环节与单一的电力系统存在差异,因此无法直接将上述电力系统防护手段直接迁移到综合能源系统中.此外,文献[15 ]中虽然构建了一个面向综合智慧能源系统的安全防护架构,但该架构主要侧重于通信网络安全方面的防护措施,未充分涵盖物理安全方面的防护措施,并且仅从通信网络、安全区域边界、安全计算环境和安全管理中心等方面对该构架采取符合程度的评估,缺乏通过破坏仿真实验来验证架构可靠性的方法. ...
Targeted attack on networks coupled by connectivity and dependency links
1
2016
... 针对综合能源系统进行合理的防护是一个复杂且具有挑战性的问题.目前关于能源系统防护的研究主要集中在电力系统领域[6 -8 ] ,涵盖了防护手段和脆弱环节的辨识.常见防护手段包括保护关键环节[9 -10 ] 、增设备用节点[11 ] 、新建网间线路[7 ,12 ] 以及制定故障恢复策略[13 ] 等.此外,文献[14 ]中基于复杂网络理论将多种防护手段相结合,提出分段式电力系统防护策略.然而,以上关于防护手段的研究仍聚焦在电力系统领域,而在综合能源防护领域的相关研究相对较少.综合能源系统包含多个供能子系统,其运行机制和关键环节与单一的电力系统存在差异,因此无法直接将上述电力系统防护手段直接迁移到综合能源系统中.此外,文献[15 ]中虽然构建了一个面向综合智慧能源系统的安全防护架构,但该架构主要侧重于通信网络安全方面的防护措施,未充分涵盖物理安全方面的防护措施,并且仅从通信网络、安全区域边界、安全计算环境和安全管理中心等方面对该构架采取符合程度的评估,缺乏通过破坏仿真实验来验证架构可靠性的方法. ...
基于复杂网络理论的电力通信网拓扑脆弱性分析及对策
1
2015
... 针对综合能源系统进行合理的防护是一个复杂且具有挑战性的问题.目前关于能源系统防护的研究主要集中在电力系统领域[6 -8 ] ,涵盖了防护手段和脆弱环节的辨识.常见防护手段包括保护关键环节[9 -10 ] 、增设备用节点[11 ] 、新建网间线路[7 ,12 ] 以及制定故障恢复策略[13 ] 等.此外,文献[14 ]中基于复杂网络理论将多种防护手段相结合,提出分段式电力系统防护策略.然而,以上关于防护手段的研究仍聚焦在电力系统领域,而在综合能源防护领域的相关研究相对较少.综合能源系统包含多个供能子系统,其运行机制和关键环节与单一的电力系统存在差异,因此无法直接将上述电力系统防护手段直接迁移到综合能源系统中.此外,文献[15 ]中虽然构建了一个面向综合智慧能源系统的安全防护架构,但该架构主要侧重于通信网络安全方面的防护措施,未充分涵盖物理安全方面的防护措施,并且仅从通信网络、安全区域边界、安全计算环境和安全管理中心等方面对该构架采取符合程度的评估,缺乏通过破坏仿真实验来验证架构可靠性的方法. ...
Topological vulnerability analysis and countermeasures of electrical communication network based on complex network theory
1
2015
... 针对综合能源系统进行合理的防护是一个复杂且具有挑战性的问题.目前关于能源系统防护的研究主要集中在电力系统领域[6 -8 ] ,涵盖了防护手段和脆弱环节的辨识.常见防护手段包括保护关键环节[9 -10 ] 、增设备用节点[11 ] 、新建网间线路[7 ,12 ] 以及制定故障恢复策略[13 ] 等.此外,文献[14 ]中基于复杂网络理论将多种防护手段相结合,提出分段式电力系统防护策略.然而,以上关于防护手段的研究仍聚焦在电力系统领域,而在综合能源防护领域的相关研究相对较少.综合能源系统包含多个供能子系统,其运行机制和关键环节与单一的电力系统存在差异,因此无法直接将上述电力系统防护手段直接迁移到综合能源系统中.此外,文献[15 ]中虽然构建了一个面向综合智慧能源系统的安全防护架构,但该架构主要侧重于通信网络安全方面的防护措施,未充分涵盖物理安全方面的防护措施,并且仅从通信网络、安全区域边界、安全计算环境和安全管理中心等方面对该构架采取符合程度的评估,缺乏通过破坏仿真实验来验证架构可靠性的方法. ...
Towards designing robust coupled networks
1
2013
... 针对综合能源系统进行合理的防护是一个复杂且具有挑战性的问题.目前关于能源系统防护的研究主要集中在电力系统领域[6 -8 ] ,涵盖了防护手段和脆弱环节的辨识.常见防护手段包括保护关键环节[9 -10 ] 、增设备用节点[11 ] 、新建网间线路[7 ,12 ] 以及制定故障恢复策略[13 ] 等.此外,文献[14 ]中基于复杂网络理论将多种防护手段相结合,提出分段式电力系统防护策略.然而,以上关于防护手段的研究仍聚焦在电力系统领域,而在综合能源防护领域的相关研究相对较少.综合能源系统包含多个供能子系统,其运行机制和关键环节与单一的电力系统存在差异,因此无法直接将上述电力系统防护手段直接迁移到综合能源系统中.此外,文献[15 ]中虽然构建了一个面向综合智慧能源系统的安全防护架构,但该架构主要侧重于通信网络安全方面的防护措施,未充分涵盖物理安全方面的防护措施,并且仅从通信网络、安全区域边界、安全计算环境和安全管理中心等方面对该构架采取符合程度的评估,缺乏通过破坏仿真实验来验证架构可靠性的方法. ...
基于复合边权重的加权复杂网络级联抗毁性优化
1
2017
... 针对综合能源系统进行合理的防护是一个复杂且具有挑战性的问题.目前关于能源系统防护的研究主要集中在电力系统领域[6 -8 ] ,涵盖了防护手段和脆弱环节的辨识.常见防护手段包括保护关键环节[9 -10 ] 、增设备用节点[11 ] 、新建网间线路[7 ,12 ] 以及制定故障恢复策略[13 ] 等.此外,文献[14 ]中基于复杂网络理论将多种防护手段相结合,提出分段式电力系统防护策略.然而,以上关于防护手段的研究仍聚焦在电力系统领域,而在综合能源防护领域的相关研究相对较少.综合能源系统包含多个供能子系统,其运行机制和关键环节与单一的电力系统存在差异,因此无法直接将上述电力系统防护手段直接迁移到综合能源系统中.此外,文献[15 ]中虽然构建了一个面向综合智慧能源系统的安全防护架构,但该架构主要侧重于通信网络安全方面的防护措施,未充分涵盖物理安全方面的防护措施,并且仅从通信网络、安全区域边界、安全计算环境和安全管理中心等方面对该构架采取符合程度的评估,缺乏通过破坏仿真实验来验证架构可靠性的方法. ...
Optimization of cascading invulnerability on weighted complex networks based on composite edge weight model
1
2017
... 针对综合能源系统进行合理的防护是一个复杂且具有挑战性的问题.目前关于能源系统防护的研究主要集中在电力系统领域[6 -8 ] ,涵盖了防护手段和脆弱环节的辨识.常见防护手段包括保护关键环节[9 -10 ] 、增设备用节点[11 ] 、新建网间线路[7 ,12 ] 以及制定故障恢复策略[13 ] 等.此外,文献[14 ]中基于复杂网络理论将多种防护手段相结合,提出分段式电力系统防护策略.然而,以上关于防护手段的研究仍聚焦在电力系统领域,而在综合能源防护领域的相关研究相对较少.综合能源系统包含多个供能子系统,其运行机制和关键环节与单一的电力系统存在差异,因此无法直接将上述电力系统防护手段直接迁移到综合能源系统中.此外,文献[15 ]中虽然构建了一个面向综合智慧能源系统的安全防护架构,但该架构主要侧重于通信网络安全方面的防护措施,未充分涵盖物理安全方面的防护措施,并且仅从通信网络、安全区域边界、安全计算环境和安全管理中心等方面对该构架采取符合程度的评估,缺乏通过破坏仿真实验来验证架构可靠性的方法. ...
Enhancing robustness of coupled networks under targeted recoveries
1
2015
... 针对综合能源系统进行合理的防护是一个复杂且具有挑战性的问题.目前关于能源系统防护的研究主要集中在电力系统领域[6 -8 ] ,涵盖了防护手段和脆弱环节的辨识.常见防护手段包括保护关键环节[9 -10 ] 、增设备用节点[11 ] 、新建网间线路[7 ,12 ] 以及制定故障恢复策略[13 ] 等.此外,文献[14 ]中基于复杂网络理论将多种防护手段相结合,提出分段式电力系统防护策略.然而,以上关于防护手段的研究仍聚焦在电力系统领域,而在综合能源防护领域的相关研究相对较少.综合能源系统包含多个供能子系统,其运行机制和关键环节与单一的电力系统存在差异,因此无法直接将上述电力系统防护手段直接迁移到综合能源系统中.此外,文献[15 ]中虽然构建了一个面向综合智慧能源系统的安全防护架构,但该架构主要侧重于通信网络安全方面的防护措施,未充分涵盖物理安全方面的防护措施,并且仅从通信网络、安全区域边界、安全计算环境和安全管理中心等方面对该构架采取符合程度的评估,缺乏通过破坏仿真实验来验证架构可靠性的方法. ...
基于复杂网络理论的电力网络抗毁性分析
2
2022
... 针对综合能源系统进行合理的防护是一个复杂且具有挑战性的问题.目前关于能源系统防护的研究主要集中在电力系统领域[6 -8 ] ,涵盖了防护手段和脆弱环节的辨识.常见防护手段包括保护关键环节[9 -10 ] 、增设备用节点[11 ] 、新建网间线路[7 ,12 ] 以及制定故障恢复策略[13 ] 等.此外,文献[14 ]中基于复杂网络理论将多种防护手段相结合,提出分段式电力系统防护策略.然而,以上关于防护手段的研究仍聚焦在电力系统领域,而在综合能源防护领域的相关研究相对较少.综合能源系统包含多个供能子系统,其运行机制和关键环节与单一的电力系统存在差异,因此无法直接将上述电力系统防护手段直接迁移到综合能源系统中.此外,文献[15 ]中虽然构建了一个面向综合智慧能源系统的安全防护架构,但该架构主要侧重于通信网络安全方面的防护措施,未充分涵盖物理安全方面的防护措施,并且仅从通信网络、安全区域边界、安全计算环境和安全管理中心等方面对该构架采取符合程度的评估,缺乏通过破坏仿真实验来验证架构可靠性的方法. ...
... 为更准确地从拓扑结构和能量传输的角度识别综合能源系统中存在脆弱性的系统环节,需要简化各个能源系统之间的连接方式和系统内的组织形式,以便观察系统内的能量流动和整体系统结构.参考电力系统的拓扑简化方法[14 ,28 ] ,将综合能源系统的拓扑简化原则定义如下: ...
Invulnerability analysis of power network based on complex network
2
2022
... 针对综合能源系统进行合理的防护是一个复杂且具有挑战性的问题.目前关于能源系统防护的研究主要集中在电力系统领域[6 -8 ] ,涵盖了防护手段和脆弱环节的辨识.常见防护手段包括保护关键环节[9 -10 ] 、增设备用节点[11 ] 、新建网间线路[7 ,12 ] 以及制定故障恢复策略[13 ] 等.此外,文献[14 ]中基于复杂网络理论将多种防护手段相结合,提出分段式电力系统防护策略.然而,以上关于防护手段的研究仍聚焦在电力系统领域,而在综合能源防护领域的相关研究相对较少.综合能源系统包含多个供能子系统,其运行机制和关键环节与单一的电力系统存在差异,因此无法直接将上述电力系统防护手段直接迁移到综合能源系统中.此外,文献[15 ]中虽然构建了一个面向综合智慧能源系统的安全防护架构,但该架构主要侧重于通信网络安全方面的防护措施,未充分涵盖物理安全方面的防护措施,并且仅从通信网络、安全区域边界、安全计算环境和安全管理中心等方面对该构架采取符合程度的评估,缺乏通过破坏仿真实验来验证架构可靠性的方法. ...
... 为更准确地从拓扑结构和能量传输的角度识别综合能源系统中存在脆弱性的系统环节,需要简化各个能源系统之间的连接方式和系统内的组织形式,以便观察系统内的能量流动和整体系统结构.参考电力系统的拓扑简化方法[14 ,28 ] ,将综合能源系统的拓扑简化原则定义如下: ...
综合智慧能源系统典型构架网络安全防护研究
1
2024
... 针对综合能源系统进行合理的防护是一个复杂且具有挑战性的问题.目前关于能源系统防护的研究主要集中在电力系统领域[6 -8 ] ,涵盖了防护手段和脆弱环节的辨识.常见防护手段包括保护关键环节[9 -10 ] 、增设备用节点[11 ] 、新建网间线路[7 ,12 ] 以及制定故障恢复策略[13 ] 等.此外,文献[14 ]中基于复杂网络理论将多种防护手段相结合,提出分段式电力系统防护策略.然而,以上关于防护手段的研究仍聚焦在电力系统领域,而在综合能源防护领域的相关研究相对较少.综合能源系统包含多个供能子系统,其运行机制和关键环节与单一的电力系统存在差异,因此无法直接将上述电力系统防护手段直接迁移到综合能源系统中.此外,文献[15 ]中虽然构建了一个面向综合智慧能源系统的安全防护架构,但该架构主要侧重于通信网络安全方面的防护措施,未充分涵盖物理安全方面的防护措施,并且仅从通信网络、安全区域边界、安全计算环境和安全管理中心等方面对该构架采取符合程度的评估,缺乏通过破坏仿真实验来验证架构可靠性的方法. ...
Research on network security protection of typical architecture of integrated smart energy system
1
2024
... 针对综合能源系统进行合理的防护是一个复杂且具有挑战性的问题.目前关于能源系统防护的研究主要集中在电力系统领域[6 -8 ] ,涵盖了防护手段和脆弱环节的辨识.常见防护手段包括保护关键环节[9 -10 ] 、增设备用节点[11 ] 、新建网间线路[7 ,12 ] 以及制定故障恢复策略[13 ] 等.此外,文献[14 ]中基于复杂网络理论将多种防护手段相结合,提出分段式电力系统防护策略.然而,以上关于防护手段的研究仍聚焦在电力系统领域,而在综合能源防护领域的相关研究相对较少.综合能源系统包含多个供能子系统,其运行机制和关键环节与单一的电力系统存在差异,因此无法直接将上述电力系统防护手段直接迁移到综合能源系统中.此外,文献[15 ]中虽然构建了一个面向综合智慧能源系统的安全防护架构,但该架构主要侧重于通信网络安全方面的防护措施,未充分涵盖物理安全方面的防护措施,并且仅从通信网络、安全区域边界、安全计算环境和安全管理中心等方面对该构架采取符合程度的评估,缺乏通过破坏仿真实验来验证架构可靠性的方法. ...
A data-driven approach to anomaly detection and vulnerability dynamic analysis for large-scale integrated energy systems
1
2021
... 在电力系统中,脆弱环节包含对系统稳定运行至关重要且易受损的组件,例如关键发电厂、输电线路和变压器等.这些组件在面临恶意攻击或自然破坏时可能发生故障,从而导致电力供应中断或电网不稳定.相比之下,综合能源系统涵盖多种能源类型,其脆弱环节不仅包括各种单一能源的关键易损组件,还包括系统中的能源转换站等耦合设备,这些耦合设备的受损同样会导致多个能源供应链的中断或系统不稳定.目前,已有研究基于复杂网络理论对电力系统和综合能源系统的脆弱环节进行辨识[16 -19 ] .文献[20 ]中详细分析和归纳了国内外关于电力系统脆弱性的研究方法,重点探讨电网拓扑模型的改进和脆弱性指标的建立两个方面,并指出各种改进模型和评估指标的优缺点.文献[21 ] 中提出一种基于复杂网络理论的大型电力系统脆弱性评估算法,并在中国某一区域电网上实际应用,该算法成功辨识了电网的脆弱环节,并详细分析了电网在不同攻击模式下的抗毁性.对于综合能源系统,文献[22 -23 ]中从网络规模、拓扑结构和故障研究机制等角度进行分析,发现综合能源系统具有典型的复杂网络特征,可以运用复杂网络方法来分析其脆弱性.在挪威某个热电耦合系统的研究中,研究者模拟3个及以下元件失效后的级联故障过程,证实可以通过提前保护关键元件避免严重后果[24 -25 ] .此外,文献[23 ,26 ]中验证了电-热-气耦合的综合能源系统具有无标度特性和小世界特性,并比较攻击介数高的节点、攻击度数高的节点、攻击重要度高的节点以及攻击线路这4种基于复杂网络理论的攻击策略对系统的破坏程度,发现耦合设备及其邻居节点的重要性更高.还有研究[25 ,27 ] 分析综合能源系统破碎后孤岛运行的可能性,考虑供能子系统的分区特性和网络节点异质性,精确评估各环节故障对系统的影响,并以此为依据进行脆弱环节辨识.虽然上述工作已经在综合能源系统的脆弱环节辨识方面进行了深入研究,但目前在该领域中鲜有文献涉及脆弱环节防护策略的优化.尽管文献[4 ]中提出一种针对综合能源系统脆弱环节时空分布的短期预测方法,能够预测随着整个系统风险变化所需检查和维护的组件位置,但仍未具体说明检查和维护所采用的方法. ...
A graph-based method for vulnerability analysis of renewable energy integrated power systems to cascading failures
0
2021
Security analysis of integrated energy system under complex network
0
2022
Identification of vulnerable links in integrated energy system based on complex network theory
1
2022
... 在电力系统中,脆弱环节包含对系统稳定运行至关重要且易受损的组件,例如关键发电厂、输电线路和变压器等.这些组件在面临恶意攻击或自然破坏时可能发生故障,从而导致电力供应中断或电网不稳定.相比之下,综合能源系统涵盖多种能源类型,其脆弱环节不仅包括各种单一能源的关键易损组件,还包括系统中的能源转换站等耦合设备,这些耦合设备的受损同样会导致多个能源供应链的中断或系统不稳定.目前,已有研究基于复杂网络理论对电力系统和综合能源系统的脆弱环节进行辨识[16 -19 ] .文献[20 ]中详细分析和归纳了国内外关于电力系统脆弱性的研究方法,重点探讨电网拓扑模型的改进和脆弱性指标的建立两个方面,并指出各种改进模型和评估指标的优缺点.文献[21 ] 中提出一种基于复杂网络理论的大型电力系统脆弱性评估算法,并在中国某一区域电网上实际应用,该算法成功辨识了电网的脆弱环节,并详细分析了电网在不同攻击模式下的抗毁性.对于综合能源系统,文献[22 -23 ]中从网络规模、拓扑结构和故障研究机制等角度进行分析,发现综合能源系统具有典型的复杂网络特征,可以运用复杂网络方法来分析其脆弱性.在挪威某个热电耦合系统的研究中,研究者模拟3个及以下元件失效后的级联故障过程,证实可以通过提前保护关键元件避免严重后果[24 -25 ] .此外,文献[23 ,26 ]中验证了电-热-气耦合的综合能源系统具有无标度特性和小世界特性,并比较攻击介数高的节点、攻击度数高的节点、攻击重要度高的节点以及攻击线路这4种基于复杂网络理论的攻击策略对系统的破坏程度,发现耦合设备及其邻居节点的重要性更高.还有研究[25 ,27 ] 分析综合能源系统破碎后孤岛运行的可能性,考虑供能子系统的分区特性和网络节点异质性,精确评估各环节故障对系统的影响,并以此为依据进行脆弱环节辨识.虽然上述工作已经在综合能源系统的脆弱环节辨识方面进行了深入研究,但目前在该领域中鲜有文献涉及脆弱环节防护策略的优化.尽管文献[4 ]中提出一种针对综合能源系统脆弱环节时空分布的短期预测方法,能够预测随着整个系统风险变化所需检查和维护的组件位置,但仍未具体说明检查和维护所采用的方法. ...
基于复杂网络理论的电力系统脆弱性分析
1
2010
... 在电力系统中,脆弱环节包含对系统稳定运行至关重要且易受损的组件,例如关键发电厂、输电线路和变压器等.这些组件在面临恶意攻击或自然破坏时可能发生故障,从而导致电力供应中断或电网不稳定.相比之下,综合能源系统涵盖多种能源类型,其脆弱环节不仅包括各种单一能源的关键易损组件,还包括系统中的能源转换站等耦合设备,这些耦合设备的受损同样会导致多个能源供应链的中断或系统不稳定.目前,已有研究基于复杂网络理论对电力系统和综合能源系统的脆弱环节进行辨识[16 -19 ] .文献[20 ]中详细分析和归纳了国内外关于电力系统脆弱性的研究方法,重点探讨电网拓扑模型的改进和脆弱性指标的建立两个方面,并指出各种改进模型和评估指标的优缺点.文献[21 ] 中提出一种基于复杂网络理论的大型电力系统脆弱性评估算法,并在中国某一区域电网上实际应用,该算法成功辨识了电网的脆弱环节,并详细分析了电网在不同攻击模式下的抗毁性.对于综合能源系统,文献[22 -23 ]中从网络规模、拓扑结构和故障研究机制等角度进行分析,发现综合能源系统具有典型的复杂网络特征,可以运用复杂网络方法来分析其脆弱性.在挪威某个热电耦合系统的研究中,研究者模拟3个及以下元件失效后的级联故障过程,证实可以通过提前保护关键元件避免严重后果[24 -25 ] .此外,文献[23 ,26 ]中验证了电-热-气耦合的综合能源系统具有无标度特性和小世界特性,并比较攻击介数高的节点、攻击度数高的节点、攻击重要度高的节点以及攻击线路这4种基于复杂网络理论的攻击策略对系统的破坏程度,发现耦合设备及其邻居节点的重要性更高.还有研究[25 ,27 ] 分析综合能源系统破碎后孤岛运行的可能性,考虑供能子系统的分区特性和网络节点异质性,精确评估各环节故障对系统的影响,并以此为依据进行脆弱环节辨识.虽然上述工作已经在综合能源系统的脆弱环节辨识方面进行了深入研究,但目前在该领域中鲜有文献涉及脆弱环节防护策略的优化.尽管文献[4 ]中提出一种针对综合能源系统脆弱环节时空分布的短期预测方法,能够预测随着整个系统风险变化所需检查和维护的组件位置,但仍未具体说明检查和维护所采用的方法. ...
Analysis of power system vulnerability based on complex network theory
1
2010
... 在电力系统中,脆弱环节包含对系统稳定运行至关重要且易受损的组件,例如关键发电厂、输电线路和变压器等.这些组件在面临恶意攻击或自然破坏时可能发生故障,从而导致电力供应中断或电网不稳定.相比之下,综合能源系统涵盖多种能源类型,其脆弱环节不仅包括各种单一能源的关键易损组件,还包括系统中的能源转换站等耦合设备,这些耦合设备的受损同样会导致多个能源供应链的中断或系统不稳定.目前,已有研究基于复杂网络理论对电力系统和综合能源系统的脆弱环节进行辨识[16 -19 ] .文献[20 ]中详细分析和归纳了国内外关于电力系统脆弱性的研究方法,重点探讨电网拓扑模型的改进和脆弱性指标的建立两个方面,并指出各种改进模型和评估指标的优缺点.文献[21 ] 中提出一种基于复杂网络理论的大型电力系统脆弱性评估算法,并在中国某一区域电网上实际应用,该算法成功辨识了电网的脆弱环节,并详细分析了电网在不同攻击模式下的抗毁性.对于综合能源系统,文献[22 -23 ]中从网络规模、拓扑结构和故障研究机制等角度进行分析,发现综合能源系统具有典型的复杂网络特征,可以运用复杂网络方法来分析其脆弱性.在挪威某个热电耦合系统的研究中,研究者模拟3个及以下元件失效后的级联故障过程,证实可以通过提前保护关键元件避免严重后果[24 -25 ] .此外,文献[23 ,26 ]中验证了电-热-气耦合的综合能源系统具有无标度特性和小世界特性,并比较攻击介数高的节点、攻击度数高的节点、攻击重要度高的节点以及攻击线路这4种基于复杂网络理论的攻击策略对系统的破坏程度,发现耦合设备及其邻居节点的重要性更高.还有研究[25 ,27 ] 分析综合能源系统破碎后孤岛运行的可能性,考虑供能子系统的分区特性和网络节点异质性,精确评估各环节故障对系统的影响,并以此为依据进行脆弱环节辨识.虽然上述工作已经在综合能源系统的脆弱环节辨识方面进行了深入研究,但目前在该领域中鲜有文献涉及脆弱环节防护策略的优化.尽管文献[4 ]中提出一种针对综合能源系统脆弱环节时空分布的短期预测方法,能够预测随着整个系统风险变化所需检查和维护的组件位置,但仍未具体说明检查和维护所采用的方法. ...
基于有向权重图和复杂网络理论的大型电力系统脆弱性评估
1
2009
... 在电力系统中,脆弱环节包含对系统稳定运行至关重要且易受损的组件,例如关键发电厂、输电线路和变压器等.这些组件在面临恶意攻击或自然破坏时可能发生故障,从而导致电力供应中断或电网不稳定.相比之下,综合能源系统涵盖多种能源类型,其脆弱环节不仅包括各种单一能源的关键易损组件,还包括系统中的能源转换站等耦合设备,这些耦合设备的受损同样会导致多个能源供应链的中断或系统不稳定.目前,已有研究基于复杂网络理论对电力系统和综合能源系统的脆弱环节进行辨识[16 -19 ] .文献[20 ]中详细分析和归纳了国内外关于电力系统脆弱性的研究方法,重点探讨电网拓扑模型的改进和脆弱性指标的建立两个方面,并指出各种改进模型和评估指标的优缺点.文献[21 ] 中提出一种基于复杂网络理论的大型电力系统脆弱性评估算法,并在中国某一区域电网上实际应用,该算法成功辨识了电网的脆弱环节,并详细分析了电网在不同攻击模式下的抗毁性.对于综合能源系统,文献[22 -23 ]中从网络规模、拓扑结构和故障研究机制等角度进行分析,发现综合能源系统具有典型的复杂网络特征,可以运用复杂网络方法来分析其脆弱性.在挪威某个热电耦合系统的研究中,研究者模拟3个及以下元件失效后的级联故障过程,证实可以通过提前保护关键元件避免严重后果[24 -25 ] .此外,文献[23 ,26 ]中验证了电-热-气耦合的综合能源系统具有无标度特性和小世界特性,并比较攻击介数高的节点、攻击度数高的节点、攻击重要度高的节点以及攻击线路这4种基于复杂网络理论的攻击策略对系统的破坏程度,发现耦合设备及其邻居节点的重要性更高.还有研究[25 ,27 ] 分析综合能源系统破碎后孤岛运行的可能性,考虑供能子系统的分区特性和网络节点异质性,精确评估各环节故障对系统的影响,并以此为依据进行脆弱环节辨识.虽然上述工作已经在综合能源系统的脆弱环节辨识方面进行了深入研究,但目前在该领域中鲜有文献涉及脆弱环节防护策略的优化.尽管文献[4 ]中提出一种针对综合能源系统脆弱环节时空分布的短期预测方法,能够预测随着整个系统风险变化所需检查和维护的组件位置,但仍未具体说明检查和维护所采用的方法. ...
Vulnerability assessment of bulk power grid based on weighted directional graph and complex network theory
1
2009
... 在电力系统中,脆弱环节包含对系统稳定运行至关重要且易受损的组件,例如关键发电厂、输电线路和变压器等.这些组件在面临恶意攻击或自然破坏时可能发生故障,从而导致电力供应中断或电网不稳定.相比之下,综合能源系统涵盖多种能源类型,其脆弱环节不仅包括各种单一能源的关键易损组件,还包括系统中的能源转换站等耦合设备,这些耦合设备的受损同样会导致多个能源供应链的中断或系统不稳定.目前,已有研究基于复杂网络理论对电力系统和综合能源系统的脆弱环节进行辨识[16 -19 ] .文献[20 ]中详细分析和归纳了国内外关于电力系统脆弱性的研究方法,重点探讨电网拓扑模型的改进和脆弱性指标的建立两个方面,并指出各种改进模型和评估指标的优缺点.文献[21 ] 中提出一种基于复杂网络理论的大型电力系统脆弱性评估算法,并在中国某一区域电网上实际应用,该算法成功辨识了电网的脆弱环节,并详细分析了电网在不同攻击模式下的抗毁性.对于综合能源系统,文献[22 -23 ]中从网络规模、拓扑结构和故障研究机制等角度进行分析,发现综合能源系统具有典型的复杂网络特征,可以运用复杂网络方法来分析其脆弱性.在挪威某个热电耦合系统的研究中,研究者模拟3个及以下元件失效后的级联故障过程,证实可以通过提前保护关键元件避免严重后果[24 -25 ] .此外,文献[23 ,26 ]中验证了电-热-气耦合的综合能源系统具有无标度特性和小世界特性,并比较攻击介数高的节点、攻击度数高的节点、攻击重要度高的节点以及攻击线路这4种基于复杂网络理论的攻击策略对系统的破坏程度,发现耦合设备及其邻居节点的重要性更高.还有研究[25 ,27 ] 分析综合能源系统破碎后孤岛运行的可能性,考虑供能子系统的分区特性和网络节点异质性,精确评估各环节故障对系统的影响,并以此为依据进行脆弱环节辨识.虽然上述工作已经在综合能源系统的脆弱环节辨识方面进行了深入研究,但目前在该领域中鲜有文献涉及脆弱环节防护策略的优化.尽管文献[4 ]中提出一种针对综合能源系统脆弱环节时空分布的短期预测方法,能够预测随着整个系统风险变化所需检查和维护的组件位置,但仍未具体说明检查和维护所采用的方法. ...
能源互联网风险评估研究综述(一): 物理层面
1
2016
... 在电力系统中,脆弱环节包含对系统稳定运行至关重要且易受损的组件,例如关键发电厂、输电线路和变压器等.这些组件在面临恶意攻击或自然破坏时可能发生故障,从而导致电力供应中断或电网不稳定.相比之下,综合能源系统涵盖多种能源类型,其脆弱环节不仅包括各种单一能源的关键易损组件,还包括系统中的能源转换站等耦合设备,这些耦合设备的受损同样会导致多个能源供应链的中断或系统不稳定.目前,已有研究基于复杂网络理论对电力系统和综合能源系统的脆弱环节进行辨识[16 -19 ] .文献[20 ]中详细分析和归纳了国内外关于电力系统脆弱性的研究方法,重点探讨电网拓扑模型的改进和脆弱性指标的建立两个方面,并指出各种改进模型和评估指标的优缺点.文献[21 ] 中提出一种基于复杂网络理论的大型电力系统脆弱性评估算法,并在中国某一区域电网上实际应用,该算法成功辨识了电网的脆弱环节,并详细分析了电网在不同攻击模式下的抗毁性.对于综合能源系统,文献[22 -23 ]中从网络规模、拓扑结构和故障研究机制等角度进行分析,发现综合能源系统具有典型的复杂网络特征,可以运用复杂网络方法来分析其脆弱性.在挪威某个热电耦合系统的研究中,研究者模拟3个及以下元件失效后的级联故障过程,证实可以通过提前保护关键元件避免严重后果[24 -25 ] .此外,文献[23 ,26 ]中验证了电-热-气耦合的综合能源系统具有无标度特性和小世界特性,并比较攻击介数高的节点、攻击度数高的节点、攻击重要度高的节点以及攻击线路这4种基于复杂网络理论的攻击策略对系统的破坏程度,发现耦合设备及其邻居节点的重要性更高.还有研究[25 ,27 ] 分析综合能源系统破碎后孤岛运行的可能性,考虑供能子系统的分区特性和网络节点异质性,精确评估各环节故障对系统的影响,并以此为依据进行脆弱环节辨识.虽然上述工作已经在综合能源系统的脆弱环节辨识方面进行了深入研究,但目前在该领域中鲜有文献涉及脆弱环节防护策略的优化.尽管文献[4 ]中提出一种针对综合能源系统脆弱环节时空分布的短期预测方法,能够预测随着整个系统风险变化所需检查和维护的组件位置,但仍未具体说明检查和维护所采用的方法. ...
Review of risk assessment for energy Internet, part Ⅰ: Physical level
1
2016
... 在电力系统中,脆弱环节包含对系统稳定运行至关重要且易受损的组件,例如关键发电厂、输电线路和变压器等.这些组件在面临恶意攻击或自然破坏时可能发生故障,从而导致电力供应中断或电网不稳定.相比之下,综合能源系统涵盖多种能源类型,其脆弱环节不仅包括各种单一能源的关键易损组件,还包括系统中的能源转换站等耦合设备,这些耦合设备的受损同样会导致多个能源供应链的中断或系统不稳定.目前,已有研究基于复杂网络理论对电力系统和综合能源系统的脆弱环节进行辨识[16 -19 ] .文献[20 ]中详细分析和归纳了国内外关于电力系统脆弱性的研究方法,重点探讨电网拓扑模型的改进和脆弱性指标的建立两个方面,并指出各种改进模型和评估指标的优缺点.文献[21 ] 中提出一种基于复杂网络理论的大型电力系统脆弱性评估算法,并在中国某一区域电网上实际应用,该算法成功辨识了电网的脆弱环节,并详细分析了电网在不同攻击模式下的抗毁性.对于综合能源系统,文献[22 -23 ]中从网络规模、拓扑结构和故障研究机制等角度进行分析,发现综合能源系统具有典型的复杂网络特征,可以运用复杂网络方法来分析其脆弱性.在挪威某个热电耦合系统的研究中,研究者模拟3个及以下元件失效后的级联故障过程,证实可以通过提前保护关键元件避免严重后果[24 -25 ] .此外,文献[23 ,26 ]中验证了电-热-气耦合的综合能源系统具有无标度特性和小世界特性,并比较攻击介数高的节点、攻击度数高的节点、攻击重要度高的节点以及攻击线路这4种基于复杂网络理论的攻击策略对系统的破坏程度,发现耦合设备及其邻居节点的重要性更高.还有研究[25 ,27 ] 分析综合能源系统破碎后孤岛运行的可能性,考虑供能子系统的分区特性和网络节点异质性,精确评估各环节故障对系统的影响,并以此为依据进行脆弱环节辨识.虽然上述工作已经在综合能源系统的脆弱环节辨识方面进行了深入研究,但目前在该领域中鲜有文献涉及脆弱环节防护策略的优化.尽管文献[4 ]中提出一种针对综合能源系统脆弱环节时空分布的短期预测方法,能够预测随着整个系统风险变化所需检查和维护的组件位置,但仍未具体说明检查和维护所采用的方法. ...
基于复杂网络的电-气-热综合能源系统健壮性分析
2
2019
... 在电力系统中,脆弱环节包含对系统稳定运行至关重要且易受损的组件,例如关键发电厂、输电线路和变压器等.这些组件在面临恶意攻击或自然破坏时可能发生故障,从而导致电力供应中断或电网不稳定.相比之下,综合能源系统涵盖多种能源类型,其脆弱环节不仅包括各种单一能源的关键易损组件,还包括系统中的能源转换站等耦合设备,这些耦合设备的受损同样会导致多个能源供应链的中断或系统不稳定.目前,已有研究基于复杂网络理论对电力系统和综合能源系统的脆弱环节进行辨识[16 -19 ] .文献[20 ]中详细分析和归纳了国内外关于电力系统脆弱性的研究方法,重点探讨电网拓扑模型的改进和脆弱性指标的建立两个方面,并指出各种改进模型和评估指标的优缺点.文献[21 ] 中提出一种基于复杂网络理论的大型电力系统脆弱性评估算法,并在中国某一区域电网上实际应用,该算法成功辨识了电网的脆弱环节,并详细分析了电网在不同攻击模式下的抗毁性.对于综合能源系统,文献[22 -23 ]中从网络规模、拓扑结构和故障研究机制等角度进行分析,发现综合能源系统具有典型的复杂网络特征,可以运用复杂网络方法来分析其脆弱性.在挪威某个热电耦合系统的研究中,研究者模拟3个及以下元件失效后的级联故障过程,证实可以通过提前保护关键元件避免严重后果[24 -25 ] .此外,文献[23 ,26 ]中验证了电-热-气耦合的综合能源系统具有无标度特性和小世界特性,并比较攻击介数高的节点、攻击度数高的节点、攻击重要度高的节点以及攻击线路这4种基于复杂网络理论的攻击策略对系统的破坏程度,发现耦合设备及其邻居节点的重要性更高.还有研究[25 ,27 ] 分析综合能源系统破碎后孤岛运行的可能性,考虑供能子系统的分区特性和网络节点异质性,精确评估各环节故障对系统的影响,并以此为依据进行脆弱环节辨识.虽然上述工作已经在综合能源系统的脆弱环节辨识方面进行了深入研究,但目前在该领域中鲜有文献涉及脆弱环节防护策略的优化.尽管文献[4 ]中提出一种针对综合能源系统脆弱环节时空分布的短期预测方法,能够预测随着整个系统风险变化所需检查和维护的组件位置,但仍未具体说明检查和维护所采用的方法. ...
... .此外,文献[23 ,26 ]中验证了电-热-气耦合的综合能源系统具有无标度特性和小世界特性,并比较攻击介数高的节点、攻击度数高的节点、攻击重要度高的节点以及攻击线路这4种基于复杂网络理论的攻击策略对系统的破坏程度,发现耦合设备及其邻居节点的重要性更高.还有研究[25 ,27 ] 分析综合能源系统破碎后孤岛运行的可能性,考虑供能子系统的分区特性和网络节点异质性,精确评估各环节故障对系统的影响,并以此为依据进行脆弱环节辨识.虽然上述工作已经在综合能源系统的脆弱环节辨识方面进行了深入研究,但目前在该领域中鲜有文献涉及脆弱环节防护策略的优化.尽管文献[4 ]中提出一种针对综合能源系统脆弱环节时空分布的短期预测方法,能够预测随着整个系统风险变化所需检查和维护的组件位置,但仍未具体说明检查和维护所采用的方法. ...
Robustness analysis of electricity-gas-heat integrated energy system based on complex network
2
2019
... 在电力系统中,脆弱环节包含对系统稳定运行至关重要且易受损的组件,例如关键发电厂、输电线路和变压器等.这些组件在面临恶意攻击或自然破坏时可能发生故障,从而导致电力供应中断或电网不稳定.相比之下,综合能源系统涵盖多种能源类型,其脆弱环节不仅包括各种单一能源的关键易损组件,还包括系统中的能源转换站等耦合设备,这些耦合设备的受损同样会导致多个能源供应链的中断或系统不稳定.目前,已有研究基于复杂网络理论对电力系统和综合能源系统的脆弱环节进行辨识[16 -19 ] .文献[20 ]中详细分析和归纳了国内外关于电力系统脆弱性的研究方法,重点探讨电网拓扑模型的改进和脆弱性指标的建立两个方面,并指出各种改进模型和评估指标的优缺点.文献[21 ] 中提出一种基于复杂网络理论的大型电力系统脆弱性评估算法,并在中国某一区域电网上实际应用,该算法成功辨识了电网的脆弱环节,并详细分析了电网在不同攻击模式下的抗毁性.对于综合能源系统,文献[22 -23 ]中从网络规模、拓扑结构和故障研究机制等角度进行分析,发现综合能源系统具有典型的复杂网络特征,可以运用复杂网络方法来分析其脆弱性.在挪威某个热电耦合系统的研究中,研究者模拟3个及以下元件失效后的级联故障过程,证实可以通过提前保护关键元件避免严重后果[24 -25 ] .此外,文献[23 ,26 ]中验证了电-热-气耦合的综合能源系统具有无标度特性和小世界特性,并比较攻击介数高的节点、攻击度数高的节点、攻击重要度高的节点以及攻击线路这4种基于复杂网络理论的攻击策略对系统的破坏程度,发现耦合设备及其邻居节点的重要性更高.还有研究[25 ,27 ] 分析综合能源系统破碎后孤岛运行的可能性,考虑供能子系统的分区特性和网络节点异质性,精确评估各环节故障对系统的影响,并以此为依据进行脆弱环节辨识.虽然上述工作已经在综合能源系统的脆弱环节辨识方面进行了深入研究,但目前在该领域中鲜有文献涉及脆弱环节防护策略的优化.尽管文献[4 ]中提出一种针对综合能源系统脆弱环节时空分布的短期预测方法,能够预测随着整个系统风险变化所需检查和维护的组件位置,但仍未具体说明检查和维护所采用的方法. ...
... .此外,文献[23 ,26 ]中验证了电-热-气耦合的综合能源系统具有无标度特性和小世界特性,并比较攻击介数高的节点、攻击度数高的节点、攻击重要度高的节点以及攻击线路这4种基于复杂网络理论的攻击策略对系统的破坏程度,发现耦合设备及其邻居节点的重要性更高.还有研究[25 ,27 ] 分析综合能源系统破碎后孤岛运行的可能性,考虑供能子系统的分区特性和网络节点异质性,精确评估各环节故障对系统的影响,并以此为依据进行脆弱环节辨识.虽然上述工作已经在综合能源系统的脆弱环节辨识方面进行了深入研究,但目前在该领域中鲜有文献涉及脆弱环节防护策略的优化.尽管文献[4 ]中提出一种针对综合能源系统脆弱环节时空分布的短期预测方法,能够预测随着整个系统风险变化所需检查和维护的组件位置,但仍未具体说明检查和维护所采用的方法. ...
Structural vulnerability assessment of multi-energy system using a PageRank algorithm
1
2019
... 在电力系统中,脆弱环节包含对系统稳定运行至关重要且易受损的组件,例如关键发电厂、输电线路和变压器等.这些组件在面临恶意攻击或自然破坏时可能发生故障,从而导致电力供应中断或电网不稳定.相比之下,综合能源系统涵盖多种能源类型,其脆弱环节不仅包括各种单一能源的关键易损组件,还包括系统中的能源转换站等耦合设备,这些耦合设备的受损同样会导致多个能源供应链的中断或系统不稳定.目前,已有研究基于复杂网络理论对电力系统和综合能源系统的脆弱环节进行辨识[16 -19 ] .文献[20 ]中详细分析和归纳了国内外关于电力系统脆弱性的研究方法,重点探讨电网拓扑模型的改进和脆弱性指标的建立两个方面,并指出各种改进模型和评估指标的优缺点.文献[21 ] 中提出一种基于复杂网络理论的大型电力系统脆弱性评估算法,并在中国某一区域电网上实际应用,该算法成功辨识了电网的脆弱环节,并详细分析了电网在不同攻击模式下的抗毁性.对于综合能源系统,文献[22 -23 ]中从网络规模、拓扑结构和故障研究机制等角度进行分析,发现综合能源系统具有典型的复杂网络特征,可以运用复杂网络方法来分析其脆弱性.在挪威某个热电耦合系统的研究中,研究者模拟3个及以下元件失效后的级联故障过程,证实可以通过提前保护关键元件避免严重后果[24 -25 ] .此外,文献[23 ,26 ]中验证了电-热-气耦合的综合能源系统具有无标度特性和小世界特性,并比较攻击介数高的节点、攻击度数高的节点、攻击重要度高的节点以及攻击线路这4种基于复杂网络理论的攻击策略对系统的破坏程度,发现耦合设备及其邻居节点的重要性更高.还有研究[25 ,27 ] 分析综合能源系统破碎后孤岛运行的可能性,考虑供能子系统的分区特性和网络节点异质性,精确评估各环节故障对系统的影响,并以此为依据进行脆弱环节辨识.虽然上述工作已经在综合能源系统的脆弱环节辨识方面进行了深入研究,但目前在该领域中鲜有文献涉及脆弱环节防护策略的优化.尽管文献[4 ]中提出一种针对综合能源系统脆弱环节时空分布的短期预测方法,能够预测随着整个系统风险变化所需检查和维护的组件位置,但仍未具体说明检查和维护所采用的方法. ...
A novel index for assessing the robustness of integrated electrical network and a natural gas network
2
2018
... 在电力系统中,脆弱环节包含对系统稳定运行至关重要且易受损的组件,例如关键发电厂、输电线路和变压器等.这些组件在面临恶意攻击或自然破坏时可能发生故障,从而导致电力供应中断或电网不稳定.相比之下,综合能源系统涵盖多种能源类型,其脆弱环节不仅包括各种单一能源的关键易损组件,还包括系统中的能源转换站等耦合设备,这些耦合设备的受损同样会导致多个能源供应链的中断或系统不稳定.目前,已有研究基于复杂网络理论对电力系统和综合能源系统的脆弱环节进行辨识[16 -19 ] .文献[20 ]中详细分析和归纳了国内外关于电力系统脆弱性的研究方法,重点探讨电网拓扑模型的改进和脆弱性指标的建立两个方面,并指出各种改进模型和评估指标的优缺点.文献[21 ] 中提出一种基于复杂网络理论的大型电力系统脆弱性评估算法,并在中国某一区域电网上实际应用,该算法成功辨识了电网的脆弱环节,并详细分析了电网在不同攻击模式下的抗毁性.对于综合能源系统,文献[22 -23 ]中从网络规模、拓扑结构和故障研究机制等角度进行分析,发现综合能源系统具有典型的复杂网络特征,可以运用复杂网络方法来分析其脆弱性.在挪威某个热电耦合系统的研究中,研究者模拟3个及以下元件失效后的级联故障过程,证实可以通过提前保护关键元件避免严重后果[24 -25 ] .此外,文献[23 ,26 ]中验证了电-热-气耦合的综合能源系统具有无标度特性和小世界特性,并比较攻击介数高的节点、攻击度数高的节点、攻击重要度高的节点以及攻击线路这4种基于复杂网络理论的攻击策略对系统的破坏程度,发现耦合设备及其邻居节点的重要性更高.还有研究[25 ,27 ] 分析综合能源系统破碎后孤岛运行的可能性,考虑供能子系统的分区特性和网络节点异质性,精确评估各环节故障对系统的影响,并以此为依据进行脆弱环节辨识.虽然上述工作已经在综合能源系统的脆弱环节辨识方面进行了深入研究,但目前在该领域中鲜有文献涉及脆弱环节防护策略的优化.尽管文献[4 ]中提出一种针对综合能源系统脆弱环节时空分布的短期预测方法,能够预测随着整个系统风险变化所需检查和维护的组件位置,但仍未具体说明检查和维护所采用的方法. ...
... [25 ,27 ]分析综合能源系统破碎后孤岛运行的可能性,考虑供能子系统的分区特性和网络节点异质性,精确评估各环节故障对系统的影响,并以此为依据进行脆弱环节辨识.虽然上述工作已经在综合能源系统的脆弱环节辨识方面进行了深入研究,但目前在该领域中鲜有文献涉及脆弱环节防护策略的优化.尽管文献[4 ]中提出一种针对综合能源系统脆弱环节时空分布的短期预测方法,能够预测随着整个系统风险变化所需检查和维护的组件位置,但仍未具体说明检查和维护所采用的方法. ...
基于攻击者视角的电力信息物理融合系统脆弱性分析
1
2018
... 在电力系统中,脆弱环节包含对系统稳定运行至关重要且易受损的组件,例如关键发电厂、输电线路和变压器等.这些组件在面临恶意攻击或自然破坏时可能发生故障,从而导致电力供应中断或电网不稳定.相比之下,综合能源系统涵盖多种能源类型,其脆弱环节不仅包括各种单一能源的关键易损组件,还包括系统中的能源转换站等耦合设备,这些耦合设备的受损同样会导致多个能源供应链的中断或系统不稳定.目前,已有研究基于复杂网络理论对电力系统和综合能源系统的脆弱环节进行辨识[16 -19 ] .文献[20 ]中详细分析和归纳了国内外关于电力系统脆弱性的研究方法,重点探讨电网拓扑模型的改进和脆弱性指标的建立两个方面,并指出各种改进模型和评估指标的优缺点.文献[21 ] 中提出一种基于复杂网络理论的大型电力系统脆弱性评估算法,并在中国某一区域电网上实际应用,该算法成功辨识了电网的脆弱环节,并详细分析了电网在不同攻击模式下的抗毁性.对于综合能源系统,文献[22 -23 ]中从网络规模、拓扑结构和故障研究机制等角度进行分析,发现综合能源系统具有典型的复杂网络特征,可以运用复杂网络方法来分析其脆弱性.在挪威某个热电耦合系统的研究中,研究者模拟3个及以下元件失效后的级联故障过程,证实可以通过提前保护关键元件避免严重后果[24 -25 ] .此外,文献[23 ,26 ]中验证了电-热-气耦合的综合能源系统具有无标度特性和小世界特性,并比较攻击介数高的节点、攻击度数高的节点、攻击重要度高的节点以及攻击线路这4种基于复杂网络理论的攻击策略对系统的破坏程度,发现耦合设备及其邻居节点的重要性更高.还有研究[25 ,27 ] 分析综合能源系统破碎后孤岛运行的可能性,考虑供能子系统的分区特性和网络节点异质性,精确评估各环节故障对系统的影响,并以此为依据进行脆弱环节辨识.虽然上述工作已经在综合能源系统的脆弱环节辨识方面进行了深入研究,但目前在该领域中鲜有文献涉及脆弱环节防护策略的优化.尽管文献[4 ]中提出一种针对综合能源系统脆弱环节时空分布的短期预测方法,能够预测随着整个系统风险变化所需检查和维护的组件位置,但仍未具体说明检查和维护所采用的方法. ...
Vulnerability analysis of cyber physical power system from attacker’s perspective
1
2018
... 在电力系统中,脆弱环节包含对系统稳定运行至关重要且易受损的组件,例如关键发电厂、输电线路和变压器等.这些组件在面临恶意攻击或自然破坏时可能发生故障,从而导致电力供应中断或电网不稳定.相比之下,综合能源系统涵盖多种能源类型,其脆弱环节不仅包括各种单一能源的关键易损组件,还包括系统中的能源转换站等耦合设备,这些耦合设备的受损同样会导致多个能源供应链的中断或系统不稳定.目前,已有研究基于复杂网络理论对电力系统和综合能源系统的脆弱环节进行辨识[16 -19 ] .文献[20 ]中详细分析和归纳了国内外关于电力系统脆弱性的研究方法,重点探讨电网拓扑模型的改进和脆弱性指标的建立两个方面,并指出各种改进模型和评估指标的优缺点.文献[21 ] 中提出一种基于复杂网络理论的大型电力系统脆弱性评估算法,并在中国某一区域电网上实际应用,该算法成功辨识了电网的脆弱环节,并详细分析了电网在不同攻击模式下的抗毁性.对于综合能源系统,文献[22 -23 ]中从网络规模、拓扑结构和故障研究机制等角度进行分析,发现综合能源系统具有典型的复杂网络特征,可以运用复杂网络方法来分析其脆弱性.在挪威某个热电耦合系统的研究中,研究者模拟3个及以下元件失效后的级联故障过程,证实可以通过提前保护关键元件避免严重后果[24 -25 ] .此外,文献[23 ,26 ]中验证了电-热-气耦合的综合能源系统具有无标度特性和小世界特性,并比较攻击介数高的节点、攻击度数高的节点、攻击重要度高的节点以及攻击线路这4种基于复杂网络理论的攻击策略对系统的破坏程度,发现耦合设备及其邻居节点的重要性更高.还有研究[25 ,27 ] 分析综合能源系统破碎后孤岛运行的可能性,考虑供能子系统的分区特性和网络节点异质性,精确评估各环节故障对系统的影响,并以此为依据进行脆弱环节辨识.虽然上述工作已经在综合能源系统的脆弱环节辨识方面进行了深入研究,但目前在该领域中鲜有文献涉及脆弱环节防护策略的优化.尽管文献[4 ]中提出一种针对综合能源系统脆弱环节时空分布的短期预测方法,能够预测随着整个系统风险变化所需检查和维护的组件位置,但仍未具体说明检查和维护所采用的方法. ...
考虑信息物理融合的电网脆弱社团评估方法
1
2017
... 在电力系统中,脆弱环节包含对系统稳定运行至关重要且易受损的组件,例如关键发电厂、输电线路和变压器等.这些组件在面临恶意攻击或自然破坏时可能发生故障,从而导致电力供应中断或电网不稳定.相比之下,综合能源系统涵盖多种能源类型,其脆弱环节不仅包括各种单一能源的关键易损组件,还包括系统中的能源转换站等耦合设备,这些耦合设备的受损同样会导致多个能源供应链的中断或系统不稳定.目前,已有研究基于复杂网络理论对电力系统和综合能源系统的脆弱环节进行辨识[16 -19 ] .文献[20 ]中详细分析和归纳了国内外关于电力系统脆弱性的研究方法,重点探讨电网拓扑模型的改进和脆弱性指标的建立两个方面,并指出各种改进模型和评估指标的优缺点.文献[21 ] 中提出一种基于复杂网络理论的大型电力系统脆弱性评估算法,并在中国某一区域电网上实际应用,该算法成功辨识了电网的脆弱环节,并详细分析了电网在不同攻击模式下的抗毁性.对于综合能源系统,文献[22 -23 ]中从网络规模、拓扑结构和故障研究机制等角度进行分析,发现综合能源系统具有典型的复杂网络特征,可以运用复杂网络方法来分析其脆弱性.在挪威某个热电耦合系统的研究中,研究者模拟3个及以下元件失效后的级联故障过程,证实可以通过提前保护关键元件避免严重后果[24 -25 ] .此外,文献[23 ,26 ]中验证了电-热-气耦合的综合能源系统具有无标度特性和小世界特性,并比较攻击介数高的节点、攻击度数高的节点、攻击重要度高的节点以及攻击线路这4种基于复杂网络理论的攻击策略对系统的破坏程度,发现耦合设备及其邻居节点的重要性更高.还有研究[25 ,27 ] 分析综合能源系统破碎后孤岛运行的可能性,考虑供能子系统的分区特性和网络节点异质性,精确评估各环节故障对系统的影响,并以此为依据进行脆弱环节辨识.虽然上述工作已经在综合能源系统的脆弱环节辨识方面进行了深入研究,但目前在该领域中鲜有文献涉及脆弱环节防护策略的优化.尽管文献[4 ]中提出一种针对综合能源系统脆弱环节时空分布的短期预测方法,能够预测随着整个系统风险变化所需检查和维护的组件位置,但仍未具体说明检查和维护所采用的方法. ...
Assessment method of vulnerable communities in power grid considering cyber-physical integration
1
2017
... 在电力系统中,脆弱环节包含对系统稳定运行至关重要且易受损的组件,例如关键发电厂、输电线路和变压器等.这些组件在面临恶意攻击或自然破坏时可能发生故障,从而导致电力供应中断或电网不稳定.相比之下,综合能源系统涵盖多种能源类型,其脆弱环节不仅包括各种单一能源的关键易损组件,还包括系统中的能源转换站等耦合设备,这些耦合设备的受损同样会导致多个能源供应链的中断或系统不稳定.目前,已有研究基于复杂网络理论对电力系统和综合能源系统的脆弱环节进行辨识[16 -19 ] .文献[20 ]中详细分析和归纳了国内外关于电力系统脆弱性的研究方法,重点探讨电网拓扑模型的改进和脆弱性指标的建立两个方面,并指出各种改进模型和评估指标的优缺点.文献[21 ] 中提出一种基于复杂网络理论的大型电力系统脆弱性评估算法,并在中国某一区域电网上实际应用,该算法成功辨识了电网的脆弱环节,并详细分析了电网在不同攻击模式下的抗毁性.对于综合能源系统,文献[22 -23 ]中从网络规模、拓扑结构和故障研究机制等角度进行分析,发现综合能源系统具有典型的复杂网络特征,可以运用复杂网络方法来分析其脆弱性.在挪威某个热电耦合系统的研究中,研究者模拟3个及以下元件失效后的级联故障过程,证实可以通过提前保护关键元件避免严重后果[24 -25 ] .此外,文献[23 ,26 ]中验证了电-热-气耦合的综合能源系统具有无标度特性和小世界特性,并比较攻击介数高的节点、攻击度数高的节点、攻击重要度高的节点以及攻击线路这4种基于复杂网络理论的攻击策略对系统的破坏程度,发现耦合设备及其邻居节点的重要性更高.还有研究[25 ,27 ] 分析综合能源系统破碎后孤岛运行的可能性,考虑供能子系统的分区特性和网络节点异质性,精确评估各环节故障对系统的影响,并以此为依据进行脆弱环节辨识.虽然上述工作已经在综合能源系统的脆弱环节辨识方面进行了深入研究,但目前在该领域中鲜有文献涉及脆弱环节防护策略的优化.尽管文献[4 ]中提出一种针对综合能源系统脆弱环节时空分布的短期预测方法,能够预测随着整个系统风险变化所需检查和维护的组件位置,但仍未具体说明检查和维护所采用的方法. ...
基于冗余度的复杂网络抗毁性及节点重要度评估模型
1
2020
... 为更准确地从拓扑结构和能量传输的角度识别综合能源系统中存在脆弱性的系统环节,需要简化各个能源系统之间的连接方式和系统内的组织形式,以便观察系统内的能量流动和整体系统结构.参考电力系统的拓扑简化方法[14 ,28 ] ,将综合能源系统的拓扑简化原则定义如下: ...
Complex network invulnerability and node importance evaluation model based on redundancy
1
2020
... 为更准确地从拓扑结构和能量传输的角度识别综合能源系统中存在脆弱性的系统环节,需要简化各个能源系统之间的连接方式和系统内的组织形式,以便观察系统内的能量流动和整体系统结构.参考电力系统的拓扑简化方法[14 ,28 ] ,将综合能源系统的拓扑简化原则定义如下: ...
Assessing the impact of cybersecurity attacks on energy systems
1
2023
... 综合能源系统在满足人类实际生产活动所需能源的同时,一旦受到外部攻击或破坏将会对社会经济造成巨大影响.近年来一系列的能源系统破坏事件,如挪威Ryuk勒索软件攻击、美国Colonial Pipeline网络攻击[29 ] 、澳大利亚的干旱和高温天气以及得克萨斯的冬季风暴[30 ] 等,均凸显了应对潜在破坏的紧迫性.因此将所提方法广泛应用于国内不同规模和类型的实际综合能源系统,例如天津大学滨海工业研究院的综合能源示范工程[31 ] 、南方电网的燃气轮机冷电连供微电网和西电的综合能源智慧服务系统等,有望提高这些系统在面临潜在的蓄意攻击和自然破坏时的韧性和持续供能能力. ...
欧洲能源危机成因、影响与应对措施
1
2023
... 综合能源系统在满足人类实际生产活动所需能源的同时,一旦受到外部攻击或破坏将会对社会经济造成巨大影响.近年来一系列的能源系统破坏事件,如挪威Ryuk勒索软件攻击、美国Colonial Pipeline网络攻击[29 ] 、澳大利亚的干旱和高温天气以及得克萨斯的冬季风暴[30 ] 等,均凸显了应对潜在破坏的紧迫性.因此将所提方法广泛应用于国内不同规模和类型的实际综合能源系统,例如天津大学滨海工业研究院的综合能源示范工程[31 ] 、南方电网的燃气轮机冷电连供微电网和西电的综合能源智慧服务系统等,有望提高这些系统在面临潜在的蓄意攻击和自然破坏时的韧性和持续供能能力. ...
Causes, impacts and mitigation measures of European energy crisis
1
2023
... 综合能源系统在满足人类实际生产活动所需能源的同时,一旦受到外部攻击或破坏将会对社会经济造成巨大影响.近年来一系列的能源系统破坏事件,如挪威Ryuk勒索软件攻击、美国Colonial Pipeline网络攻击[29 ] 、澳大利亚的干旱和高温天气以及得克萨斯的冬季风暴[30 ] 等,均凸显了应对潜在破坏的紧迫性.因此将所提方法广泛应用于国内不同规模和类型的实际综合能源系统,例如天津大学滨海工业研究院的综合能源示范工程[31 ] 、南方电网的燃气轮机冷电连供微电网和西电的综合能源智慧服务系统等,有望提高这些系统在面临潜在的蓄意攻击和自然破坏时的韧性和持续供能能力. ...
考虑负荷需求响应的园区综合能源系统运行优化研究
1
2020
... 综合能源系统在满足人类实际生产活动所需能源的同时,一旦受到外部攻击或破坏将会对社会经济造成巨大影响.近年来一系列的能源系统破坏事件,如挪威Ryuk勒索软件攻击、美国Colonial Pipeline网络攻击[29 ] 、澳大利亚的干旱和高温天气以及得克萨斯的冬季风暴[30 ] 等,均凸显了应对潜在破坏的紧迫性.因此将所提方法广泛应用于国内不同规模和类型的实际综合能源系统,例如天津大学滨海工业研究院的综合能源示范工程[31 ] 、南方电网的燃气轮机冷电连供微电网和西电的综合能源智慧服务系统等,有望提高这些系统在面临潜在的蓄意攻击和自然破坏时的韧性和持续供能能力. ...
Research on operation optimization of integrated energy system for park considering integrated demand response
1
2020
... 综合能源系统在满足人类实际生产活动所需能源的同时,一旦受到外部攻击或破坏将会对社会经济造成巨大影响.近年来一系列的能源系统破坏事件,如挪威Ryuk勒索软件攻击、美国Colonial Pipeline网络攻击[29 ] 、澳大利亚的干旱和高温天气以及得克萨斯的冬季风暴[30 ] 等,均凸显了应对潜在破坏的紧迫性.因此将所提方法广泛应用于国内不同规模和类型的实际综合能源系统,例如天津大学滨海工业研究院的综合能源示范工程[31 ] 、南方电网的燃气轮机冷电连供微电网和西电的综合能源智慧服务系统等,有望提高这些系统在面临潜在的蓄意攻击和自然破坏时的韧性和持续供能能力. ...