基于带权重介数的综合能源系统脆弱环节防护优化模型 |
| 张辰微, 王颖, 李亚平, 张凯锋 |
|
Optimization Model for Safeguarding Vulnerable Components in Integrated Energy Systems Based on Weighted Betweenness |
| ZHANG Chenwei, WANG Ying, LI Yaping, ZHANG Kaifeng |
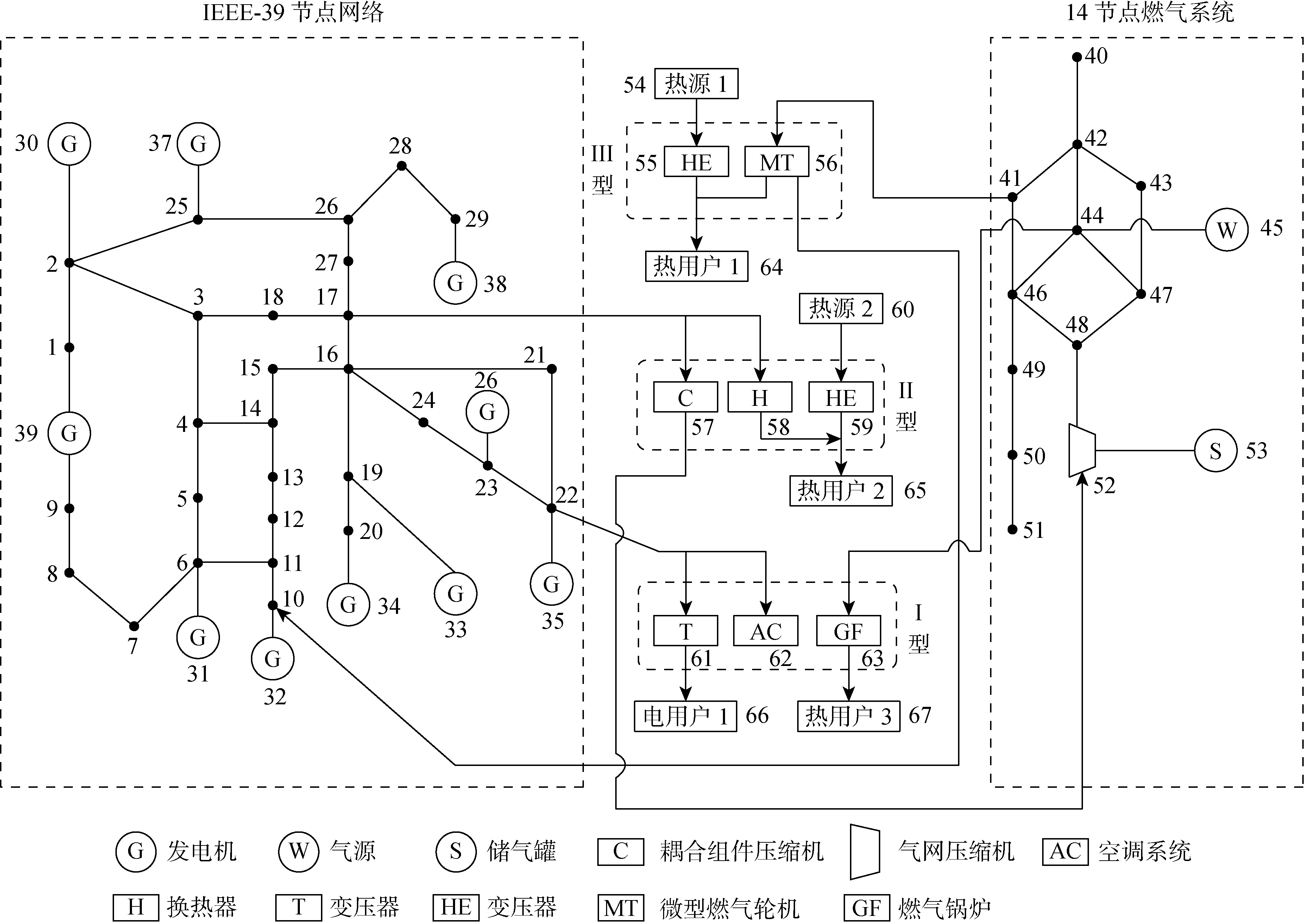
| 图3 67节点综合能源系统的网络结构 |
| Fig.3 Network structure of a 67-node IES |
|