海上风电因其资源丰富、可利用小时数高以及适合大规模开发等特点受到学术界的广泛关注[1 -2 ] .目前近海的风电资源已经开发殆尽,随着海上风电技术的发展,未来海上风电场的建设必将向着中远海逐步迈进.但是大规模、远距离海上风电的开发给系统并网带来巨大的技术挑战.在此背景下,分频输电系统(fractional frequency transmission system,FFTS)通过降低输电频率、减少线路阻抗,来提高线路的传输能力,并且无需建设海上换流站,为中远海的海上风电并网提供了一种具有竞争力的输送方案[3 ] .
模块化多电平矩阵变换器(modular multilevel matrix converter,M3 C)是分频输电系统中频率变换与功率传输的核心装置[4 ] .M3 C可以实现高压大容量的功率转换,并且易于集成和拓展[5 ] ,但是M3 C复杂的拓扑结构大大增加了控制难度.针对M3 C的数学模型和控制策略已有大量研究,目前最为广泛采用的是基于双αβO 坐标变换的解耦控制方法[6 ⇓ -8 ] ,通过对M3 C数学模型进行双αβO 坐标变换,将工频侧与分频侧电流从桥臂电流中分离出来分别进行解耦控制.在此基础上,文献[9 ⇓ -11 ]中采用层次化电容电压的控制方法, 对M3 C的整体电压、相电压、桥臂电压以及子模块电压进行分层控制.但是这种控制方式比较复杂,桥臂电流经dq 变换后,依然有多种频率的交流成分.
上述这些问题与M3 C内部环流的存在有着密切关系.模块化多电平变换器(modular multilevel converter,MMC)的研究对环流产生机理与抑制方法进行了深入探索.文献[12 ⇓ -14 ]中详细分析了子模块电容电压的波动以及子模块电容电压与内部环流之间通过开关函数相互影响的机制.文献[15 ⇓ -17 ]中从不同角度设计MMC环流抑制控制器,有效地抑制桥臂电流中的2次谐波分量,显著降低桥臂电流波形的畸变程度.
与MMC相比,M3 C内部谐波情况更加复杂,但是目前对M3 C谐波特性的研究尚且不足.李峰等[18 ] 研究了稳态时子模块的电容纹波电压,得到电容纹波电压各频率成分的电压解析式,并对影响电容纹波电压的主要因素进行分析.孙玉巍等[19 ] 研究了M3 C的谐波特性,推导了9个桥臂电流谐波的详细表达式,并且分析了谐波分布及影响谐波大小的因素.Luo等[20 ] 针对20 Hz与60 Hz的互联系统,详细分析M3 C不同频率的谐波,但是由于互联系统频率存在整数倍的关系,忽视了部分频率信号,并且仅对工频、分频网侧电流进行控制,并未采取措施对环流进行抑制.文献[21 ⇓ -23 ]中从桥臂间电容电压均衡的角度出发,采用比例控制器抑制环流,但是整体控制方式比较复杂,且对环流的抑制效果有限.相比之下,比例谐振(proportional resonance,PR)控制器可以实现对特定频率信号的有效控制, 在并网逆变器以及MMC的谐波抑制中取得良好效果[24 ] ,但是尚未应用于M3 C的环流抑制中.
在已有工作的基础上,研究子模块电容纹波电压与开关函数耦合产生谐波的机理,推导M3 C内部谐波电流的解析式,针对M3 C中的谐波环流,提出基于准PR控制的环流抑制策略.与常规比例控制器相比,并联的准PR控制器对环流抑制效果更加明显,减少了桥臂电流的畸变,降低了环流带来的功率损耗,有效提升了M3 C的运行性能,并且整体控制结构简洁清晰易于实现.最后, 在MATLAB平台上搭建M3 C的仿真模型,对所提环流抑制策略进行了仿真验证.
1 M3 C基本原理
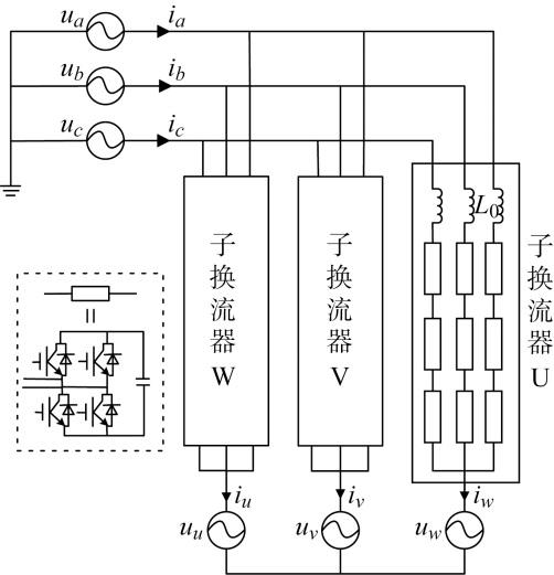
图1 为M3 C的主电路结构.图中,工频侧三相(a ,b ,c )与分频侧三相(u ,v ,w )通过9条桥臂相连,每条桥臂由N 个全桥子模块和1个串级电感L 0 组成.从分频侧相单元的角度,将M3 C划分成3个星形连接的子换流器U、V、W.其中ux 、ix (x =a ,b ,c )为工频侧的相电压与相电流;uy 、iy (y =u ,v ,w )为分频侧的相电压和相电流.
图1
图1
M3 C主电路结构
Fig.1
Main circuit structure of M3 C
假设各桥臂及子模块参数对称,稳态时各子模块电容电压相等,工频侧和分频侧电压和电流都为三相对称正弦波,每相电流平均分配在与之相连的3个桥臂中.以工频侧a 相为例,其电压和电流分别为
(1) u a = U a m c o s ( ω s t + φ s ) i a = I a m c o s ( ω s t + α s )
(2) u u = U u m c o s ( ω l t + φ l ) i u = I u m c o s ( ω l t + α l )
式中:U a m 、I a m 分别为a 相电压和电流的峰值;U u m 、I u m 分别为u 相电压和电流的峰值;ω s 、ω l 分别为工频与分频侧的角频率;φ s 、α s 分别为a 相电压和电流的初始相位角;φ l 、α l 分别为u 相电压和电流的初始相位角;t 为时间.
定义S arm, i 为桥臂第i 个子模块的开关函数,S arm, i 值取1时表示该子模块正向投入,取-1时表示该子模块负向投入,取0表示将该子模块切除,由此定义桥臂平均开关函数为
(3) S arm = 1 N ∑ i = 1 N Sarm, i
式中:S arm 表示桥臂中子模块的平均投入比.对于桥臂的第i 个子模块,流过子模块电容的电流为
(4) S arm, i iarm =C d u d c d t
i arm 为桥臂电流;C 为子模块电容值;u dc 为子模块电容电压.将该桥臂全部子模块电容电流求和并代入式(4),可得桥臂电流i arm 与子模块电容电压u dc 的关系为
(5) S arm i arm =C d u d c d t
由于稳态时各子模块直流侧电容电压相等,可得桥臂电压u arm 与子模块电容电压u dc 的关系式为
(6) $u_{\mathrm{arm}}=S_{\mathrm{arm}} N u_{\mathrm{dc}}$
2 M3 C电容电压波动分析
(7) u dc = 1 C ∫Sarm iarm dt+ u - d c
式中:u - d c 为子模块电容电压的直流分量.由此可得,子模块电容纹波电压为
(8) u ~ d c = 1 C ∫Sarm iarm dt
根据式(8)可知,开关函数与桥臂电流的耦合导致电容纹波电压的产生.假设环流已经得到抑制,桥臂电流中仅含基频分量,基频包括工频和分频,将桥臂电流与开关函数代入式(8)即可得到稳态时的子模块电容纹波电压.
以桥臂au 为例,附录A中的式(A1)为稳态时子模块电容纹波电压的瞬时表达式.分析该式可知, 由于M3 C稳态运行时子模块电容纹波电压中直流分量为0[18 ] ,所以子模块纹波电压中仅含4种频率的交流分量,分别为2ω s 、2ω l 、ω s +ω l 、ω s -ω l .根据对称性可知,M3 C中9个桥臂的电容纹波电压所含交流分量的频率成分一致,且相同频率的纹波电压幅值也相等.
3 M3 C环流分析
分析M3 C电容电压可知,子模块电容电压为直流电压u - d c 与纹波电压u ~ d c 之和:
(9) u dc = u - d c + u ~ d c
将式(9)代入式(6)中,可以得到桥臂电压的表达式:
(10) u arm =NS arm (u - d c + u ~ d c )
由式(10)可知,子模块电容电压与开关函数耦合得到桥臂电压,其中子模块电容电压中直流分量的耦合成分为系统基频分量,而子模块纹波电压与开关函数的耦合成分则是桥臂内部谐波的来源.通过推导关系式可知,桥臂电压中含有8种频率成分的谐波分量,分别为ω s 、ω l 、3ω s 、3ω l 、2ω s -ω l 、2ω s +ω l 、ω s -2ω l 、ω s +2ω l .
根据基尔霍夫电压定律可以得到每条桥臂的回路电压方程,桥臂中8种谐波电压会产生8种频率的谐波电流,通过求解电压方程可以得到相应频率的谐波电流解析式,进而能够分析谐波电流的特性[20 ] .
以2ω s -ω l 频率的桥臂谐波电流为例,该频率谐波电流的解析式为
(11) i x y , 2 ω s - ω l =k1 (m x 2 Iy m cos((2ωs -ωl )t+θ1 )-mx my Ix m cos((2ωs -ωl )t+θ2 ))-k2 (mx my Ix m cos((2ωs -ωl )t+θ2 ))
式中:k 1 、k 2 为提取的公因式,k 1 =(N/ 12)CL 0 ×(ω s -ω l )(2ω s -ω l ),k 2 =(N/ 24)CL 0 ω s (2ω s -ω l );Ix m 、Iy m 分别为M3 C工频侧和分频侧相电流峰值;mx 、my 分别为工频和分频侧的电压调制比,mx =Ux m /Nu dc ,my =Uy m /Nu dc ,Ux m 、Uy m 分别为工频和分频侧相电压峰值;θ 1 、θ 2 为该频率电流的初始相位角,各桥臂中该频率电流初始相位角的表达式如表1 所示.
根据推导结果,该频率成分的谐波电流在9个桥臂中幅值相等,但相位不同,根据其在9个桥臂中的分布情况可知,该频率成分的谐波电流仅在M3 C内部流通,为谐波环流.
采用相同的计算方式,可以得到另外7种频率的桥臂谐波电流表达式和初始相位角,如附录式A(2)~A(8)所示.经分析,ω s 与ω l 频率的谐波电流为正序谐波,以正序基波的形式分别流入M3 C的工、分频侧,不需要进行控制.3ω s 与3ω l 频率的谐波电流为零序谐波,会流入M3 C的两侧;但在FFTS中M3 C两侧变压器通常采用三角接线,能够直接切断零序电流的路径[20 ] ,不再需要抑制零序电流.另外3种频率ω s +2ω l 、2ω s +ω l 、ω s -2ω l 的谐波与 2ω s -ω l 频率的谐波电流具有相同的特性,都为谐波环流,其中ω s -2ω l 频率的谐波幅值最大.
环流叠加在桥臂电流上不仅会占用功率开关器件的额定电流容量,也会引起发热问题,导致器件老化.除此之外,桥臂中环流分量也会与开关函数进行耦合,子模块电容电压中将出现更加复杂的纹波,具体的频率成分如表2 所示. 因此,如果不对M3 C内部的环流进行抑制,不仅会增加额外的功率损耗,还会影响桥臂间电容电压的均衡,不利于M3 C的稳定运行.
4 M3 C环流抑制策略
根据环流分析的结果,M3 C正常运行时桥臂电流中含有4种频率成分的谐波环流.由于频率成分并不单一,所以不能再采取MMC中将环流成分变换到dq 坐标系下的比例积分(proportional integral, PI)控制方式.为此,提出一种并联的准PR控制器,在αβ 静止坐标系下实现对谐波环流中4种频率分量的共同抑制.
4.1 准PR控制器
(12) G PR (s )=k p +k r s/ (s 2 + ω 0 2 )
式中:s 为拉普拉斯算子;k p 为比例增益;k r 为谐振增益;ω 0 为谐振角频率.
理想PR控制器在谐振角频率ω 0 处有无穷大增益,但是在实际应用中,由于采样电路的误差以及控制系统精度的限制,信号频率可能出现偏移,因而无法有效地抑制交流信号.因此,选择准PR控制器抑制环流,其传递函数为
(13) G QPR (s )=k p + 2 k r ω b s s 2 + 2 ω b s + ω 0 2
式中:ω b 为谐振带宽.图2 为两种PR控制器的伯德图,其中参数设置为:k p =1,k r =10,ω 0 =300π rad/s,ω b =10 rad/s.由图可见,与理想PR控制器相比,准PR控制器在谐振频率ω 0 处的增益减小,但对谐振频率处ω b 频率范围内的信号都具有控制作用,因此可以有效减小频率偏移带来的影响.
图2
图2
理想PR控制器与准PR控制器伯德图
Fig.2
Bode diagram of ideal PR controller and quasi-PR controller
4.2 M3 C环流抑制策略
根据文献[25 ]中的推导,工频侧和分频侧以及内部环流在αβ 静止坐标下的控制方程为
(14) L 0 3 d d t + R 0 3 i i α i i β + u s u m α u s u m β = u i α u i β L 0 3 d d t + R 0 3 i o α i o β + u c o m α u c o m β = u o α u o β
(15) L 0 d d t + R 0 i α , c i r 1 i β , c i r 1 + u α , c i r 1 u β , c i r 1 = 0 0 L 0 d d t + R 0 i α , c i r 2 i β , c i r 2 + u α , c i r 2 u β , c i r 2 = 0 0
式中:R 0 为串级电感L 0 的等效电阻;i i α 、i i β 和i o α 、i o β 分别为工频侧和分频侧相电流在αβ 静止坐标系下的分量;u i α 、u i β 和u o α 、u o β 分别为工频侧和分频侧相电压在αβ 静止坐标系下的分量;u sum α 、u sum β 和u com α 、u com β 分别为工频侧和分频侧共模电压在αβ 静止坐标系下的分量;iα ,cri1 、iβ ,cri1 和iα ,cri2 、iβ ,cri2 为环流1和环流2在αβ 静止坐标系下的分量;uα ,cri1 、uβ ,cri1 和uα ,cri2 、uβ ,cri2 为环流电压1和环流电压2在αβ 静止坐标系下的分量.
根据式(14),提出如图3 所示的工频侧与分频侧的电压电流双闭环控制策略.图中:i i q 、i o q 分别为工频侧与分频侧相电流在q 轴分量;P s 为分频测输出功率;*表示相应变量参考值.其中外环采用PI控制,电流内环采用准PR控制器.使用准PR控制后,不再需要进行耦合补偿就能实现对电流αβ 分量的解耦控制,并且延时小,响应速度更快.
图3
图3
工频侧与分频侧的控制框图
Fig.3
Control block of industrial frequency side and fractional frequency side
根据式(15),可以得到如图4 所示的环流等效电路,据此提出M3 C谐波环流抑制的闭环控制方式,如图5 所示.根据推导的环流中4种频率成分设计如图6 所示的环流抑制器.图中:i cir 、u cir 分别为环流和环流电压;ω 1 、ω 2 、ω 3 、ω 4 分别对应谐波环流中的4种频率成分.环流抑制器由一组并联的准PR控制器组成,谐振频率对应着M3 C内部环流频率,能够对4种频率的谐波电流进行共同抑制,环流抑制器的传递函数为
(16) G QPR (s )=k p +2k r ω b s/ (s 2 +2ω b s + ω 1 2 )+ 2 k r ω b s s 2 + 2 ω b s + ω 2 2 + 2 k r ω b s s 2 + 2 ω b s + ω 3 2 + 2kr ωb s/(s2 +2ωb s+ ω 4 2 )
图4
图4
静止坐标系下M3 C环流等效电路
Fig.4
M3 C circulating current equivalent circuit in stationary coordinate system
图5
图5
M3 C环流闭环控制方式
Fig.5
Circulation closed-loop control mode of M3 C
图6
图6
环流抑制器结构框图
Fig.6
Structure of circulating current suppressor
环流抑制策略的具体方式为:检测桥臂电流并从中分离得到M3 C的内部环流,经Clark变换得到环流的αβ 分量,将环流送入并联的准PR控制器中进行跟踪处理,即可得到环流电压的参考值,与工频侧和分频侧控制得到的共模电压参考值一起经转换后得到M3 C每条桥臂的电压参考值.
M3 C桥臂单元的子模块数目较多,会产生桥臂内各子模块间的电容电压均衡问题[5 ] .因此,选择采用基于电容电压排序的最近电平逼近调制方法来实现给定电压参考值的调制输出.该方法简单,均压效果良好.
5 仿真分析
为了验证所提谐波环流抑制策略的有效性,在MATLAB/Simulink平台上搭建如图1 所示电路的M3 C仿真模型,采用第4节所提控制方案进行仿真研究.系统主要参数设置如表3 所示;图7~10 为仿真结果.
图7
图7
环流抑制前后效果
Fig.7
Circulating current and capacitor voltage before and after circulation suppression
图8
图8
比例控制与准PR控制效果对比
Fig.8
Effect comparison of proportional control and quasi-PR control
图9
图9
子模块电容值与纹波电压和环流的关系
Fig.9
Sub-module capacitance versus ripple voltage and circulating current
图10
图10
M3 C动态响应效果
Fig.10
Dynamic response effect of M3 C
图7 为环流抑制前后的效果图,M3 C运行至3.5 s时开启环流抑制器.根据图7(a) 中环流波形的变化,可以看出所提控制策略有效抑制了环流,环流幅值降至0 A左右,环流带来的功率损耗将大大降低;并且由于环流得到有效抑制,避免了与开关函数的耦合,因此子模块电容电压的波动幅值减小, M3 C的运行性能也得到提升.
图8 为环流抑制器采用比例控制与并联准PR控制器的仿真效果对比,两种控制中比例增益参数相同.图中:f 为频率.环流抑制的效果如图8(a) 所示,与比例控制器相比,采用准PR控制后,环流的幅值由15 A降到0.7 A,表明准PR环流抑制器对环流的抑制作用更加有效.
图8(b)、8(c) 为桥臂au 的电流波形与频谱的对比.由图可见,采用准PR控制后,桥臂电流的幅值从420 A降低至415 A.根据频谱分析结果,采用比例控制时,令f s 、f l 分别为工频侧与分频侧频率,桥臂电流中除50 Hz工频与20 Hz分频分量外,主要的谐波频率为: f s -2f l =10 Hz, 2f s -f l = 80 Hz,f s +2f l =90 Hz, 2f s +f l =120 Hz.其中,f s -2f l =10 Hz的谐波幅值最大,这与理论分析的一致.采用准PR控制器后,4种谐波分量都得到有效抑制,改善了桥臂电流的畸变程度.
图8(d)、8(e) 为桥臂au 子模块电容电压波形与频谱对比.由图可见,采用准PR抑制后,电容电压的波动幅度减小.根据频谱分析的结果,子模块电容电压除直流分量外,主要含有f s -f l =30 Hz、 2f l = 40 Hz、f s +f l = 70 Hz、2f s =100 Hz频率的纹波,与附录式(A1)推导的结果一致.除此之外,还存在幅值最大的f s -2f l =10 Hz频率的环流与开关函数耦合造成f s -3f l =10 Hz的纹波,由于准PR控制对环流抑制效果更好,避免了环流与开关函数的二次耦合,因而子模块纹波电压的幅值减小.
图9(a)、9(b) 分别展示了子模块电容值与纹波电压幅值和环流幅值之间的关系.由图8 可知,子模块电容越大纹波电压与环流的幅值越小,与式(11)和附录式(A1)中的推导结果相符,增大电容值能够有效抑制电容电压的波动和环流的大小,但是增大电容值既会增加电容器成本也会影响M3 C的动态性能,实际应用中要在满足电容电压波动幅度的要求下,综合考虑成本、占地以及安全裕量等因素,来确定子模块电容的取值.
为了验证采用环流抑制器后M3 C的动态性能,系统运行在单位功率因数模式下,在2.5 s分频侧的有功功率从8 MW跃升至10 MW,图10 为动态响应的仿真结果.工频侧的功率曲线如图10(a) 所示,有功功率(P )能够快速响应分频侧功率的变化,无功功率(Q )在阶跃中保持为0,表明M3 C具有良好的动态响应特性.工频侧和分频侧的电流ix 、iy 波形分别如图10(b)、10(c) 所示,两侧电流均为三相对称波形,能够迅速跟随系统能量的变化,实现工频、分频侧的解耦控制.图10 (d)为环流i α, cri 1 的波形,由图可知,M3 C传输功率变化时,环流经过 0.2 s 的波动到达新的稳定值,并且环流波动范围在±3.5 A以内,表明环流抑制器在动态响应过程中能够保持良好的环流抑制效果.图10(e)、10(f) 为子换流器中U子模块电容电压平均值和桥臂电流的波形,由图10(e) 可知,电容电压稳定在800 V附近,整体控制策略能够实现桥臂间电容电压均衡.结合图10 的仿真效果可知,采用并联准PR抑制器后,M3 C的动态响应性能依然良好.
6 结论
详细分析M3 C内部谐波电流产生机理,针对谐波环流提出基于准PR的环流抑制策略.通过理论分析与仿真验证,得到结论如下:
(1) 稳态运行时,子模块电容电压中将出现2ω s 、2ω l 、ω s +ω l 和ω s -ω l 这4种频率的纹波.如果不对环流进行抑制,子模块纹波电压中的频率成分会更加复杂.
(2) 子模块电容纹波电压与开关函数耦合在桥臂中产生8种频率成分的谐波,其中ω s +2ω l 、2ω s +ω l 、ω s -2ω l 、2ω s -ω l 这4种谐波只在M3 C内部流通,为谐波环流,需要进行抑制.
(3) 采用并联的准PR控制器能够对4种频率成分的环流进行有效抑制,改善了桥臂电流的畸变程度,保障了桥臂间电容电压的均衡,并且动态响应性能良好.
(4) 所提环流抑制方案效果良好,控制结构清晰简洁,易于实现,具有一定的工程应用价值.
附录见本刊网络版(xuebao.sjtu.edu.cn/article/2025/1006-2467/1006-2467-59-02-0242.shtml)
参考文献
View Option
[1]
余浩 , 张哲萌 , 彭穗 , 等 . 海上风电经柔性直流并网技术标准对比分析
[J]. 上海交通大学学报 , 2022 , 56 (4 ): 403 -412 .
DOI:10.16183/j.cnki.jsjtu.2021.465
[本文引用: 1]
对国内外海上风电经柔性直流并网标准的现状进行介绍,选取具有代表性的海上风电经柔性直流并网标准,从功率控制、故障穿越、电能质量、稳定性等几个方面进行对比,分析海上风电经柔性直流并网标准的发展趋势.对中国海上风电经柔性直流并网标准的制修订提供合理建议,以促进海上风电行业的发展.
YU Hao , ZHANG Zhemeng , PENG Sui , et al . Comparative analysis of technical standards for offshore wind power via VSC-HVDC
[J]. Journal of Shanghai Jiao Tong University , 2022 , 56 (4 ): 403 -412 .
[本文引用: 1]
[2]
王秀丽 , 张小亮 , 宁联辉 , 等 . 分频输电在海上风电并网应用中的前景和挑战
[J]. 电力工程技术 , 2017 , 36 (1 ): 15 -19 .
[本文引用: 1]
WANG Xiuli , ZHANG Xiaoliang , NING Lianhui , et al . Application prospects and challenges of fractional frequency transmission system in offshore wind power integration
[J]. Electric Power Engineering Technology , 2017 , 36 (1 ): 15 -19 .
[本文引用: 1]
[3]
王锡凡 , 卫晓辉 , 宁联辉 , 等 . 海上风电并网与输送方案比较
[J]. 中国电机工程学报 , 2014 , 34 (31 ): 5459 -5466 .
[本文引用: 1]
WANG Xifan , WEI Xiaohui , NING Lianhui , et al . Integration techniques and transmission schemes for off-shore wind farms
[J]. Proceedings of the CSEE , 2014 , 34 (31 ): 5459 -5466 .
[本文引用: 1]
[4]
LIU S Q , WANG X F , MENG Y Q , et al . A decoupled control strategy of modular multilevel matrix converter for fractional frequency transmission system
[J]. IEEE Transactions on Power Delivery , 2017 , 32 (4 ): 2111 -2121 .
[本文引用: 1]
[5]
冯双 , 韦超凡 , 雷家兴 , 等 . 面向分频海上风电系统的模块化多电平矩阵变换器混合建模与控制
[J]. 中国电机工程学报 , 2022 , 42 (4 ): 1546 -1558 .
[本文引用: 2]
FENG Shuang , WEI Chaofan , LEI Jiaxing , et al . Hybrid modeling and control of modular multilevel matrix converter for offshore fractional frequency transmission system
[J]. Proceedings of the CSEE , 2022 , 42 (4 ): 1546 -1558 .
[本文引用: 2]
[6]
KAMMERER F , KOLB J , BRAUN M . Fully decoupled current control and energy balancing of the modular multilevel matrix converter
[C]// 2012 15th International Power Electronics and Motion Control Conference . Novi Sad, Serbia : IEEE , 2012 : LS2a.3-1-LS2a. 3 -8 .
[本文引用: 1]
[7]
孙玉巍 , 王童 , 付超 , 等 . 适用于海上风电分频输电的模块化多电平矩阵变换器故障穿越控制策略
[J]. 高电压技术 , 2023 , 49 (1 ): 19 -30 .
[本文引用: 1]
SUN Yuwei , WANG Tong , FU Chao , et al . Fault ride-through control strategy of modular multilevel matrix converter for fractional frequency transmission system
[J]. High Voltage Engineering , 2023 , 49 (1 ): 19 -30 .
[本文引用: 1]
[8]
KAMMERER F , GOMMERINGER M , KOLB J , et al . Energy balancing of the modular multilevel matrix converter based on a new transformed arm power analysis
[C]// 2014 16th European Conference on Power Electronics and Applications . Lappeenranta, Finland : IEEE , 2014 : 1 -10 .
[本文引用: 1]
[9]
KAWAMURA W , AKAGI H . Control of the modular multilevel cascade converter based on triple-star bridge-cells (MMCC-TSBC) for motor drives
[C]// 2012 IEEE Energy Conversion Congress and Exposition . Raleigh, USA : IEEE , 2012 : 3506 -3513 .
[本文引用: 1]
[10]
KAWAMURA W , HAGIWARA M , AKAGI H . A broad range of frequency control for the modular multilevel cascade converter based on triple-star bridge-cells (MMCC-TSBC)
[C]// 2013 IEEE Energy Conversion Congress and Exposition . Denver, USA : IEEE , 2013 : 4014 -4021 .
[本文引用: 1]
[11]
陆立文 , 吴小丹 , 周前 , 等 . 双端柔性低频输电系统无扰动并网控制策略
[J]. 电力工程技术 , 2022 , 41 (5 ): 31 -39 .
[本文引用: 1]
LU Liwen , WU Xiaodan , ZHOU Qian , et al . Undisturbed grid connection control strategy for two-terminal flexible low-frequency transmission system
[J]. Electric Power Engineering Technology , 2022 , 41 (5 ): 31 -39 .
[本文引用: 1]
[12]
DORN J , HUANG H , RETZMANN D . A new multilevel voltage-sourced converter topology for HVDC applications
[C]// 2008 International Council on Large Electric Systems . Paris, France : IEEE , 2008 : 1 -8 .
[本文引用: 1]
[13]
张建坡 , 赵成勇 . 模块化多电平换流器环流及抑制策略研究
[J]. 电工技术学报 , 2013 , 28 (10 ): 328 -336 .
[本文引用: 1]
ZHANG Jianpo , ZHAO Chengyong . Research on circulation current and suppressing strategy of modular multilevel converter
[J]. Transactions of China Electrotechnical Society , 2013 , 28 (10 ): 328 -336 .
[本文引用: 1]
[14]
TU Q R , XU Z , XU L . Reduced switching-frequency modulation and circulating current suppression for modular multilevel converters
[J]. IEEE Transactions on Power Delivery , 2011 , 26 (3 ): 2009 -2017 .
[本文引用: 1]
[15]
马洲俊 , 王勇 , 王杰 , 等 . 柔性控制器MMC子模块最优冗余数量双重协同优化方法
[J]. 上海交通大学学报 , 2022 , 56 (3 ): 325 -332 .
DOI:10.16183/j.cnki.jsjtu.2021.444
[本文引用: 1]
柔性直流系统中模块化多电平换流器(MMC)的子模块故障影响系统正常运行,可靠性和经济性的相互制约是MMC冗余数量配置优化的关键问题之一.对此,建立含冗余子模块MMC可靠性和经济性数学模型的多目标优化函数,提出一种柔性控制器子模块冗余数量双重协同优化方法.该方法结合权重系数和NSGAII多目标优化算法的优势,在冗余数量取相同选择偏好下,计算得到两者优化结果的交集.以南京某柔性台区直流工程为例,在MATLAB中搭建模型,仿真结果表明所提方法在满足柔性直流系统可靠性的同时,能够显著提高经济性,为实际柔性直流工程中MMC冗余子模块数量配置提供思路.
MA Zhoujun , WANG Yong , WANG Jie , et al . A dual cooperative optimization for optimal redundancy quantity of MMC submodules of flexible controller
[J]. Journal of Shanghai Jiao Tong University , 2022 , 56 (3 ): 325 -332 .
[本文引用: 1]
[16]
ÄNGQUIST L , ANTONOPOULOS A , SIEMASZKO D , et al . Inner control of modular multilevel converters-An approach using open-loop estimation of stored energy
[C]// The 2010 International Power Electronics Conference-ECCE ASIA . Sapporo, Japan : IEEE , 2010 : 1579 -1585 .
[本文引用: 1]
[17]
LI Z X , WANG P , CHU Z F , et al . A novel inner current suppressing method for modular multilevel converters
[C]// 2012 IEEE Energy Conversion Congress and Exposition . Raleigh, USA : IEEE , 2012 : 4506 -4512 .
[本文引用: 1]
[18]
李峰 , 王广柱 . 模块化多电平矩阵变换器电容电压纹波稳态分析
[J]. 中国电机工程学报 , 2013 , 33 (24 ): 52 -58 .
[本文引用: 2]
LI Feng , WANG Guangzhu . Steady-state analysis of sub-modular capacitor voltage ripple in modular multilevel matrix converters
[J]. Proceedings of the CSEE , 2013 , 33 (24 ): 52 -58 .
[本文引用: 2]
[19]
孙玉巍 , 常静恬 , 付超 , 等 . 分频输电系统模块化多电平矩阵变换器谐波特性分析
[J]. 电力工程技术 , 2022 , 41 (5 ): 21 -30 .
[本文引用: 1]
SUN Yuwei , CHANG Jingtian , FU Chao , et al . Harmonic characteristics analysis of modular multilevel matrix converter for fractional frequency transmission system
[J]. Electric Power Engineering Technology , 2022 , 41 (5 ): 21 -30 .
[本文引用: 1]
[20]
LUO J J , ZHANG X P , XUE Y , et al . Harmonic analysis of modular multilevel matrix converter for fractional frequency transmission system
[J]. IEEE Transactions on Power Delivery , 2020 , 35 (3 ): 1209 -1219 .
[本文引用: 3]
[21]
吴小丹 . 面向低频海上风电送出的模块化多电平矩阵变换器输入输出侧解耦控制
[J]. 电网技术 , 2022 , 46 (8 ): 2909 -2923 .
[本文引用: 1]
WU Xiaodan . Input/output side decoupling control of modular multilevel matrix converter for low-frequency offshore wind power transmission
[J]. Power System Technology , 2022 , 46 (8 ): 2909 -2923 .
[本文引用: 1]
[22]
YAO W X , LIU J , LU Z Y . Distributed control for the modular multilevel matrix converter
[J]. IEEE Transactions on Power Electronics , 2019 , 34 (4 ): 3775 -3788 .
[本文引用: 1]
[23]
卢宇 , 吴小丹 , 雷家兴 , 等 . 电网不平衡工况下模块化多电平矩阵变换器控制策略
[J]. 电力工程技术 , 2023 , 42 (4 ): 195 -205 .
[本文引用: 1]
LU Yu , WU Xiaodan , LEI Jiaxing , et al . Control strategy of the modular multilevel matrix converter under unbalanced grid condition
[J]. Electric Power Engineering Technology , 2023 , 42 (4 ): 195 -205 .
[本文引用: 1]
[24]
支琴 , 吴映阳 , 金之俭 , 等 . 基于比例积分谐振调节的光伏并网逆变器电流控制方法
[J]. 上海交通大学学报 , 2018 , 52 (12 ): 1642 -1648 .
DOI:10.16183/j.cnki.jsjtu.2018.12.014
[本文引用: 1]
为解决电网电压畸变影响光伏逆变器电流控制性能的问题,提出一种基于比例积分谐振(PIR)调节器的电流控制方法.首先确定了光伏逆变器含有电流内环、直流电压外环的控制结构,PIR调节器用于对电流内环中电网电压畸变扰动的抑制与基波电流的跟踪.由于光伏逆变器的LCL滤波器与PIR调节器阶数较高,在设计控制参数时面临诸多问题,接着提出一种基于离散系统根轨迹法的PIR调节器参数设计方法,避免了连续域设计的调节器参数直接应用于数字控制器,从而引发调节器性能偏差甚至失稳.分析结果显示,在电网频率以及LCL滤波器参数变化时,设计参数依然可使系统具有较好的适应性.最后在Simulink上搭建仿真模型,验证了基于PIR调节的电流控制方法的可行性以及所设计调节器参数的正确性.
ZHI Qin , WU Yingyang , JIN Zhijian , et al . Current control strategy for photovoltaic grid-connected inverter based on PIR regulator
[J]. Journal of Shanghai Jiao Tong University , 2018 , 52 (12 ): 1642 -1648 .
[本文引用: 1]
[25]
徐政 , 张哲任 . 低频输电技术原理之一——M3 C的数学模型与等效电路
[J]. 浙江电力 , 2021 , 40 (10 ): 13 -21 .
[本文引用: 1]
XU Zheng , ZHANG Zheren . Principles of low frequency power transmission technology: Part 1—Mathematical model and equivalent circuit of M3 C
[J]. Zhejiang Electric Power , 2021 , 40 (10 ): 13 -21 .
[本文引用: 1]
海上风电经柔性直流并网技术标准对比分析
1
2022
... 海上风电因其资源丰富、可利用小时数高以及适合大规模开发等特点受到学术界的广泛关注[1 -2 ] .目前近海的风电资源已经开发殆尽,随着海上风电技术的发展,未来海上风电场的建设必将向着中远海逐步迈进.但是大规模、远距离海上风电的开发给系统并网带来巨大的技术挑战.在此背景下,分频输电系统(fractional frequency transmission system,FFTS)通过降低输电频率、减少线路阻抗,来提高线路的传输能力,并且无需建设海上换流站,为中远海的海上风电并网提供了一种具有竞争力的输送方案[3 ] . ...
Comparative analysis of technical standards for offshore wind power via VSC-HVDC
1
2022
... 海上风电因其资源丰富、可利用小时数高以及适合大规模开发等特点受到学术界的广泛关注[1 -2 ] .目前近海的风电资源已经开发殆尽,随着海上风电技术的发展,未来海上风电场的建设必将向着中远海逐步迈进.但是大规模、远距离海上风电的开发给系统并网带来巨大的技术挑战.在此背景下,分频输电系统(fractional frequency transmission system,FFTS)通过降低输电频率、减少线路阻抗,来提高线路的传输能力,并且无需建设海上换流站,为中远海的海上风电并网提供了一种具有竞争力的输送方案[3 ] . ...
分频输电在海上风电并网应用中的前景和挑战
1
2017
... 海上风电因其资源丰富、可利用小时数高以及适合大规模开发等特点受到学术界的广泛关注[1 -2 ] .目前近海的风电资源已经开发殆尽,随着海上风电技术的发展,未来海上风电场的建设必将向着中远海逐步迈进.但是大规模、远距离海上风电的开发给系统并网带来巨大的技术挑战.在此背景下,分频输电系统(fractional frequency transmission system,FFTS)通过降低输电频率、减少线路阻抗,来提高线路的传输能力,并且无需建设海上换流站,为中远海的海上风电并网提供了一种具有竞争力的输送方案[3 ] . ...
Application prospects and challenges of fractional frequency transmission system in offshore wind power integration
1
2017
... 海上风电因其资源丰富、可利用小时数高以及适合大规模开发等特点受到学术界的广泛关注[1 -2 ] .目前近海的风电资源已经开发殆尽,随着海上风电技术的发展,未来海上风电场的建设必将向着中远海逐步迈进.但是大规模、远距离海上风电的开发给系统并网带来巨大的技术挑战.在此背景下,分频输电系统(fractional frequency transmission system,FFTS)通过降低输电频率、减少线路阻抗,来提高线路的传输能力,并且无需建设海上换流站,为中远海的海上风电并网提供了一种具有竞争力的输送方案[3 ] . ...
海上风电并网与输送方案比较
1
2014
... 海上风电因其资源丰富、可利用小时数高以及适合大规模开发等特点受到学术界的广泛关注[1 -2 ] .目前近海的风电资源已经开发殆尽,随着海上风电技术的发展,未来海上风电场的建设必将向着中远海逐步迈进.但是大规模、远距离海上风电的开发给系统并网带来巨大的技术挑战.在此背景下,分频输电系统(fractional frequency transmission system,FFTS)通过降低输电频率、减少线路阻抗,来提高线路的传输能力,并且无需建设海上换流站,为中远海的海上风电并网提供了一种具有竞争力的输送方案[3 ] . ...
Integration techniques and transmission schemes for off-shore wind farms
1
2014
... 海上风电因其资源丰富、可利用小时数高以及适合大规模开发等特点受到学术界的广泛关注[1 -2 ] .目前近海的风电资源已经开发殆尽,随着海上风电技术的发展,未来海上风电场的建设必将向着中远海逐步迈进.但是大规模、远距离海上风电的开发给系统并网带来巨大的技术挑战.在此背景下,分频输电系统(fractional frequency transmission system,FFTS)通过降低输电频率、减少线路阻抗,来提高线路的传输能力,并且无需建设海上换流站,为中远海的海上风电并网提供了一种具有竞争力的输送方案[3 ] . ...
A decoupled control strategy of modular multilevel matrix converter for fractional frequency transmission system
1
2017
... 模块化多电平矩阵变换器(modular multilevel matrix converter,M3 C)是分频输电系统中频率变换与功率传输的核心装置[4 ] .M3 C可以实现高压大容量的功率转换,并且易于集成和拓展[5 ] ,但是M3 C复杂的拓扑结构大大增加了控制难度.针对M3 C的数学模型和控制策略已有大量研究,目前最为广泛采用的是基于双αβO 坐标变换的解耦控制方法[6 ⇓ -8 ] ,通过对M3 C数学模型进行双αβO 坐标变换,将工频侧与分频侧电流从桥臂电流中分离出来分别进行解耦控制.在此基础上,文献[9 ⇓ -11 ]中采用层次化电容电压的控制方法, 对M3 C的整体电压、相电压、桥臂电压以及子模块电压进行分层控制.但是这种控制方式比较复杂,桥臂电流经dq 变换后,依然有多种频率的交流成分. ...
面向分频海上风电系统的模块化多电平矩阵变换器混合建模与控制
2
2022
... 模块化多电平矩阵变换器(modular multilevel matrix converter,M3 C)是分频输电系统中频率变换与功率传输的核心装置[4 ] .M3 C可以实现高压大容量的功率转换,并且易于集成和拓展[5 ] ,但是M3 C复杂的拓扑结构大大增加了控制难度.针对M3 C的数学模型和控制策略已有大量研究,目前最为广泛采用的是基于双αβO 坐标变换的解耦控制方法[6 ⇓ -8 ] ,通过对M3 C数学模型进行双αβO 坐标变换,将工频侧与分频侧电流从桥臂电流中分离出来分别进行解耦控制.在此基础上,文献[9 ⇓ -11 ]中采用层次化电容电压的控制方法, 对M3 C的整体电压、相电压、桥臂电压以及子模块电压进行分层控制.但是这种控制方式比较复杂,桥臂电流经dq 变换后,依然有多种频率的交流成分. ...
... M3 C桥臂单元的子模块数目较多,会产生桥臂内各子模块间的电容电压均衡问题[5 ] .因此,选择采用基于电容电压排序的最近电平逼近调制方法来实现给定电压参考值的调制输出.该方法简单,均压效果良好. ...
Hybrid modeling and control of modular multilevel matrix converter for offshore fractional frequency transmission system
2
2022
... 模块化多电平矩阵变换器(modular multilevel matrix converter,M3 C)是分频输电系统中频率变换与功率传输的核心装置[4 ] .M3 C可以实现高压大容量的功率转换,并且易于集成和拓展[5 ] ,但是M3 C复杂的拓扑结构大大增加了控制难度.针对M3 C的数学模型和控制策略已有大量研究,目前最为广泛采用的是基于双αβO 坐标变换的解耦控制方法[6 ⇓ -8 ] ,通过对M3 C数学模型进行双αβO 坐标变换,将工频侧与分频侧电流从桥臂电流中分离出来分别进行解耦控制.在此基础上,文献[9 ⇓ -11 ]中采用层次化电容电压的控制方法, 对M3 C的整体电压、相电压、桥臂电压以及子模块电压进行分层控制.但是这种控制方式比较复杂,桥臂电流经dq 变换后,依然有多种频率的交流成分. ...
... M3 C桥臂单元的子模块数目较多,会产生桥臂内各子模块间的电容电压均衡问题[5 ] .因此,选择采用基于电容电压排序的最近电平逼近调制方法来实现给定电压参考值的调制输出.该方法简单,均压效果良好. ...
Fully decoupled current control and energy balancing of the modular multilevel matrix converter
1
2012
... 模块化多电平矩阵变换器(modular multilevel matrix converter,M3 C)是分频输电系统中频率变换与功率传输的核心装置[4 ] .M3 C可以实现高压大容量的功率转换,并且易于集成和拓展[5 ] ,但是M3 C复杂的拓扑结构大大增加了控制难度.针对M3 C的数学模型和控制策略已有大量研究,目前最为广泛采用的是基于双αβO 坐标变换的解耦控制方法[6 ⇓ -8 ] ,通过对M3 C数学模型进行双αβO 坐标变换,将工频侧与分频侧电流从桥臂电流中分离出来分别进行解耦控制.在此基础上,文献[9 ⇓ -11 ]中采用层次化电容电压的控制方法, 对M3 C的整体电压、相电压、桥臂电压以及子模块电压进行分层控制.但是这种控制方式比较复杂,桥臂电流经dq 变换后,依然有多种频率的交流成分. ...
适用于海上风电分频输电的模块化多电平矩阵变换器故障穿越控制策略
1
2023
... 模块化多电平矩阵变换器(modular multilevel matrix converter,M3 C)是分频输电系统中频率变换与功率传输的核心装置[4 ] .M3 C可以实现高压大容量的功率转换,并且易于集成和拓展[5 ] ,但是M3 C复杂的拓扑结构大大增加了控制难度.针对M3 C的数学模型和控制策略已有大量研究,目前最为广泛采用的是基于双αβO 坐标变换的解耦控制方法[6 ⇓ -8 ] ,通过对M3 C数学模型进行双αβO 坐标变换,将工频侧与分频侧电流从桥臂电流中分离出来分别进行解耦控制.在此基础上,文献[9 ⇓ -11 ]中采用层次化电容电压的控制方法, 对M3 C的整体电压、相电压、桥臂电压以及子模块电压进行分层控制.但是这种控制方式比较复杂,桥臂电流经dq 变换后,依然有多种频率的交流成分. ...
Fault ride-through control strategy of modular multilevel matrix converter for fractional frequency transmission system
1
2023
... 模块化多电平矩阵变换器(modular multilevel matrix converter,M3 C)是分频输电系统中频率变换与功率传输的核心装置[4 ] .M3 C可以实现高压大容量的功率转换,并且易于集成和拓展[5 ] ,但是M3 C复杂的拓扑结构大大增加了控制难度.针对M3 C的数学模型和控制策略已有大量研究,目前最为广泛采用的是基于双αβO 坐标变换的解耦控制方法[6 ⇓ -8 ] ,通过对M3 C数学模型进行双αβO 坐标变换,将工频侧与分频侧电流从桥臂电流中分离出来分别进行解耦控制.在此基础上,文献[9 ⇓ -11 ]中采用层次化电容电压的控制方法, 对M3 C的整体电压、相电压、桥臂电压以及子模块电压进行分层控制.但是这种控制方式比较复杂,桥臂电流经dq 变换后,依然有多种频率的交流成分. ...
Energy balancing of the modular multilevel matrix converter based on a new transformed arm power analysis
1
2014
... 模块化多电平矩阵变换器(modular multilevel matrix converter,M3 C)是分频输电系统中频率变换与功率传输的核心装置[4 ] .M3 C可以实现高压大容量的功率转换,并且易于集成和拓展[5 ] ,但是M3 C复杂的拓扑结构大大增加了控制难度.针对M3 C的数学模型和控制策略已有大量研究,目前最为广泛采用的是基于双αβO 坐标变换的解耦控制方法[6 ⇓ -8 ] ,通过对M3 C数学模型进行双αβO 坐标变换,将工频侧与分频侧电流从桥臂电流中分离出来分别进行解耦控制.在此基础上,文献[9 ⇓ -11 ]中采用层次化电容电压的控制方法, 对M3 C的整体电压、相电压、桥臂电压以及子模块电压进行分层控制.但是这种控制方式比较复杂,桥臂电流经dq 变换后,依然有多种频率的交流成分. ...
Control of the modular multilevel cascade converter based on triple-star bridge-cells (MMCC-TSBC) for motor drives
1
2012
... 模块化多电平矩阵变换器(modular multilevel matrix converter,M3 C)是分频输电系统中频率变换与功率传输的核心装置[4 ] .M3 C可以实现高压大容量的功率转换,并且易于集成和拓展[5 ] ,但是M3 C复杂的拓扑结构大大增加了控制难度.针对M3 C的数学模型和控制策略已有大量研究,目前最为广泛采用的是基于双αβO 坐标变换的解耦控制方法[6 ⇓ -8 ] ,通过对M3 C数学模型进行双αβO 坐标变换,将工频侧与分频侧电流从桥臂电流中分离出来分别进行解耦控制.在此基础上,文献[9 ⇓ -11 ]中采用层次化电容电压的控制方法, 对M3 C的整体电压、相电压、桥臂电压以及子模块电压进行分层控制.但是这种控制方式比较复杂,桥臂电流经dq 变换后,依然有多种频率的交流成分. ...
A broad range of frequency control for the modular multilevel cascade converter based on triple-star bridge-cells (MMCC-TSBC)
1
2013
... 模块化多电平矩阵变换器(modular multilevel matrix converter,M3 C)是分频输电系统中频率变换与功率传输的核心装置[4 ] .M3 C可以实现高压大容量的功率转换,并且易于集成和拓展[5 ] ,但是M3 C复杂的拓扑结构大大增加了控制难度.针对M3 C的数学模型和控制策略已有大量研究,目前最为广泛采用的是基于双αβO 坐标变换的解耦控制方法[6 ⇓ -8 ] ,通过对M3 C数学模型进行双αβO 坐标变换,将工频侧与分频侧电流从桥臂电流中分离出来分别进行解耦控制.在此基础上,文献[9 ⇓ -11 ]中采用层次化电容电压的控制方法, 对M3 C的整体电压、相电压、桥臂电压以及子模块电压进行分层控制.但是这种控制方式比较复杂,桥臂电流经dq 变换后,依然有多种频率的交流成分. ...
双端柔性低频输电系统无扰动并网控制策略
1
2022
... 模块化多电平矩阵变换器(modular multilevel matrix converter,M3 C)是分频输电系统中频率变换与功率传输的核心装置[4 ] .M3 C可以实现高压大容量的功率转换,并且易于集成和拓展[5 ] ,但是M3 C复杂的拓扑结构大大增加了控制难度.针对M3 C的数学模型和控制策略已有大量研究,目前最为广泛采用的是基于双αβO 坐标变换的解耦控制方法[6 ⇓ -8 ] ,通过对M3 C数学模型进行双αβO 坐标变换,将工频侧与分频侧电流从桥臂电流中分离出来分别进行解耦控制.在此基础上,文献[9 ⇓ -11 ]中采用层次化电容电压的控制方法, 对M3 C的整体电压、相电压、桥臂电压以及子模块电压进行分层控制.但是这种控制方式比较复杂,桥臂电流经dq 变换后,依然有多种频率的交流成分. ...
Undisturbed grid connection control strategy for two-terminal flexible low-frequency transmission system
1
2022
... 模块化多电平矩阵变换器(modular multilevel matrix converter,M3 C)是分频输电系统中频率变换与功率传输的核心装置[4 ] .M3 C可以实现高压大容量的功率转换,并且易于集成和拓展[5 ] ,但是M3 C复杂的拓扑结构大大增加了控制难度.针对M3 C的数学模型和控制策略已有大量研究,目前最为广泛采用的是基于双αβO 坐标变换的解耦控制方法[6 ⇓ -8 ] ,通过对M3 C数学模型进行双αβO 坐标变换,将工频侧与分频侧电流从桥臂电流中分离出来分别进行解耦控制.在此基础上,文献[9 ⇓ -11 ]中采用层次化电容电压的控制方法, 对M3 C的整体电压、相电压、桥臂电压以及子模块电压进行分层控制.但是这种控制方式比较复杂,桥臂电流经dq 变换后,依然有多种频率的交流成分. ...
A new multilevel voltage-sourced converter topology for HVDC applications
1
2008
... 上述这些问题与M3 C内部环流的存在有着密切关系.模块化多电平变换器(modular multilevel converter,MMC)的研究对环流产生机理与抑制方法进行了深入探索.文献[12 ⇓ -14 ]中详细分析了子模块电容电压的波动以及子模块电容电压与内部环流之间通过开关函数相互影响的机制.文献[15 ⇓ -17 ]中从不同角度设计MMC环流抑制控制器,有效地抑制桥臂电流中的2次谐波分量,显著降低桥臂电流波形的畸变程度. ...
模块化多电平换流器环流及抑制策略研究
1
2013
... 上述这些问题与M3 C内部环流的存在有着密切关系.模块化多电平变换器(modular multilevel converter,MMC)的研究对环流产生机理与抑制方法进行了深入探索.文献[12 ⇓ -14 ]中详细分析了子模块电容电压的波动以及子模块电容电压与内部环流之间通过开关函数相互影响的机制.文献[15 ⇓ -17 ]中从不同角度设计MMC环流抑制控制器,有效地抑制桥臂电流中的2次谐波分量,显著降低桥臂电流波形的畸变程度. ...
Research on circulation current and suppressing strategy of modular multilevel converter
1
2013
... 上述这些问题与M3 C内部环流的存在有着密切关系.模块化多电平变换器(modular multilevel converter,MMC)的研究对环流产生机理与抑制方法进行了深入探索.文献[12 ⇓ -14 ]中详细分析了子模块电容电压的波动以及子模块电容电压与内部环流之间通过开关函数相互影响的机制.文献[15 ⇓ -17 ]中从不同角度设计MMC环流抑制控制器,有效地抑制桥臂电流中的2次谐波分量,显著降低桥臂电流波形的畸变程度. ...
Reduced switching-frequency modulation and circulating current suppression for modular multilevel converters
1
2011
... 上述这些问题与M3 C内部环流的存在有着密切关系.模块化多电平变换器(modular multilevel converter,MMC)的研究对环流产生机理与抑制方法进行了深入探索.文献[12 ⇓ -14 ]中详细分析了子模块电容电压的波动以及子模块电容电压与内部环流之间通过开关函数相互影响的机制.文献[15 ⇓ -17 ]中从不同角度设计MMC环流抑制控制器,有效地抑制桥臂电流中的2次谐波分量,显著降低桥臂电流波形的畸变程度. ...
柔性控制器MMC子模块最优冗余数量双重协同优化方法
1
2022
... 上述这些问题与M3 C内部环流的存在有着密切关系.模块化多电平变换器(modular multilevel converter,MMC)的研究对环流产生机理与抑制方法进行了深入探索.文献[12 ⇓ -14 ]中详细分析了子模块电容电压的波动以及子模块电容电压与内部环流之间通过开关函数相互影响的机制.文献[15 ⇓ -17 ]中从不同角度设计MMC环流抑制控制器,有效地抑制桥臂电流中的2次谐波分量,显著降低桥臂电流波形的畸变程度. ...
A dual cooperative optimization for optimal redundancy quantity of MMC submodules of flexible controller
1
2022
... 上述这些问题与M3 C内部环流的存在有着密切关系.模块化多电平变换器(modular multilevel converter,MMC)的研究对环流产生机理与抑制方法进行了深入探索.文献[12 ⇓ -14 ]中详细分析了子模块电容电压的波动以及子模块电容电压与内部环流之间通过开关函数相互影响的机制.文献[15 ⇓ -17 ]中从不同角度设计MMC环流抑制控制器,有效地抑制桥臂电流中的2次谐波分量,显著降低桥臂电流波形的畸变程度. ...
Inner control of modular multilevel converters-An approach using open-loop estimation of stored energy
1
2010
... 上述这些问题与M3 C内部环流的存在有着密切关系.模块化多电平变换器(modular multilevel converter,MMC)的研究对环流产生机理与抑制方法进行了深入探索.文献[12 ⇓ -14 ]中详细分析了子模块电容电压的波动以及子模块电容电压与内部环流之间通过开关函数相互影响的机制.文献[15 ⇓ -17 ]中从不同角度设计MMC环流抑制控制器,有效地抑制桥臂电流中的2次谐波分量,显著降低桥臂电流波形的畸变程度. ...
A novel inner current suppressing method for modular multilevel converters
1
2012
... 上述这些问题与M3 C内部环流的存在有着密切关系.模块化多电平变换器(modular multilevel converter,MMC)的研究对环流产生机理与抑制方法进行了深入探索.文献[12 ⇓ -14 ]中详细分析了子模块电容电压的波动以及子模块电容电压与内部环流之间通过开关函数相互影响的机制.文献[15 ⇓ -17 ]中从不同角度设计MMC环流抑制控制器,有效地抑制桥臂电流中的2次谐波分量,显著降低桥臂电流波形的畸变程度. ...
模块化多电平矩阵变换器电容电压纹波稳态分析
2
2013
... 与MMC相比,M3 C内部谐波情况更加复杂,但是目前对M3 C谐波特性的研究尚且不足.李峰等[18 ] 研究了稳态时子模块的电容纹波电压,得到电容纹波电压各频率成分的电压解析式,并对影响电容纹波电压的主要因素进行分析.孙玉巍等[19 ] 研究了M3 C的谐波特性,推导了9个桥臂电流谐波的详细表达式,并且分析了谐波分布及影响谐波大小的因素.Luo等[20 ] 针对20 Hz与60 Hz的互联系统,详细分析M3 C不同频率的谐波,但是由于互联系统频率存在整数倍的关系,忽视了部分频率信号,并且仅对工频、分频网侧电流进行控制,并未采取措施对环流进行抑制.文献[21 ⇓ -23 ]中从桥臂间电容电压均衡的角度出发,采用比例控制器抑制环流,但是整体控制方式比较复杂,且对环流的抑制效果有限.相比之下,比例谐振(proportional resonance,PR)控制器可以实现对特定频率信号的有效控制, 在并网逆变器以及MMC的谐波抑制中取得良好效果[24 ] ,但是尚未应用于M3 C的环流抑制中. ...
... 以桥臂au 为例,附录A中的式(A1)为稳态时子模块电容纹波电压的瞬时表达式.分析该式可知, 由于M3 C稳态运行时子模块电容纹波电压中直流分量为0[18 ] ,所以子模块纹波电压中仅含4种频率的交流分量,分别为2ω s 、2ω l 、ω s +ω l 、ω s -ω l .根据对称性可知,M3 C中9个桥臂的电容纹波电压所含交流分量的频率成分一致,且相同频率的纹波电压幅值也相等. ...
Steady-state analysis of sub-modular capacitor voltage ripple in modular multilevel matrix converters
2
2013
... 与MMC相比,M3 C内部谐波情况更加复杂,但是目前对M3 C谐波特性的研究尚且不足.李峰等[18 ] 研究了稳态时子模块的电容纹波电压,得到电容纹波电压各频率成分的电压解析式,并对影响电容纹波电压的主要因素进行分析.孙玉巍等[19 ] 研究了M3 C的谐波特性,推导了9个桥臂电流谐波的详细表达式,并且分析了谐波分布及影响谐波大小的因素.Luo等[20 ] 针对20 Hz与60 Hz的互联系统,详细分析M3 C不同频率的谐波,但是由于互联系统频率存在整数倍的关系,忽视了部分频率信号,并且仅对工频、分频网侧电流进行控制,并未采取措施对环流进行抑制.文献[21 ⇓ -23 ]中从桥臂间电容电压均衡的角度出发,采用比例控制器抑制环流,但是整体控制方式比较复杂,且对环流的抑制效果有限.相比之下,比例谐振(proportional resonance,PR)控制器可以实现对特定频率信号的有效控制, 在并网逆变器以及MMC的谐波抑制中取得良好效果[24 ] ,但是尚未应用于M3 C的环流抑制中. ...
... 以桥臂au 为例,附录A中的式(A1)为稳态时子模块电容纹波电压的瞬时表达式.分析该式可知, 由于M3 C稳态运行时子模块电容纹波电压中直流分量为0[18 ] ,所以子模块纹波电压中仅含4种频率的交流分量,分别为2ω s 、2ω l 、ω s +ω l 、ω s -ω l .根据对称性可知,M3 C中9个桥臂的电容纹波电压所含交流分量的频率成分一致,且相同频率的纹波电压幅值也相等. ...
分频输电系统模块化多电平矩阵变换器谐波特性分析
1
2022
... 与MMC相比,M3 C内部谐波情况更加复杂,但是目前对M3 C谐波特性的研究尚且不足.李峰等[18 ] 研究了稳态时子模块的电容纹波电压,得到电容纹波电压各频率成分的电压解析式,并对影响电容纹波电压的主要因素进行分析.孙玉巍等[19 ] 研究了M3 C的谐波特性,推导了9个桥臂电流谐波的详细表达式,并且分析了谐波分布及影响谐波大小的因素.Luo等[20 ] 针对20 Hz与60 Hz的互联系统,详细分析M3 C不同频率的谐波,但是由于互联系统频率存在整数倍的关系,忽视了部分频率信号,并且仅对工频、分频网侧电流进行控制,并未采取措施对环流进行抑制.文献[21 ⇓ -23 ]中从桥臂间电容电压均衡的角度出发,采用比例控制器抑制环流,但是整体控制方式比较复杂,且对环流的抑制效果有限.相比之下,比例谐振(proportional resonance,PR)控制器可以实现对特定频率信号的有效控制, 在并网逆变器以及MMC的谐波抑制中取得良好效果[24 ] ,但是尚未应用于M3 C的环流抑制中. ...
Harmonic characteristics analysis of modular multilevel matrix converter for fractional frequency transmission system
1
2022
... 与MMC相比,M3 C内部谐波情况更加复杂,但是目前对M3 C谐波特性的研究尚且不足.李峰等[18 ] 研究了稳态时子模块的电容纹波电压,得到电容纹波电压各频率成分的电压解析式,并对影响电容纹波电压的主要因素进行分析.孙玉巍等[19 ] 研究了M3 C的谐波特性,推导了9个桥臂电流谐波的详细表达式,并且分析了谐波分布及影响谐波大小的因素.Luo等[20 ] 针对20 Hz与60 Hz的互联系统,详细分析M3 C不同频率的谐波,但是由于互联系统频率存在整数倍的关系,忽视了部分频率信号,并且仅对工频、分频网侧电流进行控制,并未采取措施对环流进行抑制.文献[21 ⇓ -23 ]中从桥臂间电容电压均衡的角度出发,采用比例控制器抑制环流,但是整体控制方式比较复杂,且对环流的抑制效果有限.相比之下,比例谐振(proportional resonance,PR)控制器可以实现对特定频率信号的有效控制, 在并网逆变器以及MMC的谐波抑制中取得良好效果[24 ] ,但是尚未应用于M3 C的环流抑制中. ...
Harmonic analysis of modular multilevel matrix converter for fractional frequency transmission system
3
2020
... 与MMC相比,M3 C内部谐波情况更加复杂,但是目前对M3 C谐波特性的研究尚且不足.李峰等[18 ] 研究了稳态时子模块的电容纹波电压,得到电容纹波电压各频率成分的电压解析式,并对影响电容纹波电压的主要因素进行分析.孙玉巍等[19 ] 研究了M3 C的谐波特性,推导了9个桥臂电流谐波的详细表达式,并且分析了谐波分布及影响谐波大小的因素.Luo等[20 ] 针对20 Hz与60 Hz的互联系统,详细分析M3 C不同频率的谐波,但是由于互联系统频率存在整数倍的关系,忽视了部分频率信号,并且仅对工频、分频网侧电流进行控制,并未采取措施对环流进行抑制.文献[21 ⇓ -23 ]中从桥臂间电容电压均衡的角度出发,采用比例控制器抑制环流,但是整体控制方式比较复杂,且对环流的抑制效果有限.相比之下,比例谐振(proportional resonance,PR)控制器可以实现对特定频率信号的有效控制, 在并网逆变器以及MMC的谐波抑制中取得良好效果[24 ] ,但是尚未应用于M3 C的环流抑制中. ...
... 根据基尔霍夫电压定律可以得到每条桥臂的回路电压方程,桥臂中8种谐波电压会产生8种频率的谐波电流,通过求解电压方程可以得到相应频率的谐波电流解析式,进而能够分析谐波电流的特性[20 ] . ...
... 采用相同的计算方式,可以得到另外7种频率的桥臂谐波电流表达式和初始相位角,如附录式A(2)~A(8)所示.经分析,ω s 与ω l 频率的谐波电流为正序谐波,以正序基波的形式分别流入M3 C的工、分频侧,不需要进行控制.3ω s 与3ω l 频率的谐波电流为零序谐波,会流入M3 C的两侧;但在FFTS中M3 C两侧变压器通常采用三角接线,能够直接切断零序电流的路径[20 ] ,不再需要抑制零序电流.另外3种频率ω s +2ω l 、2ω s +ω l 、ω s -2ω l 的谐波与 2ω s -ω l 频率的谐波电流具有相同的特性,都为谐波环流,其中ω s -2ω l 频率的谐波幅值最大. ...
面向低频海上风电送出的模块化多电平矩阵变换器输入输出侧解耦控制
1
2022
... 与MMC相比,M3 C内部谐波情况更加复杂,但是目前对M3 C谐波特性的研究尚且不足.李峰等[18 ] 研究了稳态时子模块的电容纹波电压,得到电容纹波电压各频率成分的电压解析式,并对影响电容纹波电压的主要因素进行分析.孙玉巍等[19 ] 研究了M3 C的谐波特性,推导了9个桥臂电流谐波的详细表达式,并且分析了谐波分布及影响谐波大小的因素.Luo等[20 ] 针对20 Hz与60 Hz的互联系统,详细分析M3 C不同频率的谐波,但是由于互联系统频率存在整数倍的关系,忽视了部分频率信号,并且仅对工频、分频网侧电流进行控制,并未采取措施对环流进行抑制.文献[21 ⇓ -23 ]中从桥臂间电容电压均衡的角度出发,采用比例控制器抑制环流,但是整体控制方式比较复杂,且对环流的抑制效果有限.相比之下,比例谐振(proportional resonance,PR)控制器可以实现对特定频率信号的有效控制, 在并网逆变器以及MMC的谐波抑制中取得良好效果[24 ] ,但是尚未应用于M3 C的环流抑制中. ...
Input/output side decoupling control of modular multilevel matrix converter for low-frequency offshore wind power transmission
1
2022
... 与MMC相比,M3 C内部谐波情况更加复杂,但是目前对M3 C谐波特性的研究尚且不足.李峰等[18 ] 研究了稳态时子模块的电容纹波电压,得到电容纹波电压各频率成分的电压解析式,并对影响电容纹波电压的主要因素进行分析.孙玉巍等[19 ] 研究了M3 C的谐波特性,推导了9个桥臂电流谐波的详细表达式,并且分析了谐波分布及影响谐波大小的因素.Luo等[20 ] 针对20 Hz与60 Hz的互联系统,详细分析M3 C不同频率的谐波,但是由于互联系统频率存在整数倍的关系,忽视了部分频率信号,并且仅对工频、分频网侧电流进行控制,并未采取措施对环流进行抑制.文献[21 ⇓ -23 ]中从桥臂间电容电压均衡的角度出发,采用比例控制器抑制环流,但是整体控制方式比较复杂,且对环流的抑制效果有限.相比之下,比例谐振(proportional resonance,PR)控制器可以实现对特定频率信号的有效控制, 在并网逆变器以及MMC的谐波抑制中取得良好效果[24 ] ,但是尚未应用于M3 C的环流抑制中. ...
Distributed control for the modular multilevel matrix converter
1
2019
... 与MMC相比,M3 C内部谐波情况更加复杂,但是目前对M3 C谐波特性的研究尚且不足.李峰等[18 ] 研究了稳态时子模块的电容纹波电压,得到电容纹波电压各频率成分的电压解析式,并对影响电容纹波电压的主要因素进行分析.孙玉巍等[19 ] 研究了M3 C的谐波特性,推导了9个桥臂电流谐波的详细表达式,并且分析了谐波分布及影响谐波大小的因素.Luo等[20 ] 针对20 Hz与60 Hz的互联系统,详细分析M3 C不同频率的谐波,但是由于互联系统频率存在整数倍的关系,忽视了部分频率信号,并且仅对工频、分频网侧电流进行控制,并未采取措施对环流进行抑制.文献[21 ⇓ -23 ]中从桥臂间电容电压均衡的角度出发,采用比例控制器抑制环流,但是整体控制方式比较复杂,且对环流的抑制效果有限.相比之下,比例谐振(proportional resonance,PR)控制器可以实现对特定频率信号的有效控制, 在并网逆变器以及MMC的谐波抑制中取得良好效果[24 ] ,但是尚未应用于M3 C的环流抑制中. ...
电网不平衡工况下模块化多电平矩阵变换器控制策略
1
2023
... 与MMC相比,M3 C内部谐波情况更加复杂,但是目前对M3 C谐波特性的研究尚且不足.李峰等[18 ] 研究了稳态时子模块的电容纹波电压,得到电容纹波电压各频率成分的电压解析式,并对影响电容纹波电压的主要因素进行分析.孙玉巍等[19 ] 研究了M3 C的谐波特性,推导了9个桥臂电流谐波的详细表达式,并且分析了谐波分布及影响谐波大小的因素.Luo等[20 ] 针对20 Hz与60 Hz的互联系统,详细分析M3 C不同频率的谐波,但是由于互联系统频率存在整数倍的关系,忽视了部分频率信号,并且仅对工频、分频网侧电流进行控制,并未采取措施对环流进行抑制.文献[21 ⇓ -23 ]中从桥臂间电容电压均衡的角度出发,采用比例控制器抑制环流,但是整体控制方式比较复杂,且对环流的抑制效果有限.相比之下,比例谐振(proportional resonance,PR)控制器可以实现对特定频率信号的有效控制, 在并网逆变器以及MMC的谐波抑制中取得良好效果[24 ] ,但是尚未应用于M3 C的环流抑制中. ...
Control strategy of the modular multilevel matrix converter under unbalanced grid condition
1
2023
... 与MMC相比,M3 C内部谐波情况更加复杂,但是目前对M3 C谐波特性的研究尚且不足.李峰等[18 ] 研究了稳态时子模块的电容纹波电压,得到电容纹波电压各频率成分的电压解析式,并对影响电容纹波电压的主要因素进行分析.孙玉巍等[19 ] 研究了M3 C的谐波特性,推导了9个桥臂电流谐波的详细表达式,并且分析了谐波分布及影响谐波大小的因素.Luo等[20 ] 针对20 Hz与60 Hz的互联系统,详细分析M3 C不同频率的谐波,但是由于互联系统频率存在整数倍的关系,忽视了部分频率信号,并且仅对工频、分频网侧电流进行控制,并未采取措施对环流进行抑制.文献[21 ⇓ -23 ]中从桥臂间电容电压均衡的角度出发,采用比例控制器抑制环流,但是整体控制方式比较复杂,且对环流的抑制效果有限.相比之下,比例谐振(proportional resonance,PR)控制器可以实现对特定频率信号的有效控制, 在并网逆变器以及MMC的谐波抑制中取得良好效果[24 ] ,但是尚未应用于M3 C的环流抑制中. ...
基于比例积分谐振调节的光伏并网逆变器电流控制方法
1
2018
... 与MMC相比,M3 C内部谐波情况更加复杂,但是目前对M3 C谐波特性的研究尚且不足.李峰等[18 ] 研究了稳态时子模块的电容纹波电压,得到电容纹波电压各频率成分的电压解析式,并对影响电容纹波电压的主要因素进行分析.孙玉巍等[19 ] 研究了M3 C的谐波特性,推导了9个桥臂电流谐波的详细表达式,并且分析了谐波分布及影响谐波大小的因素.Luo等[20 ] 针对20 Hz与60 Hz的互联系统,详细分析M3 C不同频率的谐波,但是由于互联系统频率存在整数倍的关系,忽视了部分频率信号,并且仅对工频、分频网侧电流进行控制,并未采取措施对环流进行抑制.文献[21 ⇓ -23 ]中从桥臂间电容电压均衡的角度出发,采用比例控制器抑制环流,但是整体控制方式比较复杂,且对环流的抑制效果有限.相比之下,比例谐振(proportional resonance,PR)控制器可以实现对特定频率信号的有效控制, 在并网逆变器以及MMC的谐波抑制中取得良好效果[24 ] ,但是尚未应用于M3 C的环流抑制中. ...
Current control strategy for photovoltaic grid-connected inverter based on PIR regulator
1
2018
... 与MMC相比,M3 C内部谐波情况更加复杂,但是目前对M3 C谐波特性的研究尚且不足.李峰等[18 ] 研究了稳态时子模块的电容纹波电压,得到电容纹波电压各频率成分的电压解析式,并对影响电容纹波电压的主要因素进行分析.孙玉巍等[19 ] 研究了M3 C的谐波特性,推导了9个桥臂电流谐波的详细表达式,并且分析了谐波分布及影响谐波大小的因素.Luo等[20 ] 针对20 Hz与60 Hz的互联系统,详细分析M3 C不同频率的谐波,但是由于互联系统频率存在整数倍的关系,忽视了部分频率信号,并且仅对工频、分频网侧电流进行控制,并未采取措施对环流进行抑制.文献[21 ⇓ -23 ]中从桥臂间电容电压均衡的角度出发,采用比例控制器抑制环流,但是整体控制方式比较复杂,且对环流的抑制效果有限.相比之下,比例谐振(proportional resonance,PR)控制器可以实现对特定频率信号的有效控制, 在并网逆变器以及MMC的谐波抑制中取得良好效果[24 ] ,但是尚未应用于M3 C的环流抑制中. ...
低频输电技术原理之一——M3 C的数学模型与等效电路
1
2021
... 根据文献[25 ]中的推导,工频侧和分频侧以及内部环流在αβ 静止坐标下的控制方程为 ...
Principles of low frequency power transmission technology: Part 1—Mathematical model and equivalent circuit of M3 C
1
2021
... 根据文献[25 ]中的推导,工频侧和分频侧以及内部环流在αβ 静止坐标下的控制方程为 ...