基于准比例谐振控制的模块化多电平矩阵变换器环流抑制策略 |
| 姜亚峰, 李仪博, 吴秋伟, 刘沈全, 吴小丹, 周前 |
|
Circulating Current Suppression Strategy of Modular Multilevel Matrix Converter Based on Quasi-Proportional Resonant Control |
| JIANG Yafeng, LI Yibo, WU Qiuwei, LIU Shenquan, WU Xiaodan, ZHOU Qian |
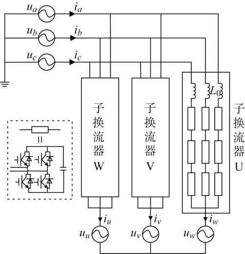
| 图1 M3C主电路结构 |
| Fig.1 Main circuit structure of M3C |
|