机匣组线加工装夹找正系统误差建模与精度优化方法 |
| 杜雪明, 向洋, 刘顺, 金隼 |
|
Modeling of Systematic Errors and Precision Optimization Methods for Workpiece Clamping and Alignment System in Aeroengine Gearbox Automated Line Machining |
| DU Xueming, XIANG Yang, LIU Shun, JIN Sun |
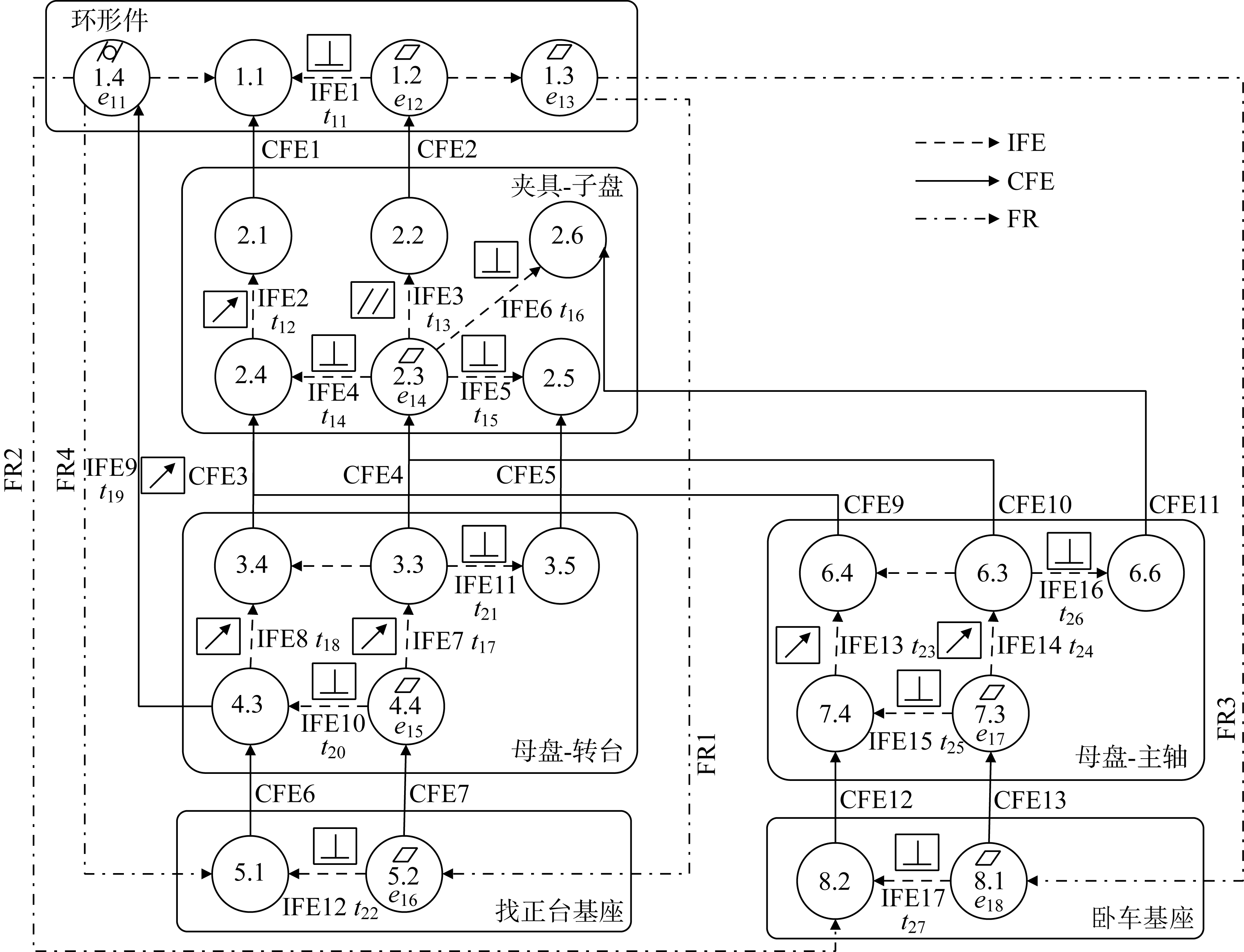
| 图7 多母盘装配系统的装配偏差分析基本尺寸链 |
| Fig.7 Basic dimensional chain for assembly deviation analysis of multi-master assembly system |
|