有和无电流环控制构网型VSC暂态建模与特性对比分析 |
| 任先成, 李尚志, 李英彪, 胡家兵, 徐泰山, 鲍颜红, 吴峰 |
|
Transient Modeling and Characteristic Comparative Analysis of Grid-Forming VSC with and Without Current Control |
| REN Xiancheng, LI Shangzhi, LI Yingbiao, HU Jiabing, XU Taishan, BAO Yanhong, WU Feng |
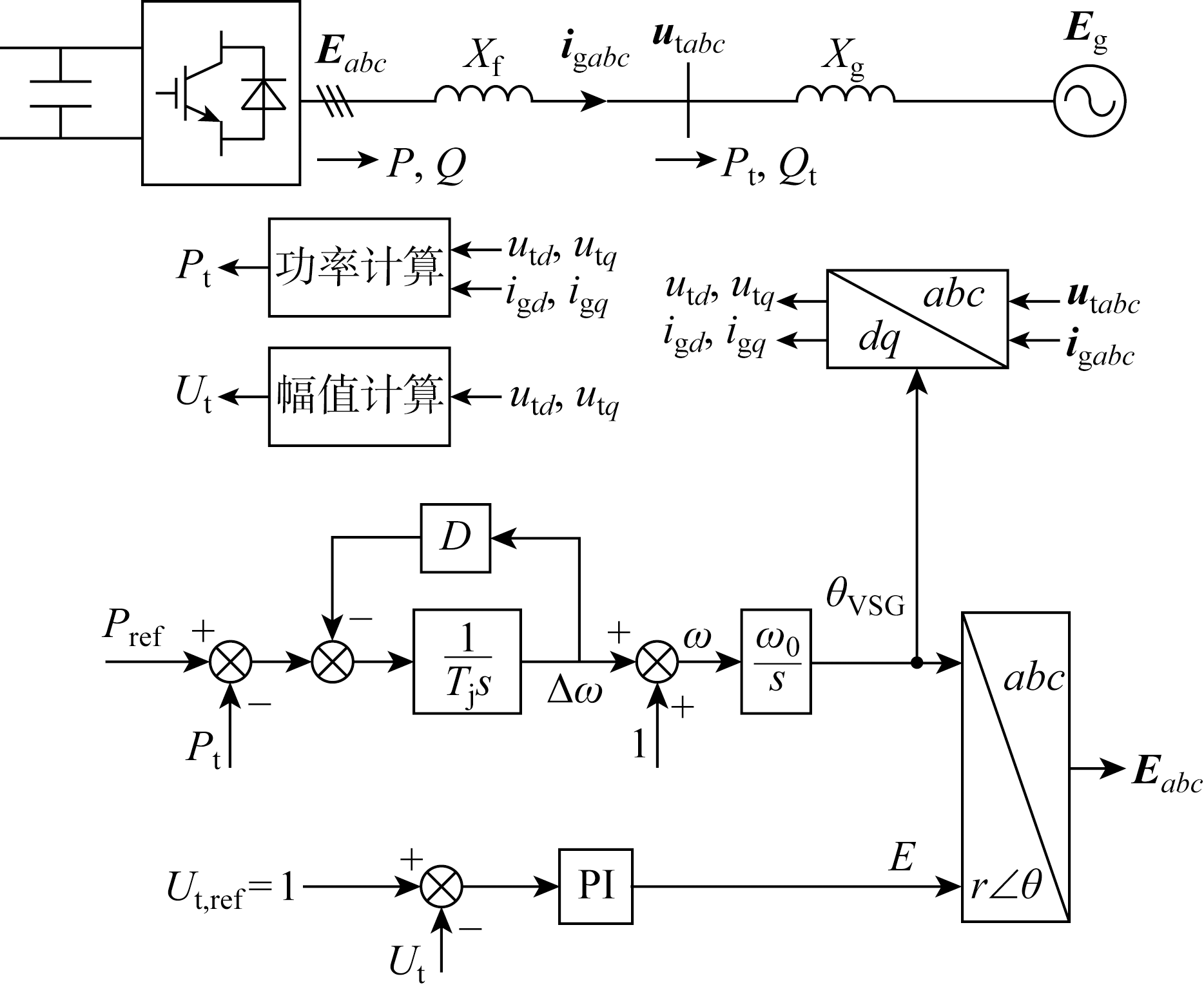
| 图2 直接电压控制构网型VSC结构 |
| Fig.2 Structure of VSC with direct voltage control |
|