基于超螺旋扩张状态观测器的耦合单电感双输出Buck变换器串级滑模解耦控制 |
| 皇金锋, 章乾 |
|
Cascade Sliding Mode Decoupling Control of Coupled Inductor Single-Input Dual-Output Buck Converter Based on Super-Twisting Extend State Observer |
| HUANG JinFeng, ZHANG Qian |
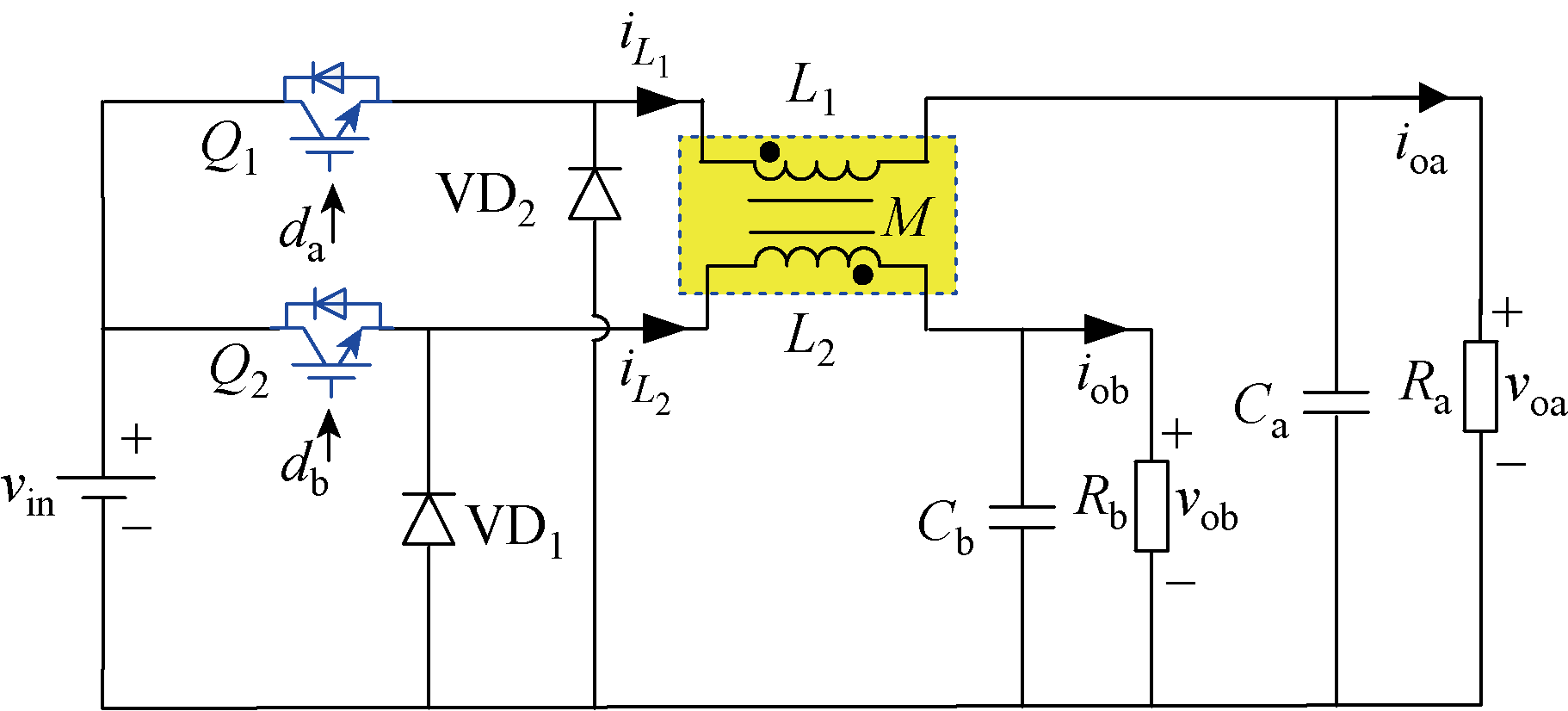
| 图1 CI-SIDO Buck变换器 |
| Fig.1 CI-SIDO Buck converter |
|