我国正式提出2030年实现碳达峰、2060年实现碳中和的目标后,以煤炭为主的能源行业亟需进行结构调整与优化[1 -2 ] .国际能源组织报告中指出我国CO2 排放量占全球总排放量的28%,其中电力行业排放量占总量的43%[3 ] .因此,采取更加有效的电力低碳发展政策,鼓励低碳和零碳排放发电技术成为迫切需求.
2017年12月我国发布《全国碳排放权交易市场建设方案(发电行业)》,提出率先在电力行业启动全国碳排放权交易市场,在发电行业碳市场稳定运行的前提下,逐步扩大市场覆盖范围,丰富交易品种和交易方式.碳排放权交易可以显现出新能源的绿色价值,通过市场竞争在降低碳成本的同时最大化社会效益,这对我国建设新型电力系统实现“双碳”目标具有重要意义.
目前,电力行业的碳减排是以配额交易为主导、自愿减排为辅的双规体系.其中,我国碳排放配额以免费分配为主,且总量基准值取决于行业的碳排放基准,这对企业碳排放数据可靠性及监测管理具有较高依赖性.同时,在碳配额初始分配时采用基准法核定,无法为控排企业提供碳配额的价值参考,不能高效推动企业自身主动减排改造.此外,碳市场作用未充分体现,市场活跃度不足,且在面对碳排放考核时,发电企业将碳成本通过电价传导给用户,并未真正降低发电行业的碳排放.因此,需要形成精准有效的电力行业初始碳配额制定方法,厘清电力市场与碳市场耦合关系,建立高效的市场交易机制,充分发挥碳市场在电力行业减排和能源结构转型中的能动作用.
近年来,电力领域中关于碳减排的研究获得越来越多的关注.如何将碳减排目标纳入模型中促进电力系统低碳发展成为当前研究的热点.文献[4 ]中基于碳税与碳交易对发电成本进行建模,提出系统两阶段低碳调度模型.文献[5 ]中构建计及阶梯碳交易成本的鲁棒优化模型,分析碳交易价格对系统运行的影响.文献[6 ]中考虑碳捕集技术建立双层优化配置模型,并利用卡罗需-库恩-塔克条件转为单层模型求解.文献[7 ]中建立多维度绩效评价指标体系,并将其引入竞拍交易机制中,通过完善微网分布式交易模式提升新能源消纳率,实现碳减排目标.文献[8 ]中提出一种碳交易环境下含风电电力系统确定性的短期生产模拟模型,对碳排放权分配及碳交易成本进行建模并纳入成本模型中,从而推动电力低碳化目标的实现.文献[9 ]中提出一种考虑阶梯型碳交易的虚拟电厂低碳经济调度模型,对碳捕集系统及碳交易成本进行建模,为提升能源效率、实现“双碳”目标提供了一种新路径.上述研究对碳排放成本进行建模或建立指标体系内嵌在模型中,但均未考虑现行碳排放政策对模型的影响.文献[10 ]中提出考虑不同类型电源排放强度的统一碳排放基准计算方法,将不同电源纳入碳配额分配机制中.文献[11 ]中探讨了电力行业碳核算方法,提升美国电力行业碳配额分配效率.文献[12 ]中采用改进熵权系数法确定影响碳排放分配的各指标综合权重,建立碳配额分配模型.文献[13 ]中提出修正的数据包络分析法,反映各省之间的碳配额分配协作方式.上述研究分析了碳配额对低碳减排的积极作用并构建碳配额分配模型,但目前国内碳配额分配方面的研究主要集中在省域或行业之间,对于发电行业内发电机组间的碳配额分配研究较为缺乏.要实现新型电力系统建设,未来电力系统不但需要满足系统平衡需求,还应满足低碳环保要求.当新能源参与电力市场时,碳配额可以反映新能源优于常规火电的绿色特性,实现系统更大范围的优化运行.
市场机制是资源优化配置的重要手段,随着碳市场研究日益广泛,部分研究将碳交易机制引入电力系统中进一步提高新能源的利用率,保证系统低碳经济运行.目前,在碳市场与电力市场的耦合研究方面,文献[14 ]中剖析了碳市场、电力市场与绿证市场之间的关联关系与交互影响机理,提出相应的衔接机制.文献[15 ]中利用系统动力学模型,在碳市场与绿证市场交易基础上,分析内部因素与外部环境间的相互作用机制.文献[16 ]中在考虑国家核证自愿减排量(Chinese certified emission reduction, CCER)的碳-电耦合市场基础上,建立水火电协同竞价模型.文献[17 ]中采用一般均衡模型来模拟分析碳交易市场对电力行业的影响.文献[18 ]中分析碳市场机制引起的成本节约效应以及其对电力市场的互动效应,提出考虑碳排放价格的电能成本模型.文献[19 ]中研究美国区域温室气体减排行动的运行情况以及区域内电力市场与碳市场的耦合机制.文献[20 ]中引入CCER交易抵消机制,分析碳配额对风电光伏及碳减排的影响情况.文献[21 ]中提出考虑发电商以年清算和日出清为基础的多时间尺度碳-电耦合决策,以联合进行碳-电市场的均衡分析.文献[22 ]中提出一种基于碳价的需求响应,考虑电力市场和碳市场之间的套利利润,分析市场用户行为变化和减排效果.文献[23 ]中研究考虑碳排放的价格型需求响应机制及边云协同优化策略,提出考虑添加折扣因子下的电价机制,将固定碳成本转化为灵活碳成本,通过电价调节降低碳排放的目的.上述关于碳电耦合的研究大多集中于市场主体在考虑碳市场后的竞价策略分析,以及碳交易机制、碳配额和碳排放责任对市场出清的影响,并未分析新能源市场化后碳电耦合对推动新能源消纳和实现电力行业碳减排的影响;且关于碳电市场联合的交易模式研究较为缺乏,同一主体参与碳-电两个市场的模式研究更为鲜见,无法充分发挥市场完善资源配置的积极作用.因此,迫切需要构建现实高效的市场机制,以碳电交易协同推动电力行业低碳发展.
针对上述问题,设计一种考虑碳排放权交易的两阶段市场出清模式,根据第一阶段新能源与常规机组同台竞争下的市场出清结果,利用潮流追踪理论确定各市场用户的CCER.在第二阶段以社会福利最大出清碳市场,根据交易结果更新各常规火电和负荷的碳排放额度;并在计及碳排放量约束下进行二次电力市场出清,根据二次出清结果制定发用电计划.最后,对改进的IEEE 30节点网络进行算例分析,验证了所提模式的有效性.考虑到新型电力系统将以高比例新能源为主体,所提两阶段市场模式充分体现新能源的绿色低碳价值,可推动电力行业内新能源的市场化,提高新能源消纳,并激励发电企业节能减排.
1 两阶段市场交易模式流程设计
同一交易主体可能需要在不同市场产生交易,比如火电机组和大多工业负荷既是电力市场也是碳市场的交易主体,而且其在不同市场的买卖对象实际有紧密的关联性,甚至同一主体在不同市场的交易具有反向性.但由于目前碳电市场的耦合机制并未建立,容易造成市场成员信息不对称以及竞价不充分的现象,从而导致市场效率低下以及交易成本高等问题,不利于调动市场主体参与市场的积极性.因此,解决涉及到多市场交易、不充分不对称问题要从优化市场结构及加强市场引导出发,为市场主体提供公开、透明、高效的交易机制.
所提交易模式旨在将电力市场与碳市场有机结合,为不增加耦合交易的复杂性,将两个市场分阶段进行.新能源与常规火电不但具有相同的电能量价值,还拥有CCER价值.碳控排主体同时也是电力负荷主体,考虑到目前碳市场交易周期较长,所提两阶段市场出清模式一是为市场主体提供交易频次更高的碳交易,二是激励负荷消纳新能源,这样可以同时抵免自身部分碳排量,减少自身的碳排成本,并反映出新能源对环境友好的正外部性价值.两阶段市场出清流程如图1 所示,具体交易细则如下.
图1
图1
两阶段市场出清流程
Fig.1
Two-stage market clearing process
(1) 信息申报.常规火电和负荷用户申报电力交易信息并提交运行日的可用碳额度,新能源机组仅申报电力交易信息.此外,常规火电和负荷用户还可以选择是否额外申报碳排放权购售信息,若不申报碳购售信息,则视为不参与碳交易市场.
(2) 电力市场出清.交易中心根据市场主体申报的电力交易信息进行第一阶段出清.由于新能源机组与常规火电同台集中出清,所以该阶段市场出清结果仅用于分析各负荷的新能源消纳量,从而确定相应的CCER量.
(3) 碳交易.在碳市场中,市场参与者不能同时买卖,只能选择其中一种身份参与碳市场,买卖双方既可以为发电企业也可以为用电负荷.确定各市场主体的可交易碳排放量后,结合各主体申报的碳交易信息,以社会福利最大为原则出清碳市场,并按交易结果更新各主体的可用碳排放额度.
(4) 电力市场二次出清.市场交易中心确定各主体更新后的碳额度,在考虑碳额度约束下进行二次市场出清.对交易结果进行安全校核,通过校核后形成正式出清结果.
2 初始碳配额分配模型
2.1 碳配额分配指标
在考虑碳排放权交易之前,首先需要确定电力行业内的碳配额情况.目前执行的行业内碳排放初始配额根据历史法或基准线法确定[24 ] .前者指企业根据碳排放历史数据及年度下降系数分配得到固定数量的碳配额;后者选取该类型企业的碳排放量均值作为该类企业的初始配额基准.以上两种方法不能区分不同排放量的火电机组,因此也不能激励火电机组主动进行减排改造.提出一种碳排额分配多准则指标计算方法,不仅考虑历史碳排放量,还包括火电机组自身的能源消耗强度、碳排放强度以及发电量占比.
能源消耗强度EF ,i 指火电机组i单位发电量所消耗的一次能源,反映火电机组的发电效率:
(1) EF ,i = ∑ t = 1 T C Q F , i , t ∑ t = 1 T C Q P , i , t
式中:TC 为初始配额分配的整个周期;QF , i, t 、QP , i, t 分别为火电机组i在t时段的能源消耗量以及发电量.
机组碳排放强度CE ,i 指火电机组i每发单位电量所产生的CO2 排放量,反映火电机组的碳排放水平:
(2) CE ,i = ∑ t = 1 T C Q C , i , t ∑ t = 1 T C Q P , i , t
式中:QC , i, t 为火电机组i在t时段的CO2 排放量.
发电量占比RC , i 指在电力市场交易中,火电机组i在周期TC 内通过竞争获得的发电量占全部火电机组的总市场电量的比例,发电量占比越高说明该火电机组在电能量市场竞争中越具优势.表示为
(3) RC , i = ∑ t = 1 T C Q P , i , t ∑ t = 1 T C Q P , t
2.2 基于ZSG-DEA的碳配额分配
零和博弈-数据包络分析(zero sum gains-data envelopment analysis, ZSG-DEA)模型常用于解决资源分配问题,该方法假设资源总量固定,一个决策单元的投入资源增加将导致其他决策单元的投入资源减少.目前大多数研究将CO2 排放量作为投入,并只考虑经济指标通过最大化期望产出与投入之比,来确定各决策单元的碳配额分配[25 ] .本文将碳配额作为投入,能源消耗强度、碳排放强度及发电量占比视作产出,根据以上指标体现机组特性,实现不同类型火电机组初始碳配额的最优分配.表示为
(4) min φg
(5) ∑ i = 1 K ϕ i E F , i ≥ E F , g ∑ i = 1 K ϕ i C E , i ≥ C E , g ∑ i = 1 K ϕ i R C , i ≥ R C , g ∑ i = 1 K ϕ i Q C , i 1 + Q C , g ( 1 - φ g ) ∑ i ≠ g N Q C , i ≤ φ g Q C , g ∑ i = 1 K ϕ i = 1 ϕ i ≥ 0 , i = 1 , 2 , … , K
式中:φg 为低效火电机组g的数据包络分析效率;ϕi 为第i个火电机组的权重;EF ,g 为低效火电机组g能源消耗强度;CE , g 为低效火电机组g的碳排放强度;RC ,g 为低效火电机组g的发电量占比;QC ,i 为火电机组i的初始碳排放分配;QC ,g 为低效火电机组g的初始碳排放分配.根据上述模型低效率的火电机组初始碳配额将被重新分配,直到所有火电机组到达DEA边界,效率达到1.0,即实现各火电机组的效率最优分配.
3 两阶段市场出清模型
3.1 第一阶段主能量市场出清模型
(6) min C=min (Cg +Cw +COS , g )
日前市场下系统的总运行成本C包括常规机组的发电成本Cg 和新能源机组发电成本Cw 、启停成本COS , g .
(1) 常规机组发电成本Cg .本文常规机组主要指火电机组,其发电报价在考虑其能耗成本的基础上还包含碳排成本.表示为
(7) Cg = ∑ t = 1 T ∑ g = 1 N G ug, t [ag (Pg, t )2 +bg Pg, t + cg +CEC , g Pg, t ]
式中:T为一个调度周期;NG 为火电机组的总数;ug, t ∈{0, 1}为第g台火电机组的t时刻状态,为1表示机组处于运行状态,为0表示处于停机状态;Pg, t 为t时刻第g台火电机组出力;ag 、bg 、cg 为火电机组g的煤耗成本系数;CEC , g 为机组g的碳排放成本系数.
(2) 新能源机组发电成本Cw .新能源发电成本采用国际通用的平准化度电成本分析方法进行评估,从全寿命周期视角反映新能源项目的度电成本,包括投资成本、运维成本、金融成本等.表示为
(8) Cw = C w , I + ∑ f = 0 F C w , f , O M - C w , f R t a x - V w , r ( 1 + r ) f ∑ f = 0 F E w , f ( 1 + r ) f
式中:F为新能源发电机组的生命周期;Ew, f 为新能源机组w在第f年的发电量;r为贴现率,通常基于资本的机会成本或加权平均成本获得;Rtax 为新能源机组的年退化率;Cw, I 为新能源机组w的初始投资成本,包括设备购置费用、建筑及安装工程费用、前期开发与土地费用等;Cw, f, O&M 为新能源机组w在第f年的的运维成本,包括检修费用、备品备件购置费用、人员管理费用等;Cw, f 为新能源机组w在第f年项目固定资产的折旧;Vw, r 为新能源机组w的固定资产残值.
(9) COS ,g = ∑ t = 1 T ∑ g = 1 N G (CO , g, t +CS , g, t )
式中:CO , g, t 为t时刻火电机组g的启动成本;CS , g, t 为t时刻火电机组g的停运成本.
(10) ∑ g = 1 N G Pg, t + ∑ w = 1 N W Pw, t -PL , t =0: λ t
式中:Pw,t 为t时刻第w台新能源机组出力;PL , t 为t时刻负荷大小;NW 为新能源机组总数;λt 为等式约束对应的拉格朗日对偶变量,也是t时刻日前市场出清电价.
(11) ug, t Pmin , g ≤Pg, t ≤ug, t Pmax , g
(12) 0≤Pw, t ≤PPR , w, t
式中:Pmax , g 、Pmin , g 分别为火电机组g的最大、最小出力限值;PPR , w, t 为新能源机组w在t时刻的预测出力.
(13) P g , t - P g , t - 1 ≤ P U , g u g , t P g , t - 1 - P g , t ≤ P D , g u g , t - 1
式中:PU , g 、PD , g 分别为火电机组g的上下爬坡速率限值.
(14) ∑ g = 1 N G ( P m a x , g - P g , t ) ≥ R U , t ∑ g = 1 N G ( P g , t - P m i n , g ) ≥ R D , t
式中:RU , t 、RD , t 分别为系统在t时刻的正负备用.
(15) ∑ k = t t + T S , g - 1 ( 1 - u g , k ) ≥ T S , g ( u g , t - 1 - u g , t ) ∑ k = t t + T O , g - 1 u g , k ≥ T O , g ( u g , t - u g , t - 1 )
式中:TS , g 、TO , g 分别为火电机组g的最小连续关停和最小连续开机时间.
(16) C O , g , t ≥ m a x { H g ( u g , t - u g , t - 1 ) , 0 C S , g , t ≥ m a x { J g ( u g , t - 1 - u g , t ) , 0
式中:Hg 、Jg 分别为常规机组g的单次启动、关停成本.
(17) ∑ m = 1 N G l m ∑ n = 1 N G a G , m n P n , t + ∑ m = 1 N G l m ∑ n = 1 N W a W , m n P n , t - ∑ m = 1 N G l m P L , m , t ≤ P m a x , l ∑ m = 1 N G l m ∑ n = 1 N G a G , m n P n , t + ∑ m = 1 N G l m ∑ n = 1 N W a W , m n P n , t - ∑ m = 1 N G l m P L , m , t ≥ - P m a x , l
式中:N为系统总节点数;Glm 为节点m注入单位有功引起的第l条线路有功潮流变化;aG , mn 、aW , mn 分别为火电机组、新能源机组节点关联矩阵第m行第n列的元素,若机组n接入节点m,则amn =1,反之,ayn =0, y≠m;Pn, t 为机组n在t时刻出力大小; PL , m, t 为t时刻节点m处负荷大小;Pmax , l 为线路l的最大传输容量.
3.2 第二阶段计及碳交易的二次出清模型
在碳交易阶段,市场参与主体为常规火电和负荷用户.由于绿电可完全覆盖CCER的环境价值,所以假设负荷消纳的新能源电力可部分抵免其碳排放量从而将绿色电力纳入碳市场[26 ] .采用潮流追踪理论[27 ] 确定各负荷消纳的电能来源,厘清符合CCER的最终归属.根据CCER的碳抵消政策,确定各负荷主体在碳市场上的可交易碳量,结合申报阶段各市场主体提交的碳额度及报价报量信息开启碳交易市场.
碳交易采取集中撮合的方式,按买卖双方价差从大到小形成购售匹配对,以匹配对成交均价作为双方成交碳价.碳市场仅进行一次出清,以社会福利最大为目标,出清模型如下:
(18) max ∑ h = 1 H ∑ o = 1 O (λB ,h Qho -λS ,o Qho )
式中:H为碳排放需求方总数;O为碳排放量卖方总数;λB , h 为第h个需求方报价;λS , o 为第o个卖方报价;Qho 为购售方ho之间成交的碳排放量.
(19) Qho ≥0
(20) ∑ h = 1 H Q h o ≤ Q S , o , h = 1 , 2 , … , H ∑ o = 1 O Q h o ≤ Q B , h , o = 1 , 2 , … , O
式中:QS , o 为第o个卖方申报的可交易碳排放量;QB , h 为第h个买方申报的碳排放需求量.
(21) $\left.\begin{array}{l} Q_{\mathrm{B}, h} \leqslant Q_{\mathrm{CQ}, h}, \quad h \notin L \\ Q_{\mathrm{B}, h} \leqslant Q_{\mathrm{CQ}, h}+\tilde{\omega} P_{\mathrm{LE}, h}, \quad h \in L \\ Q_{\mathrm{S}, o} \leqslant Q_{\mathrm{CQ}, o}, \quad h \notin L \\ Q_{\mathrm{S}, o} \leqslant Q_{\mathrm{CQ}, o}+\tilde{\omega} P_{\mathrm{LE}, h}, \quad h \in L \end{array}\right\}$
式中:L为具有减排责任的负荷用户集合;QCQ , h 为第h个买方申报的碳额度;$\tilde{\omega}$ 为CCER 核证量的碳排放抵消比例;PLE , h 为第h个用电负荷在一阶段出清下所消纳的绿色电力;QCQ , o 为第o个卖方申报的碳额度.
(22) ( 1 - ε ) λ C A ≤ λ B , h ≤ ( 1 + ε ) λ C A ( 1 - ε ) λ C A ≤ λ S , o ≤ ( 1 + ε ) λ C A
式中:λ CA 为碳排放量的基准价格;ε 为政府设置的浮动范围.
根据式(18)~(22)出清碳市场,在碳交易结果基础上更新各市场主体的碳排放额度,如下式所示:
(23) Q ' C Q , h = Q C Q , h + ∑ o = 1 O Q h o , h = 1 , 2 , … , H Q ' C Q , o = Q C Q , o - ∑ h = 1 H Q h o , o = 1 , 2 , … , O
式中:Q'CQ , h 、Q'CQ , o 分别为买方和卖方在碳市场出清结果上更新后的碳额度.
在碳交易完成后,进行计及碳排放量约束在内的二次电力市场出清:
(24) CE ,g ∑ t = 1 T Pg, t ≤Q'CQ , g
式中:CE , g 为第g台火电机组的碳排放强度;Q'CQ , g 为第g台火电机组更新后的碳额度.市场出清模型包括式(6)~(17)以及式(24),该次出清结果经安全校核后形成发用电计划.
将火电机组能耗成本函数分段线性化处理后,电力市场出清模型为混合整数线性规划模型,碳排放权交易市场为线性规划模型,均可采用CPLEX求解器获取最优解.
4 算例分析
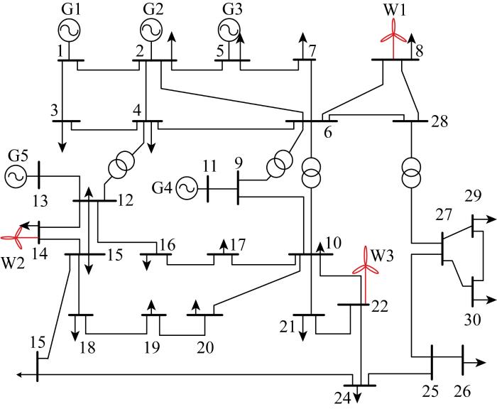
为了验证所提市场交易模式的有效性,基于改进的IEEE 30节点系统进行验证,如图2 所示.
图2
图2
改进的IEEE 30节点测试系统
Fig.2
Improved IEEE 30-bus test system
算例共设置5台火电机组(G1~G5)和3台风电机组(W1~W3),火电机组成本参数及风电报价数据如表1 所示,机组运行参数及申报数据如表2 所示.表中:空白表示不适用.其中节点8处的负荷参与碳排放权交易,申报出售碳排放量500 t,出售价格为54元/t.
4.1 机组初始碳配额分配
采用历史法确定的机组年度初始碳配额效率与经过ZSG-DEA模型调整后的碳配额及效率对比情况如表3 所示.可知,初始碳配额分配方案在考虑能源消耗强度、碳排放强度以及发电量占比等指标的DEA模型评估下,只有G2机组初始效率为1.0,经过3次迭代调整后,G1、G3和G5机组的效率值也达到1.0,这说明在电力行业总碳排放量一定的情况下,通过不同机组间的碳配额调整,可以让更多机组达到效率前沿,并且再分配后的碳配额也使得其他机组的效率提升.由于将碳配额作为唯一投入要素进行电力行业内不同机组间的零和调整,所以不是所有机组的效率值都可以达到最优.在基于ZSG-DEA模型对火电机组初始碳配额进行优化调整后,可以实现各机组效率的相对最优,在给定碳减排目标下实现电力行业内的社会效益最大化.
4.2 考虑碳排放权交易对机组中标的影响
根据各市场主体申报的碳交易信息,第二阶段碳交易结果如表4 所示.可知,G1、G2、G4、G5机组按自身购售需求全额成交.节点8处的负荷提交申报售碳量为500 t,但在一次出清后,根据潮流追踪结果,该负荷预计总消纳风电680 MW,占自身总负荷的97%,CCER抵免比例取5%,最终节点8处的负荷可交易售碳量为534 t.根据各市场主体的成交碳排放量,更新碳额度并用于二次电力市场出清.
当考虑碳排放权交易后,电力市场出清结果发生改变,其中常规机组启停状态如图3 所示.可知,当二次市场出清后G3机组的连续启动时间小于一次出清,这是市场出清过程中考虑各机组最小启停时间、启停成本以及各自的碳排放量约束后,以系统总成本最小全局优化的结果.由于考虑了碳排放量约束,所提两阶段市场出清是在满足碳减排目的下的经济效益最优,所以机组的成本大小不再是影响中标的唯一因素,还需考虑各机组的减排性能.G4机组在碳排放权交易中获得了更多碳额度,因此在二次市场出清后开机时间远多于一次出清.G5机组最小启停时间为1 h,且自身碳排放强度最低,调度周期内碳额度富足,因此开机时间也多于一次出清.
图3
图3
考虑碳排放权交易前后机组启停状态
Fig.3
Results of start and stop status before and after considering carbon emission trading
图4 反映考虑碳排放权交易前后常规火电的中标出力变化情况.火电机组G1和G3在所提交易模式下中标电量减少,这是由于其在碳交易阶段后可用碳排放量较低,限制自身出力中标空间,本质上是由于其较高的碳排放强度导致在初始碳配额分配中获得的额度有限.G2、G4和G5的碳排放强度相对较低,因此具有更多的发电机会.二次出清后的出力变化情况表明碳排放强度越低的机组中标电量越多,从而在市场竞争中获得更多收益;其中,碳排放强度最低的G5机组不但中标电量提高,而且在碳交易阶段也获得收益.
图4
图4
考虑碳排放权交易前后常规机组出力变化
Fig.4
Output changes of conventional units before and after considering carbon emission trading
图5 反映考虑碳排放权交易前后风电机组中标出力变化情况.W1在一次出清和二次出清下中标出力一致都达到其预测出力的最大值,不存在弃风情况,W2和W3在二次出清后中标量增加.这是由于一次出清以成本最低为主要原则,尽管可以将碳成本内嵌在电价中,但该形式实际上相当于发电企业直接接受碳惩罚并将该部分成本传递给负荷用户,并未从根本上减少碳排放量,不利于发电企业减排改造.在所提交易模式下,各火电机组在日前市场申报时需要提交自己的碳额度,这不仅利于碳清缴周期内碳排量的统计,还能降低市场出清中火电机组的碳排放量,有利于解决风电等新能源市场化交易中的弃风弃光问题.当新能源参与市场,在系统调节能力、外送水平受限及负荷低谷时段下,市场出清结果出现弃风弃光;而在考虑碳排放权交易的二次出清下,风电的市场化消纳水平提高,弃风率由一次出清的10.4%降低为二次出清的7.6%.
图5
图5
考虑碳排放权交易前后风电机组出力变化
Fig.5
Output changes of wind units before and after considering carbon emission trading
4.3 两阶段出清对碳减排及电价的影响
图6 反映了二次出清与一次出清的电价对比情况.在所提二次出清下,根据全时段成本最小确定火电启停安排.二次出清与一次出清在08:00的开机机组不同,前者为边际发电成本更低但开机成本较高的G4机组,后者为开机成本低但边际发电成本高的G3机组.此外,G4机组具有较低的碳排放强度且在碳交易阶段全额成交,因此在碳排放量对火电机组的约束下,二次出清的市场电价远低于一次出清.通过分析调度周期内的电价变化曲线,可以发现所提交易模式在日平均电价方面也更具优势,一次出清均价为428.56元/(MW·h),二次出清均价为408.97元/(MW·h),降低比例达5%.
图6
图6
考虑碳排放权交易前后出清电价对比
Fig.6
Comparison of clearing electricity prices before and after considering carbon emission trading
表5 反映了火电机组碳排放量对比情况.二次出清G1、G3机组中标电量减少,其碳排放量也对应降低.其中,G1机组碳排减少量最大,G4机组碳排增量最大,火电机组的总碳排量减少86.0147 t.碳交易阶段实质上发挥了碳减排和发电权交易的作用,此阶段的开展为低碳排机组和消纳绿电的大用户提供了获取碳收益的机会,有利于促进火电机组减排改造和绿电大规模消纳.
5 结语
随着全球能源向更加绿色低碳的未来迈进,碳市场建设是实现我国能源结构转型进程的关键.所提基于碳排放权交易的两阶段市场出清模式降低了碳交易成本和市场准入门槛,方便电力市场主体参与碳市场,提高碳市场的活跃度,使得市场竞争更加充分、更具效率,且电力市场出清与碳出清相互影响,可以更加高效传导电力的真实价值,以经济利益引导高碳排机组主动进行减排改造.从算例结果可以看出,考虑碳排放权交易后可以提高市场环境下的新能源消纳率,这是除提高新能源外送能力及系统调节能力外的另一有效手段.此外,通过考虑碳排放权交易,直接在主能量市场出清的同时进行发电权置换,进而促进新能源在市场上的大规模消纳,也为消纳新能源的用户提供了获益空间.目前,新能源不但存在CCER核证量,而且还存在绿证,考虑CCER与绿证的关系,厘清碳排放量的核算以及可再生能源消纳责任,分析二者的关联并完善市场交易机制是未来进一步的研究方向.
参考文献
View Option
[1]
李政 , 陈思源 , 董文娟 , 等 . 碳约束条件下电力行业低碳转型路径研究
[J]. 中国电机工程学报 , 2021 , 41 (12 ): 3987 -4001 .
[本文引用: 1]
LI Zheng , CHEN Siyuan , DONG Wenjuan , et al . Low carbon transition pathway of power sector under carbon emission constraints
[J]. Proceedings of the CSEE , 2021 , 41 (12 ): 3987 -4001 .
[本文引用: 1]
[2]
王利兵 , 张赟 . 中国能源碳排放因素分解与情景预测
[J]. 电力建设 , 2021 , 42 (9 ): 1 -9 .
DOI:10.12204/j.issn.1000-7229.2021.09.001
[本文引用: 1]
我国能源活动碳排放占总碳排放85%以上,研究能源活动碳排放的变化规律对于实现碳达峰碳中和目标具有重要意义。首先,采用对数平均迪氏分解法(logarithmic mean Divisia index,LMDI)对1995—2017年我国能源消费碳排放变化的影响因素进行分解,从经济规模、产业结构、能源强度、能源结构、能源价格、人均可支配收入、人口规模这7个方面,模型给出了相关因素对一、二、三产业和居民部门碳排放变化的贡献。结果表明,对于3个产业部门,经济增长是碳排放增长的首要驱动力,而技术进步带来的能源强度下降、产业结构优化和能源消费结构改善呈现负效应,且产业结构优化和能源结构清洁化的作用越来越显著。对于居民部门,人均可支配收入是居民部门碳排放增长的推动力,而能源价格呈现明显的负效应。其次,设计了3种情景,运用可拓展的随机性的环境影响评估模型(stochastic impacts by regression population,affluence and technology,STIRPAT)对2030年我国能源碳排放进行预测,在以实现碳达峰为目标的低碳情景中,我国能源碳排放有望于2025—2029年实现达峰,峰值水平为101亿~110亿t。最后,为实现碳达峰碳中和目标,建议以构建中国能源互联网为基础平台,实施“清洁替代”和“电能替代”,推进能源转型。
WANG Libing , ZHANG Yun . Factors decomposition and scenario prediction of energy-related CO2 emissions in China
[J]. Electric Power Construction , 2021 , 42 (9 ): 1 -9 .
DOI:10.12204/j.issn.1000-7229.2021.09.001
[本文引用: 1]
Energy-related carbon emissions account for more than 85% of total carbon emissions in China, and the research on changes of energy-related carbon emissions is of great significance for achieving carbon peak and neutrality goals. Firstly, this paper uses the Logarithmic Mean Divisia Index (LMDI) to decompose the impacting factors of China's energy-related CO2 emissions changes from 1995 to 2017. From the aspects of economic scale, industry structure, energy intensity, energy structure, energy prices, per capita disposable income and population size, the model gives the contribution of related factors to energy-related CO2 changes in primary, secondary, tertiary and residential sectors. The results show that for the three industry sectors, economic growth is the primary drive of CO2 emission growth, while declining energy intensity, improved industrial structure and energy consumption structure show negative effects. For the residential sector, per capita disposable income and population size are the driving forces behind the CO2 emission growth, and energy prices show a significant negative effect. Secondly, in order to predict China's energy-related CO2 in 2030, three scenarios are designed and the Stochastic Impacts by Regression Population, Affluence and Technology (STIRPAT) model is implemented. In the low carbon scenario with the goal of achieving carbon peaks, China's energy-related CO2 emissions are expected to peak around 2025-2029 and the level is about 10.1 billion to 11.0 billion tons. Finally, in order to achieve CO2 emission peak before 2030 and carbon neutrality before 2060, it is recommended to build the China Energy Internet as the basic platform, to implement the clean replacement and electricity replacement, and accelerate the energy transition.
[3]
WANG P , LI M . Scenario analysis in the electric power industry under the implementation of the electricity market reform and a carbon policy in China
[J]. Energies , 2019 , 12 (11 ): 2152 .
[本文引用: 1]
[4]
张菁 , 林毓军 , 齐晓光 , 等 . 考虑碳税与碳交易替代效应的电力系统低碳经济调度方法
[J]. 电力建设 , 2022 , 43 (6 ): 1 -11 .
DOI:10.12204/j.issn.1000-7229.2022.06.001
[本文引用: 1]
随着碳达峰、碳中和目标的提出,政府主导的碳规制强度日益增大。电力系统作为碳减排主体,将面临碳税与碳交易复合型碳减排政策的约束。研究计及碳税与碳交易替代效应的电力系统低碳经济调度方法,能够协调提升系统运行的低碳性和经济性,具有重要的理论与现实意义。首先在分析碳交易价格波动特征的基础上,采用随机场景法描述碳交易价格不确定性,进而对阶梯型碳税与碳交易替代效应进行建模。之后,建立协调优化碳捕集设备和储能电站的系统两阶段低碳经济调度模型,并结合分段函数线性化和蝙蝠算法对模型进行优化求解。最后,基于某地区的实际参数开展仿真分析,算例结果表明所提模型能够有效提升系统运行的低碳经济水平。
ZHANG Jing , LIN Yujun , QI Xiaoguang , et al . Low-carbon economic dispatching method for power system considering the substitution effect of carbon tax and carbon trading
[J]. Electric Power Construction , 2022 , 43 (6 ): 1 -11 .
DOI:10.12204/j.issn.1000-7229.2022.06.001
[本文引用: 1]
With the proposal of carbon peak and carbon neutrality, the intensity of government-led carbon regulation is increasing. As the main body of carbon emission reduction, the power system will face the constraint of carbon tax and carbon trading combined carbon emission reduction policy. The low-carbon economic dispatch method for power system is studied, which takes into account the substitution effect of carbon tax and carbon trading, can coordinate and improve the low-carbon and economic efficiency of system operation, and has important theoretical and practical significance. On the basis of the analysis on the characteristics of carbon trading price fluctuations, this paper firstly uses the random scenario method to describe the uncertainty of carbon trading prices, and then models the step-type carbon tax and the substitution effect of carbon trading. After that, a two-stage low-carbon economic scheduling model of coordinated optimization of carbon capture equipment and energy storage power station is established, and the model is solved by piecewise function linearization and bat algorithm. Finally, a simulation analysis is carried out applying the actual parameters of a certain area. The numerical results show that the proposed model can effectively improve the low carbon economic level of system operation.
[5]
潘崇超 , 侯孝旺 , 金泰 , 等 . 计及阶梯碳交易和可再生能源不确定性的综合能源系统低碳研究
[J]. 电测与仪表 , 2024 , 61 (10 ): 8 -16 .
[本文引用: 1]
PAN Chongchao , HOU Xiaowang , JIN Tai , et al . Low carbon research on integrated energy system considering the tiered carbon trading and the uncertainties of renewable energy
[J]. Electrical Measurement & Instrumentation , 2024 , 61 (10 ): 8 -16 .
[本文引用: 1]
[6]
李国庆 , 王冲 , 雷顺波 , 等 . 考虑碳捕集技术的电力系统双层优化配置
[J]. 电力自动化设备 , 2023 , 43 (1 ): 25 -31 .
[本文引用: 1]
LI Guoqing , WANG Chong , LEI Shunbo , et al . Bi-level optimal allocation of power system considering carbon capture technology
[J]. Electric Power Automation Equipment , 2023 , 43 (1 ): 25 -31 .
[本文引用: 1]
[7]
王文彬 , 郑蜀江 , 范瑞祥 , 等 . “双碳” 背景下微网分布式电能交易绩效评价指标与方法
[J]. 上海交通大学学报 , 2022 , 56 (3 ): 312 -324 .
DOI:10.16183/j.cnki.jsjtu.2021.391
[本文引用: 1]
随着分布式发电研究与应用的迅速发展,分布式交易市场作为一种新型的电力交易模式,能够有效提升可再生能源消纳率,是推动实现“碳达峰、碳中和”目标的重要手段.将市场评价机制引入用户的竞拍交易机制中,将促使用户考虑市场评价机制对其交易策略的影响,推动分布式交易市场的良性发展.针对微网用户间的分布式电能交易市场展开研究,首先,以市场参与主体及交易支撑软硬件为研究对象,分别从电能供应能力、用户满意度、平台安全性等方面建立多维度绩效评价指标体系.然后,对分布式电能交易市场评价方法研究现状进行总结与梳理,并从指标体系建立、指标计算方法及综合评价方法三方面分析了分布式电能交易绩效评价的关键技术.最后,结合当前发展现状,对未来分布式电能交易绩效评价的研究方向进行了展望.
WANG Wenbin , ZHENG Shujiang , FAN Ruixiang , et al . Performance evaluation index and method of micro-grid distributed electricity trading under the background of “carbon peaking and carbon neutrality”
[J]. Journal of Shanghai Jiao Tong University , 2022 , 56 (3 ): 312 -324 .
[本文引用: 1]
[8]
刘明涛 , 谢俊 , 张秋艳 , 等 . 碳交易环境下含风电电力系统短期生产模拟
[J]. 上海交通大学学报 , 2021 , 55 (12 ): 1598 -1607 .
DOI:10.16183/j.cnki.jsjtu.2021.295
[本文引用: 1]
为提高风电参与市场的竞争力,促进电力系统低碳化运行,满足风电出力不确定性对电力系统生产模拟模型的完善性、灵活性提出的新要求,从低碳经济角度分析电能成本构成,应用随机规划理论,提出一种含风电电力系统短期生产模拟模型,该模型以短期电能成本期望值最小为目标,考虑碳交易市场的参与,协同优化日前发电出力、实时功率调整、发电备用容量、弃风和切负荷.以改进的IEEE-39节点系统为例,量化评估了碳交易机制、碳交易价格、风电装机规模对短期电能成本的影响及对碳减排的贡献.结果表明,所提模型能够有效分析碳交易环境下含风电电力系统短期电能成本、碳排放、运行风险等情况,具有较好的应用前景.
LIU Mingtao , XIE Jun , ZHANG Qiuyan , et al . Short-term production simulation of power system containing wind power under carbon trading environment
[J]. Journal of Shanghai Jiao Tong University , 2021 , 55 (12 ): 1598 -1607 .
[本文引用: 1]
[9]
彭思佳 , 邢海军 , 成明洋 . 多重不确定环境下考虑阶梯型碳交易的虚拟电厂低碳经济调度
[J]. 上海交通大学学报 , 2023 , 57 (12 ): 1571 -1582 .
DOI:10.16183/j.cnki.jsjtu.2022.185
[本文引用: 1]
含碳捕集系统的虚拟电厂(VPP)为提升能源效率、实现“双碳”目标提供了一种新路径,同时灵活协调VPP系统内多重不确定性是实现系统低碳运行的关键前提.提出一种在多重不确定性环境下考虑阶梯型碳交易的VPP低碳经济调度模型.对碳捕集系统和需求响应进行建模,并在优化调度模型中引入碳交易机制,构建阶梯型碳交易成本模型,对系统碳排放量进行制约.对VPP内多种不确定因素进行建模,包括风力发电、光伏、负荷、电动汽车,建立考虑机会约束的VPP低碳经济调度模型.运用可调鲁棒优化处理电动汽车的不确定性,并基于序列运算理论,将含机会约束的不确定模型转化为混合整数线性规划模型.采用数字优化技术CPLEX求解,在实际VPP算例中验证了所提模型的有效性.
PENG Sijia , XING Haijun , CHENG Mingyang . Low carbon economic dispatch of virtual power plants considering ladder-type carbon trading in multiple uncertainties
[J]. Journal of Shanghai Jiao Tong University , 2023 , 57 (12 ): 1571 -1582 .
[本文引用: 1]
[10]
刘铠诚 , 孙嘉赣 , 周任军 , 等 . 碳市场下火电统一碳排放基准与减排效应分析
[J]. 电力建设 , 2018 , 39 (1 ): 113 -118 .
DOI: 10.3969/j.issn.1000-7229.2018.01.015
[本文引用: 1]
摘 要:为提高火电中低碳电源的竞争力,在现有低碳技术与碳市场运行经验的基础上,文章提出考虑常规燃煤、碳捕集燃煤和燃气机组3类火电电源排放强度的统一碳排放基准计算方法,将3类火电电源纳入统一的碳配额分配机制中。以火电燃料成本及碳交易成本的综合成本最小化为目标,对各火电机组发电量进行分配。同时文章分析碳捕集煤电发电比例与未来碳价水平对火电行业综合成本和碳排放量的影响,为实现中国碳减排目标提供合理建议。
LIU Kaicheng , SUN Jiagan , ZHOU Renjun , et al . A unified carbon emission benchmark for fossil-fueled units and its effect on carbon emission reduction in carbon market
[J]. Electric Power Construction , 2018 , 39 (1 ): 113 -118 .
DOI: 10.3969/j.issn.1000-7229.2018.01.015
[本文引用: 1]
ABSTRACT: To enhance the competitiveness of low-carbon units in fossil-fueled power industry, a unified emission benchmark of emission allocation for all fossil-fueled units is put forward, including conventional coal-fire units, carbon capture coal-fired units and gas-fired units. A model aimed at minimizing the total cost of both fuel and carbon emission is built to allocate electricity among various fossil-fueled units in the future. Then, the influence of both carbon capture coal-fired power generation ratio and future carbon price on the comprehensive cost and carbon emission of thermal power industry is analyzed. In the end, proper advice is given for the realization of the carbon emission reduction goal in China.<div> </div>
[11]
EBERLE A L , HEATH G A . Estimating carbon dioxide emissions from electricity generation in the United States: How sectoral allocation may shift as the grid modernizes
[J]. Energy Policy , 2020 , 140 : 111324 .
[本文引用: 1]
[12]
潘险险 , 余梦泽 , 隋宇 , 等 . 计及多关联因素的电力行业碳排放权分配方案
[J]. 电力系统自动化 , 2020 , 44 (1 ): 35 -42 .
[本文引用: 1]
PAN Xianxian , YU Mengze , SUI Yu , et al . Allocation scheme of carbon emission rights for power industry considering multiple correlated factors
[J]. Automation of Electric Power Systems , 2020 , 44 (1 ): 35 -42 .
[本文引用: 1]
[13]
YU A Y , YOU J X , RUDKIN S , et al . Industrial carbon abatement allocations and regional collaboration: re-evaluating China through a modified data envelopment analysis
[J]. Applied Energy , 2019 , 233 : 232 -243 .
[本文引用: 1]
[14]
尚楠 , 陈政 , 卢治霖 , 等 . 电力市场、碳市场及绿证市场互动机理及协调机制
[J]. 电网技术 , 2023 , 47 (1 ): 142 -154 .
[本文引用: 1]
SHANG Nan , CHEN Zheng , LU Zhilin , et al . Interaction principle and cohesive mechanism between electricity market, carbon market and green power certificate market
[J]. Power System Technology , 2023 , 47 (1 ): 142 -154 .
[本文引用: 1]
[15]
董宏伟 , 秦光宇 , 王玲湘 , 等 . 新电改下可再生能源衍生品交易研究
[J]. 价格理论与实践 , 2019 (3 ): 93 -96 .
[本文引用: 1]
DONG Hongwei , QIN Guangyu , WANG Lingxiang , et al . Research on trading of renewable energy derivatives market under the new electricity reform
[J]. Price: Theory & Practice , 2019 (3 ): 93 -96 .
[本文引用: 1]
[16]
赵麟 , 李亚鹏 , 靳晓雨 , 等 . 考虑CCER机制的碳-电耦合市场水火电协同竞价模型
[J]. 电力系统自动化 , 2023 , 47 (21 ): 12 -24 .
[本文引用: 1]
ZHAO Lin , LI Yapeng , JIN Xiaoyu , et al . Coordinated bidding model of hydro-thermal power in carbon-electricity coupled market considering Chinese certified emission reduction mechanism
[J]. Automation of Electric Power Systems , 2023 , 47 (21 ): 12 -24 .
[本文引用: 1]
[17]
张宁 , 庞军 , 冯相昭 . 全国碳市场引入配额拍卖机制的经济影响: 基于CGE模型的分析
[J]. 中国环境科学 , 2022 , 42 (4 ): 1901 -1911 .
[本文引用: 1]
ZHANG Ning , PANG Jun , FENG Xiangzhao . The economic impacts of introducing auction into carbon allowance allocation mechanism in the national carbon market: Simulation based on CGE model
[J]. China Environmental Science , 2022 , 42 (4 ): 1901 -1911 .
[本文引用: 1]
[18]
赵长红 , 张明明 , 吴建军 , 等 . 碳市场和电力市场耦合研究
[J]. 中国环境管理 , 2019 , 11 (4 ): 105 -112 .
[本文引用: 1]
ZHAO Changhong , ZHANG Mingming , WU Jianjun , et al . The coupling study on carbon market and power market
[J]. Chinese Journal of Environmental Management , 2019 , 11 (4 ): 105 -112 .
[本文引用: 1]
[19]
帅云峰 , 周春蕾 , 李梦 , 等 . 美国碳市场与电力市场耦合机制研究: 以区域温室气体减排行动(RGGI)为例
[J]. 电力建设 , 2018 , 39 (7 ): 41 -47 .
DOI:10.3969/j.issn.1000-7229.2018.07.005
[本文引用: 1]
美国区域温室气体减排行动(regional greenhouse gas initiative,RGGI)是专门针对电力行业的强制性碳总量控制与交易体系,自2009年启动以来已积累了9年的历史经验。在这期间RGGI区域电力市场经历了电源结构重组的过程,二者存在密切联系。该文首先对RGGI区域碳市场的配额分配机制、市场效益及存在缺陷进行分析,然后结合RGGI区域即美国东北部9个州的电力市场电源结构和运营交易状况,着重分析RGGI区域内碳市场与电力市场的耦合机制,为我国的碳市场和电力市场建设提供宝贵经验。
SHUAI Yunfeng , ZHOU Chunlei , LI Meng , et al . Coupling mechanism of U.S. carbon market and electricity market: A case study of regional greenhouse gas initiative
[J]. Electric Power Construction , 2018 , 39 (7 ): 41 -47 .
DOI:10.3969/j.issn.1000-7229.2018.07.005
[本文引用: 1]
The U.S. Regional Greenhouse Gas Initiative (RGGI) is a mandatory CO2 cap-and-trade program which targets at the power industry and has been running since 2009. As the electricity market is restructuring in this period, there is a close connection between the carbon market and electricity market. In this study we first analyze the quota allocation mechanism and market efficiency of the RGGI regional carbon market and then examine the electricity operating mechanism and energy structure. We focus on the coupling mechanism between the carbon market and electricity market. It will provide valuable experience for China's carbon market and electricity market.
[20]
张宁 , 庞军 . 全国碳市场引入CCER交易及抵销机制的经济影响研究
[J]. 气候变化研究进展 , 2022 , 18 (5 ): 622 -636 .
[本文引用: 1]
ZHANG Ning , PANG Jun . The economic impacts of introducing CCER trading and offset mechanism into the national carbon market of China
[J]. Climate Change Research , 2022 , 18 (5 ): 622 -636 .
[本文引用: 1]
[21]
孙晓聪 , 丁一 , 包铭磊 , 等 . 考虑发电商多时间耦合决策的碳-电市场均衡分析
[J]. 电力系统自动化 , 2023 , 47 (21 ): 1 -11 .
[本文引用: 1]
SUN Xiaocong , DING Yi , BAO Minglei , et al . Carbon-electricity market equilibrium analysis considering multi-time coupling decision of power producers
[J]. Automation of Electric Power Systems , 2023 , 47 (21 ): 1 -11 .
[本文引用: 1]
[22]
杨威 , 龚学良 , 曾智健 , 等 . 碳排放交易市场机制对电力市场的影响:基于碳价需求响应的电力市场用户行为分析
[J]. 南方电网技术 , 2022 , 16 (8 ): 59 -67 .
[本文引用: 1]
YANG Wei , GONG Xueliang , ZENG Zhijian , et al . Impacts of ETS mechanism on electricity market: Behavior analysis of market customers based on carbon-oriented demand response
[J]. Southern Power System Technology , 2022 , 16 (8 ): 59 -67 .
[本文引用: 1]
[23]
朱月尧 , 祁佟 , 吴星辰 , 等 . 计及实时碳减排的产消群价格型需求响应机制
[J]. 上海交通大学学报 , 2023 , 57 (4 ): 452 -463 .
DOI:10.16183/j.cnki.jsjtu.2022.062
[本文引用: 1]
随着电力市场不断发展,电价机制不断得到完善,但在电价机制制定的过程中未将碳排放因素考虑在内,电价和碳排放成本在需求侧耦合方面的研究尚有欠缺.以更好地推动碳减排为目标,在产消者负荷调节优化过程中充分考虑产消者差异化的特性,提出考虑碳排放的价格型需求响应机制及边云协同优化策略.在保障公平性的前提下,利用所提出的碳-电折扣因子能使积极参与碳减排调节的产消者获得更多电价折扣.仿真实验表明:基于所提出的碳-电折扣因子的需求响应机制,在光伏发电量大于和小于需求量的情况下,售电商的效益分别可以提高2.4倍和0.9倍.
ZHU Yueyao , QI Tong , WU Xingchen , et al . Price-based demand response mechanism of prosumer groups considering real-time carbon emission reduction
[J]. Journal of Shanghai Jiao Tong University , 2023 , 57 (4 ): 452 -463 .
[本文引用: 1]
[24]
胡东滨 , 彭丽娜 , 陈晓红 . 配额分配方式对不同区域碳交易市场运行效率影响研究
[J]. 科技管理研究 , 2018 , 38 (19 ): 240 -246 .
[本文引用: 1]
HU Dongbin , PENG Lina , CHEN Xiaohong . Study on effect to operational efficiency of carbon trading market in different regions by quota allocation mode
[J]. Science & Technology Management Research , 2018 , 38 (19 ): 240 -246 .
[本文引用: 1]
[25]
冯青 , 吴志彬 , 徐玖平 . 基于投入产出规模的省际碳排放配额分配研究
[J]. 中国管理科学 , 2023 , 31 (3 ): 268 -276 .
[本文引用: 1]
FENG Qing , WU Zhibin , XU Jiuping . Research on inter-provincial carbon emission allowance allocation based on input-output scale
[J]. Chinese Journal of Management Science , 2023 , 31 (3 ): 268 -276 .
[本文引用: 1]
[26]
王心昊 , 蒋艺璇 , 陈启鑫 , 等 . 可交易减排价值权证比较分析和衔接机制研究
[J]. 电网技术 , 2023 , 47 (2 ): 594 -603 .
[本文引用: 1]
WANG Xinhao , JIANG Yixuan , CHEN Qixin , et al . On tradeable certificates of emissions reduction and their interactions
[J]. Power System Technology , 2023 , 47 (2 ): 594 -603 .
[本文引用: 1]
[27]
马燕峰 , 杨小款 , 赵书强 , 等 . 基于潮流转移和追踪的含风电电力系统运行风险评估
[J]. 电力自动化设备 , 2021 , 41 (1 ): 77 -85 .
[本文引用: 1]
MA Yanfeng , YANG Xiaokuan , ZHAO Shuqiang , et al . Assessment of operation risk for power system containing wind power based on power flow transferring and tracing
[J]. Electric Power Automation Equipment , 2021 , 41 (1 ): 77 -85 .
[本文引用: 1]
碳约束条件下电力行业低碳转型路径研究
1
2021
... 我国正式提出2030年实现碳达峰、2060年实现碳中和的目标后,以煤炭为主的能源行业亟需进行结构调整与优化[1 -2 ] .国际能源组织报告中指出我国CO2 排放量占全球总排放量的28%,其中电力行业排放量占总量的43%[3 ] .因此,采取更加有效的电力低碳发展政策,鼓励低碳和零碳排放发电技术成为迫切需求. ...
Low carbon transition pathway of power sector under carbon emission constraints
1
2021
... 我国正式提出2030年实现碳达峰、2060年实现碳中和的目标后,以煤炭为主的能源行业亟需进行结构调整与优化[1 -2 ] .国际能源组织报告中指出我国CO2 排放量占全球总排放量的28%,其中电力行业排放量占总量的43%[3 ] .因此,采取更加有效的电力低碳发展政策,鼓励低碳和零碳排放发电技术成为迫切需求. ...
中国能源碳排放因素分解与情景预测
1
2021
... 我国正式提出2030年实现碳达峰、2060年实现碳中和的目标后,以煤炭为主的能源行业亟需进行结构调整与优化[1 -2 ] .国际能源组织报告中指出我国CO2 排放量占全球总排放量的28%,其中电力行业排放量占总量的43%[3 ] .因此,采取更加有效的电力低碳发展政策,鼓励低碳和零碳排放发电技术成为迫切需求. ...
Factors decomposition and scenario prediction of energy-related CO2 emissions in China
1
2021
... 我国正式提出2030年实现碳达峰、2060年实现碳中和的目标后,以煤炭为主的能源行业亟需进行结构调整与优化[1 -2 ] .国际能源组织报告中指出我国CO2 排放量占全球总排放量的28%,其中电力行业排放量占总量的43%[3 ] .因此,采取更加有效的电力低碳发展政策,鼓励低碳和零碳排放发电技术成为迫切需求. ...
Scenario analysis in the electric power industry under the implementation of the electricity market reform and a carbon policy in China
1
2019
... 我国正式提出2030年实现碳达峰、2060年实现碳中和的目标后,以煤炭为主的能源行业亟需进行结构调整与优化[1 -2 ] .国际能源组织报告中指出我国CO2 排放量占全球总排放量的28%,其中电力行业排放量占总量的43%[3 ] .因此,采取更加有效的电力低碳发展政策,鼓励低碳和零碳排放发电技术成为迫切需求. ...
考虑碳税与碳交易替代效应的电力系统低碳经济调度方法
1
2022
... 近年来,电力领域中关于碳减排的研究获得越来越多的关注.如何将碳减排目标纳入模型中促进电力系统低碳发展成为当前研究的热点.文献[4 ]中基于碳税与碳交易对发电成本进行建模,提出系统两阶段低碳调度模型.文献[5 ]中构建计及阶梯碳交易成本的鲁棒优化模型,分析碳交易价格对系统运行的影响.文献[6 ]中考虑碳捕集技术建立双层优化配置模型,并利用卡罗需-库恩-塔克条件转为单层模型求解.文献[7 ]中建立多维度绩效评价指标体系,并将其引入竞拍交易机制中,通过完善微网分布式交易模式提升新能源消纳率,实现碳减排目标.文献[8 ]中提出一种碳交易环境下含风电电力系统确定性的短期生产模拟模型,对碳排放权分配及碳交易成本进行建模并纳入成本模型中,从而推动电力低碳化目标的实现.文献[9 ]中提出一种考虑阶梯型碳交易的虚拟电厂低碳经济调度模型,对碳捕集系统及碳交易成本进行建模,为提升能源效率、实现“双碳”目标提供了一种新路径.上述研究对碳排放成本进行建模或建立指标体系内嵌在模型中,但均未考虑现行碳排放政策对模型的影响.文献[10 ]中提出考虑不同类型电源排放强度的统一碳排放基准计算方法,将不同电源纳入碳配额分配机制中.文献[11 ]中探讨了电力行业碳核算方法,提升美国电力行业碳配额分配效率.文献[12 ]中采用改进熵权系数法确定影响碳排放分配的各指标综合权重,建立碳配额分配模型.文献[13 ]中提出修正的数据包络分析法,反映各省之间的碳配额分配协作方式.上述研究分析了碳配额对低碳减排的积极作用并构建碳配额分配模型,但目前国内碳配额分配方面的研究主要集中在省域或行业之间,对于发电行业内发电机组间的碳配额分配研究较为缺乏.要实现新型电力系统建设,未来电力系统不但需要满足系统平衡需求,还应满足低碳环保要求.当新能源参与电力市场时,碳配额可以反映新能源优于常规火电的绿色特性,实现系统更大范围的优化运行. ...
Low-carbon economic dispatching method for power system considering the substitution effect of carbon tax and carbon trading
1
2022
... 近年来,电力领域中关于碳减排的研究获得越来越多的关注.如何将碳减排目标纳入模型中促进电力系统低碳发展成为当前研究的热点.文献[4 ]中基于碳税与碳交易对发电成本进行建模,提出系统两阶段低碳调度模型.文献[5 ]中构建计及阶梯碳交易成本的鲁棒优化模型,分析碳交易价格对系统运行的影响.文献[6 ]中考虑碳捕集技术建立双层优化配置模型,并利用卡罗需-库恩-塔克条件转为单层模型求解.文献[7 ]中建立多维度绩效评价指标体系,并将其引入竞拍交易机制中,通过完善微网分布式交易模式提升新能源消纳率,实现碳减排目标.文献[8 ]中提出一种碳交易环境下含风电电力系统确定性的短期生产模拟模型,对碳排放权分配及碳交易成本进行建模并纳入成本模型中,从而推动电力低碳化目标的实现.文献[9 ]中提出一种考虑阶梯型碳交易的虚拟电厂低碳经济调度模型,对碳捕集系统及碳交易成本进行建模,为提升能源效率、实现“双碳”目标提供了一种新路径.上述研究对碳排放成本进行建模或建立指标体系内嵌在模型中,但均未考虑现行碳排放政策对模型的影响.文献[10 ]中提出考虑不同类型电源排放强度的统一碳排放基准计算方法,将不同电源纳入碳配额分配机制中.文献[11 ]中探讨了电力行业碳核算方法,提升美国电力行业碳配额分配效率.文献[12 ]中采用改进熵权系数法确定影响碳排放分配的各指标综合权重,建立碳配额分配模型.文献[13 ]中提出修正的数据包络分析法,反映各省之间的碳配额分配协作方式.上述研究分析了碳配额对低碳减排的积极作用并构建碳配额分配模型,但目前国内碳配额分配方面的研究主要集中在省域或行业之间,对于发电行业内发电机组间的碳配额分配研究较为缺乏.要实现新型电力系统建设,未来电力系统不但需要满足系统平衡需求,还应满足低碳环保要求.当新能源参与电力市场时,碳配额可以反映新能源优于常规火电的绿色特性,实现系统更大范围的优化运行. ...
计及阶梯碳交易和可再生能源不确定性的综合能源系统低碳研究
1
2024
... 近年来,电力领域中关于碳减排的研究获得越来越多的关注.如何将碳减排目标纳入模型中促进电力系统低碳发展成为当前研究的热点.文献[4 ]中基于碳税与碳交易对发电成本进行建模,提出系统两阶段低碳调度模型.文献[5 ]中构建计及阶梯碳交易成本的鲁棒优化模型,分析碳交易价格对系统运行的影响.文献[6 ]中考虑碳捕集技术建立双层优化配置模型,并利用卡罗需-库恩-塔克条件转为单层模型求解.文献[7 ]中建立多维度绩效评价指标体系,并将其引入竞拍交易机制中,通过完善微网分布式交易模式提升新能源消纳率,实现碳减排目标.文献[8 ]中提出一种碳交易环境下含风电电力系统确定性的短期生产模拟模型,对碳排放权分配及碳交易成本进行建模并纳入成本模型中,从而推动电力低碳化目标的实现.文献[9 ]中提出一种考虑阶梯型碳交易的虚拟电厂低碳经济调度模型,对碳捕集系统及碳交易成本进行建模,为提升能源效率、实现“双碳”目标提供了一种新路径.上述研究对碳排放成本进行建模或建立指标体系内嵌在模型中,但均未考虑现行碳排放政策对模型的影响.文献[10 ]中提出考虑不同类型电源排放强度的统一碳排放基准计算方法,将不同电源纳入碳配额分配机制中.文献[11 ]中探讨了电力行业碳核算方法,提升美国电力行业碳配额分配效率.文献[12 ]中采用改进熵权系数法确定影响碳排放分配的各指标综合权重,建立碳配额分配模型.文献[13 ]中提出修正的数据包络分析法,反映各省之间的碳配额分配协作方式.上述研究分析了碳配额对低碳减排的积极作用并构建碳配额分配模型,但目前国内碳配额分配方面的研究主要集中在省域或行业之间,对于发电行业内发电机组间的碳配额分配研究较为缺乏.要实现新型电力系统建设,未来电力系统不但需要满足系统平衡需求,还应满足低碳环保要求.当新能源参与电力市场时,碳配额可以反映新能源优于常规火电的绿色特性,实现系统更大范围的优化运行. ...
Low carbon research on integrated energy system considering the tiered carbon trading and the uncertainties of renewable energy
1
2024
... 近年来,电力领域中关于碳减排的研究获得越来越多的关注.如何将碳减排目标纳入模型中促进电力系统低碳发展成为当前研究的热点.文献[4 ]中基于碳税与碳交易对发电成本进行建模,提出系统两阶段低碳调度模型.文献[5 ]中构建计及阶梯碳交易成本的鲁棒优化模型,分析碳交易价格对系统运行的影响.文献[6 ]中考虑碳捕集技术建立双层优化配置模型,并利用卡罗需-库恩-塔克条件转为单层模型求解.文献[7 ]中建立多维度绩效评价指标体系,并将其引入竞拍交易机制中,通过完善微网分布式交易模式提升新能源消纳率,实现碳减排目标.文献[8 ]中提出一种碳交易环境下含风电电力系统确定性的短期生产模拟模型,对碳排放权分配及碳交易成本进行建模并纳入成本模型中,从而推动电力低碳化目标的实现.文献[9 ]中提出一种考虑阶梯型碳交易的虚拟电厂低碳经济调度模型,对碳捕集系统及碳交易成本进行建模,为提升能源效率、实现“双碳”目标提供了一种新路径.上述研究对碳排放成本进行建模或建立指标体系内嵌在模型中,但均未考虑现行碳排放政策对模型的影响.文献[10 ]中提出考虑不同类型电源排放强度的统一碳排放基准计算方法,将不同电源纳入碳配额分配机制中.文献[11 ]中探讨了电力行业碳核算方法,提升美国电力行业碳配额分配效率.文献[12 ]中采用改进熵权系数法确定影响碳排放分配的各指标综合权重,建立碳配额分配模型.文献[13 ]中提出修正的数据包络分析法,反映各省之间的碳配额分配协作方式.上述研究分析了碳配额对低碳减排的积极作用并构建碳配额分配模型,但目前国内碳配额分配方面的研究主要集中在省域或行业之间,对于发电行业内发电机组间的碳配额分配研究较为缺乏.要实现新型电力系统建设,未来电力系统不但需要满足系统平衡需求,还应满足低碳环保要求.当新能源参与电力市场时,碳配额可以反映新能源优于常规火电的绿色特性,实现系统更大范围的优化运行. ...
考虑碳捕集技术的电力系统双层优化配置
1
2023
... 近年来,电力领域中关于碳减排的研究获得越来越多的关注.如何将碳减排目标纳入模型中促进电力系统低碳发展成为当前研究的热点.文献[4 ]中基于碳税与碳交易对发电成本进行建模,提出系统两阶段低碳调度模型.文献[5 ]中构建计及阶梯碳交易成本的鲁棒优化模型,分析碳交易价格对系统运行的影响.文献[6 ]中考虑碳捕集技术建立双层优化配置模型,并利用卡罗需-库恩-塔克条件转为单层模型求解.文献[7 ]中建立多维度绩效评价指标体系,并将其引入竞拍交易机制中,通过完善微网分布式交易模式提升新能源消纳率,实现碳减排目标.文献[8 ]中提出一种碳交易环境下含风电电力系统确定性的短期生产模拟模型,对碳排放权分配及碳交易成本进行建模并纳入成本模型中,从而推动电力低碳化目标的实现.文献[9 ]中提出一种考虑阶梯型碳交易的虚拟电厂低碳经济调度模型,对碳捕集系统及碳交易成本进行建模,为提升能源效率、实现“双碳”目标提供了一种新路径.上述研究对碳排放成本进行建模或建立指标体系内嵌在模型中,但均未考虑现行碳排放政策对模型的影响.文献[10 ]中提出考虑不同类型电源排放强度的统一碳排放基准计算方法,将不同电源纳入碳配额分配机制中.文献[11 ]中探讨了电力行业碳核算方法,提升美国电力行业碳配额分配效率.文献[12 ]中采用改进熵权系数法确定影响碳排放分配的各指标综合权重,建立碳配额分配模型.文献[13 ]中提出修正的数据包络分析法,反映各省之间的碳配额分配协作方式.上述研究分析了碳配额对低碳减排的积极作用并构建碳配额分配模型,但目前国内碳配额分配方面的研究主要集中在省域或行业之间,对于发电行业内发电机组间的碳配额分配研究较为缺乏.要实现新型电力系统建设,未来电力系统不但需要满足系统平衡需求,还应满足低碳环保要求.当新能源参与电力市场时,碳配额可以反映新能源优于常规火电的绿色特性,实现系统更大范围的优化运行. ...
Bi-level optimal allocation of power system considering carbon capture technology
1
2023
... 近年来,电力领域中关于碳减排的研究获得越来越多的关注.如何将碳减排目标纳入模型中促进电力系统低碳发展成为当前研究的热点.文献[4 ]中基于碳税与碳交易对发电成本进行建模,提出系统两阶段低碳调度模型.文献[5 ]中构建计及阶梯碳交易成本的鲁棒优化模型,分析碳交易价格对系统运行的影响.文献[6 ]中考虑碳捕集技术建立双层优化配置模型,并利用卡罗需-库恩-塔克条件转为单层模型求解.文献[7 ]中建立多维度绩效评价指标体系,并将其引入竞拍交易机制中,通过完善微网分布式交易模式提升新能源消纳率,实现碳减排目标.文献[8 ]中提出一种碳交易环境下含风电电力系统确定性的短期生产模拟模型,对碳排放权分配及碳交易成本进行建模并纳入成本模型中,从而推动电力低碳化目标的实现.文献[9 ]中提出一种考虑阶梯型碳交易的虚拟电厂低碳经济调度模型,对碳捕集系统及碳交易成本进行建模,为提升能源效率、实现“双碳”目标提供了一种新路径.上述研究对碳排放成本进行建模或建立指标体系内嵌在模型中,但均未考虑现行碳排放政策对模型的影响.文献[10 ]中提出考虑不同类型电源排放强度的统一碳排放基准计算方法,将不同电源纳入碳配额分配机制中.文献[11 ]中探讨了电力行业碳核算方法,提升美国电力行业碳配额分配效率.文献[12 ]中采用改进熵权系数法确定影响碳排放分配的各指标综合权重,建立碳配额分配模型.文献[13 ]中提出修正的数据包络分析法,反映各省之间的碳配额分配协作方式.上述研究分析了碳配额对低碳减排的积极作用并构建碳配额分配模型,但目前国内碳配额分配方面的研究主要集中在省域或行业之间,对于发电行业内发电机组间的碳配额分配研究较为缺乏.要实现新型电力系统建设,未来电力系统不但需要满足系统平衡需求,还应满足低碳环保要求.当新能源参与电力市场时,碳配额可以反映新能源优于常规火电的绿色特性,实现系统更大范围的优化运行. ...
“双碳” 背景下微网分布式电能交易绩效评价指标与方法
1
2022
... 近年来,电力领域中关于碳减排的研究获得越来越多的关注.如何将碳减排目标纳入模型中促进电力系统低碳发展成为当前研究的热点.文献[4 ]中基于碳税与碳交易对发电成本进行建模,提出系统两阶段低碳调度模型.文献[5 ]中构建计及阶梯碳交易成本的鲁棒优化模型,分析碳交易价格对系统运行的影响.文献[6 ]中考虑碳捕集技术建立双层优化配置模型,并利用卡罗需-库恩-塔克条件转为单层模型求解.文献[7 ]中建立多维度绩效评价指标体系,并将其引入竞拍交易机制中,通过完善微网分布式交易模式提升新能源消纳率,实现碳减排目标.文献[8 ]中提出一种碳交易环境下含风电电力系统确定性的短期生产模拟模型,对碳排放权分配及碳交易成本进行建模并纳入成本模型中,从而推动电力低碳化目标的实现.文献[9 ]中提出一种考虑阶梯型碳交易的虚拟电厂低碳经济调度模型,对碳捕集系统及碳交易成本进行建模,为提升能源效率、实现“双碳”目标提供了一种新路径.上述研究对碳排放成本进行建模或建立指标体系内嵌在模型中,但均未考虑现行碳排放政策对模型的影响.文献[10 ]中提出考虑不同类型电源排放强度的统一碳排放基准计算方法,将不同电源纳入碳配额分配机制中.文献[11 ]中探讨了电力行业碳核算方法,提升美国电力行业碳配额分配效率.文献[12 ]中采用改进熵权系数法确定影响碳排放分配的各指标综合权重,建立碳配额分配模型.文献[13 ]中提出修正的数据包络分析法,反映各省之间的碳配额分配协作方式.上述研究分析了碳配额对低碳减排的积极作用并构建碳配额分配模型,但目前国内碳配额分配方面的研究主要集中在省域或行业之间,对于发电行业内发电机组间的碳配额分配研究较为缺乏.要实现新型电力系统建设,未来电力系统不但需要满足系统平衡需求,还应满足低碳环保要求.当新能源参与电力市场时,碳配额可以反映新能源优于常规火电的绿色特性,实现系统更大范围的优化运行. ...
Performance evaluation index and method of micro-grid distributed electricity trading under the background of “carbon peaking and carbon neutrality”
1
2022
... 近年来,电力领域中关于碳减排的研究获得越来越多的关注.如何将碳减排目标纳入模型中促进电力系统低碳发展成为当前研究的热点.文献[4 ]中基于碳税与碳交易对发电成本进行建模,提出系统两阶段低碳调度模型.文献[5 ]中构建计及阶梯碳交易成本的鲁棒优化模型,分析碳交易价格对系统运行的影响.文献[6 ]中考虑碳捕集技术建立双层优化配置模型,并利用卡罗需-库恩-塔克条件转为单层模型求解.文献[7 ]中建立多维度绩效评价指标体系,并将其引入竞拍交易机制中,通过完善微网分布式交易模式提升新能源消纳率,实现碳减排目标.文献[8 ]中提出一种碳交易环境下含风电电力系统确定性的短期生产模拟模型,对碳排放权分配及碳交易成本进行建模并纳入成本模型中,从而推动电力低碳化目标的实现.文献[9 ]中提出一种考虑阶梯型碳交易的虚拟电厂低碳经济调度模型,对碳捕集系统及碳交易成本进行建模,为提升能源效率、实现“双碳”目标提供了一种新路径.上述研究对碳排放成本进行建模或建立指标体系内嵌在模型中,但均未考虑现行碳排放政策对模型的影响.文献[10 ]中提出考虑不同类型电源排放强度的统一碳排放基准计算方法,将不同电源纳入碳配额分配机制中.文献[11 ]中探讨了电力行业碳核算方法,提升美国电力行业碳配额分配效率.文献[12 ]中采用改进熵权系数法确定影响碳排放分配的各指标综合权重,建立碳配额分配模型.文献[13 ]中提出修正的数据包络分析法,反映各省之间的碳配额分配协作方式.上述研究分析了碳配额对低碳减排的积极作用并构建碳配额分配模型,但目前国内碳配额分配方面的研究主要集中在省域或行业之间,对于发电行业内发电机组间的碳配额分配研究较为缺乏.要实现新型电力系统建设,未来电力系统不但需要满足系统平衡需求,还应满足低碳环保要求.当新能源参与电力市场时,碳配额可以反映新能源优于常规火电的绿色特性,实现系统更大范围的优化运行. ...
碳交易环境下含风电电力系统短期生产模拟
1
2021
... 近年来,电力领域中关于碳减排的研究获得越来越多的关注.如何将碳减排目标纳入模型中促进电力系统低碳发展成为当前研究的热点.文献[4 ]中基于碳税与碳交易对发电成本进行建模,提出系统两阶段低碳调度模型.文献[5 ]中构建计及阶梯碳交易成本的鲁棒优化模型,分析碳交易价格对系统运行的影响.文献[6 ]中考虑碳捕集技术建立双层优化配置模型,并利用卡罗需-库恩-塔克条件转为单层模型求解.文献[7 ]中建立多维度绩效评价指标体系,并将其引入竞拍交易机制中,通过完善微网分布式交易模式提升新能源消纳率,实现碳减排目标.文献[8 ]中提出一种碳交易环境下含风电电力系统确定性的短期生产模拟模型,对碳排放权分配及碳交易成本进行建模并纳入成本模型中,从而推动电力低碳化目标的实现.文献[9 ]中提出一种考虑阶梯型碳交易的虚拟电厂低碳经济调度模型,对碳捕集系统及碳交易成本进行建模,为提升能源效率、实现“双碳”目标提供了一种新路径.上述研究对碳排放成本进行建模或建立指标体系内嵌在模型中,但均未考虑现行碳排放政策对模型的影响.文献[10 ]中提出考虑不同类型电源排放强度的统一碳排放基准计算方法,将不同电源纳入碳配额分配机制中.文献[11 ]中探讨了电力行业碳核算方法,提升美国电力行业碳配额分配效率.文献[12 ]中采用改进熵权系数法确定影响碳排放分配的各指标综合权重,建立碳配额分配模型.文献[13 ]中提出修正的数据包络分析法,反映各省之间的碳配额分配协作方式.上述研究分析了碳配额对低碳减排的积极作用并构建碳配额分配模型,但目前国内碳配额分配方面的研究主要集中在省域或行业之间,对于发电行业内发电机组间的碳配额分配研究较为缺乏.要实现新型电力系统建设,未来电力系统不但需要满足系统平衡需求,还应满足低碳环保要求.当新能源参与电力市场时,碳配额可以反映新能源优于常规火电的绿色特性,实现系统更大范围的优化运行. ...
Short-term production simulation of power system containing wind power under carbon trading environment
1
2021
... 近年来,电力领域中关于碳减排的研究获得越来越多的关注.如何将碳减排目标纳入模型中促进电力系统低碳发展成为当前研究的热点.文献[4 ]中基于碳税与碳交易对发电成本进行建模,提出系统两阶段低碳调度模型.文献[5 ]中构建计及阶梯碳交易成本的鲁棒优化模型,分析碳交易价格对系统运行的影响.文献[6 ]中考虑碳捕集技术建立双层优化配置模型,并利用卡罗需-库恩-塔克条件转为单层模型求解.文献[7 ]中建立多维度绩效评价指标体系,并将其引入竞拍交易机制中,通过完善微网分布式交易模式提升新能源消纳率,实现碳减排目标.文献[8 ]中提出一种碳交易环境下含风电电力系统确定性的短期生产模拟模型,对碳排放权分配及碳交易成本进行建模并纳入成本模型中,从而推动电力低碳化目标的实现.文献[9 ]中提出一种考虑阶梯型碳交易的虚拟电厂低碳经济调度模型,对碳捕集系统及碳交易成本进行建模,为提升能源效率、实现“双碳”目标提供了一种新路径.上述研究对碳排放成本进行建模或建立指标体系内嵌在模型中,但均未考虑现行碳排放政策对模型的影响.文献[10 ]中提出考虑不同类型电源排放强度的统一碳排放基准计算方法,将不同电源纳入碳配额分配机制中.文献[11 ]中探讨了电力行业碳核算方法,提升美国电力行业碳配额分配效率.文献[12 ]中采用改进熵权系数法确定影响碳排放分配的各指标综合权重,建立碳配额分配模型.文献[13 ]中提出修正的数据包络分析法,反映各省之间的碳配额分配协作方式.上述研究分析了碳配额对低碳减排的积极作用并构建碳配额分配模型,但目前国内碳配额分配方面的研究主要集中在省域或行业之间,对于发电行业内发电机组间的碳配额分配研究较为缺乏.要实现新型电力系统建设,未来电力系统不但需要满足系统平衡需求,还应满足低碳环保要求.当新能源参与电力市场时,碳配额可以反映新能源优于常规火电的绿色特性,实现系统更大范围的优化运行. ...
多重不确定环境下考虑阶梯型碳交易的虚拟电厂低碳经济调度
1
2023
... 近年来,电力领域中关于碳减排的研究获得越来越多的关注.如何将碳减排目标纳入模型中促进电力系统低碳发展成为当前研究的热点.文献[4 ]中基于碳税与碳交易对发电成本进行建模,提出系统两阶段低碳调度模型.文献[5 ]中构建计及阶梯碳交易成本的鲁棒优化模型,分析碳交易价格对系统运行的影响.文献[6 ]中考虑碳捕集技术建立双层优化配置模型,并利用卡罗需-库恩-塔克条件转为单层模型求解.文献[7 ]中建立多维度绩效评价指标体系,并将其引入竞拍交易机制中,通过完善微网分布式交易模式提升新能源消纳率,实现碳减排目标.文献[8 ]中提出一种碳交易环境下含风电电力系统确定性的短期生产模拟模型,对碳排放权分配及碳交易成本进行建模并纳入成本模型中,从而推动电力低碳化目标的实现.文献[9 ]中提出一种考虑阶梯型碳交易的虚拟电厂低碳经济调度模型,对碳捕集系统及碳交易成本进行建模,为提升能源效率、实现“双碳”目标提供了一种新路径.上述研究对碳排放成本进行建模或建立指标体系内嵌在模型中,但均未考虑现行碳排放政策对模型的影响.文献[10 ]中提出考虑不同类型电源排放强度的统一碳排放基准计算方法,将不同电源纳入碳配额分配机制中.文献[11 ]中探讨了电力行业碳核算方法,提升美国电力行业碳配额分配效率.文献[12 ]中采用改进熵权系数法确定影响碳排放分配的各指标综合权重,建立碳配额分配模型.文献[13 ]中提出修正的数据包络分析法,反映各省之间的碳配额分配协作方式.上述研究分析了碳配额对低碳减排的积极作用并构建碳配额分配模型,但目前国内碳配额分配方面的研究主要集中在省域或行业之间,对于发电行业内发电机组间的碳配额分配研究较为缺乏.要实现新型电力系统建设,未来电力系统不但需要满足系统平衡需求,还应满足低碳环保要求.当新能源参与电力市场时,碳配额可以反映新能源优于常规火电的绿色特性,实现系统更大范围的优化运行. ...
Low carbon economic dispatch of virtual power plants considering ladder-type carbon trading in multiple uncertainties
1
2023
... 近年来,电力领域中关于碳减排的研究获得越来越多的关注.如何将碳减排目标纳入模型中促进电力系统低碳发展成为当前研究的热点.文献[4 ]中基于碳税与碳交易对发电成本进行建模,提出系统两阶段低碳调度模型.文献[5 ]中构建计及阶梯碳交易成本的鲁棒优化模型,分析碳交易价格对系统运行的影响.文献[6 ]中考虑碳捕集技术建立双层优化配置模型,并利用卡罗需-库恩-塔克条件转为单层模型求解.文献[7 ]中建立多维度绩效评价指标体系,并将其引入竞拍交易机制中,通过完善微网分布式交易模式提升新能源消纳率,实现碳减排目标.文献[8 ]中提出一种碳交易环境下含风电电力系统确定性的短期生产模拟模型,对碳排放权分配及碳交易成本进行建模并纳入成本模型中,从而推动电力低碳化目标的实现.文献[9 ]中提出一种考虑阶梯型碳交易的虚拟电厂低碳经济调度模型,对碳捕集系统及碳交易成本进行建模,为提升能源效率、实现“双碳”目标提供了一种新路径.上述研究对碳排放成本进行建模或建立指标体系内嵌在模型中,但均未考虑现行碳排放政策对模型的影响.文献[10 ]中提出考虑不同类型电源排放强度的统一碳排放基准计算方法,将不同电源纳入碳配额分配机制中.文献[11 ]中探讨了电力行业碳核算方法,提升美国电力行业碳配额分配效率.文献[12 ]中采用改进熵权系数法确定影响碳排放分配的各指标综合权重,建立碳配额分配模型.文献[13 ]中提出修正的数据包络分析法,反映各省之间的碳配额分配协作方式.上述研究分析了碳配额对低碳减排的积极作用并构建碳配额分配模型,但目前国内碳配额分配方面的研究主要集中在省域或行业之间,对于发电行业内发电机组间的碳配额分配研究较为缺乏.要实现新型电力系统建设,未来电力系统不但需要满足系统平衡需求,还应满足低碳环保要求.当新能源参与电力市场时,碳配额可以反映新能源优于常规火电的绿色特性,实现系统更大范围的优化运行. ...
碳市场下火电统一碳排放基准与减排效应分析
1
2018
... 近年来,电力领域中关于碳减排的研究获得越来越多的关注.如何将碳减排目标纳入模型中促进电力系统低碳发展成为当前研究的热点.文献[4 ]中基于碳税与碳交易对发电成本进行建模,提出系统两阶段低碳调度模型.文献[5 ]中构建计及阶梯碳交易成本的鲁棒优化模型,分析碳交易价格对系统运行的影响.文献[6 ]中考虑碳捕集技术建立双层优化配置模型,并利用卡罗需-库恩-塔克条件转为单层模型求解.文献[7 ]中建立多维度绩效评价指标体系,并将其引入竞拍交易机制中,通过完善微网分布式交易模式提升新能源消纳率,实现碳减排目标.文献[8 ]中提出一种碳交易环境下含风电电力系统确定性的短期生产模拟模型,对碳排放权分配及碳交易成本进行建模并纳入成本模型中,从而推动电力低碳化目标的实现.文献[9 ]中提出一种考虑阶梯型碳交易的虚拟电厂低碳经济调度模型,对碳捕集系统及碳交易成本进行建模,为提升能源效率、实现“双碳”目标提供了一种新路径.上述研究对碳排放成本进行建模或建立指标体系内嵌在模型中,但均未考虑现行碳排放政策对模型的影响.文献[10 ]中提出考虑不同类型电源排放强度的统一碳排放基准计算方法,将不同电源纳入碳配额分配机制中.文献[11 ]中探讨了电力行业碳核算方法,提升美国电力行业碳配额分配效率.文献[12 ]中采用改进熵权系数法确定影响碳排放分配的各指标综合权重,建立碳配额分配模型.文献[13 ]中提出修正的数据包络分析法,反映各省之间的碳配额分配协作方式.上述研究分析了碳配额对低碳减排的积极作用并构建碳配额分配模型,但目前国内碳配额分配方面的研究主要集中在省域或行业之间,对于发电行业内发电机组间的碳配额分配研究较为缺乏.要实现新型电力系统建设,未来电力系统不但需要满足系统平衡需求,还应满足低碳环保要求.当新能源参与电力市场时,碳配额可以反映新能源优于常规火电的绿色特性,实现系统更大范围的优化运行. ...
A unified carbon emission benchmark for fossil-fueled units and its effect on carbon emission reduction in carbon market
1
2018
... 近年来,电力领域中关于碳减排的研究获得越来越多的关注.如何将碳减排目标纳入模型中促进电力系统低碳发展成为当前研究的热点.文献[4 ]中基于碳税与碳交易对发电成本进行建模,提出系统两阶段低碳调度模型.文献[5 ]中构建计及阶梯碳交易成本的鲁棒优化模型,分析碳交易价格对系统运行的影响.文献[6 ]中考虑碳捕集技术建立双层优化配置模型,并利用卡罗需-库恩-塔克条件转为单层模型求解.文献[7 ]中建立多维度绩效评价指标体系,并将其引入竞拍交易机制中,通过完善微网分布式交易模式提升新能源消纳率,实现碳减排目标.文献[8 ]中提出一种碳交易环境下含风电电力系统确定性的短期生产模拟模型,对碳排放权分配及碳交易成本进行建模并纳入成本模型中,从而推动电力低碳化目标的实现.文献[9 ]中提出一种考虑阶梯型碳交易的虚拟电厂低碳经济调度模型,对碳捕集系统及碳交易成本进行建模,为提升能源效率、实现“双碳”目标提供了一种新路径.上述研究对碳排放成本进行建模或建立指标体系内嵌在模型中,但均未考虑现行碳排放政策对模型的影响.文献[10 ]中提出考虑不同类型电源排放强度的统一碳排放基准计算方法,将不同电源纳入碳配额分配机制中.文献[11 ]中探讨了电力行业碳核算方法,提升美国电力行业碳配额分配效率.文献[12 ]中采用改进熵权系数法确定影响碳排放分配的各指标综合权重,建立碳配额分配模型.文献[13 ]中提出修正的数据包络分析法,反映各省之间的碳配额分配协作方式.上述研究分析了碳配额对低碳减排的积极作用并构建碳配额分配模型,但目前国内碳配额分配方面的研究主要集中在省域或行业之间,对于发电行业内发电机组间的碳配额分配研究较为缺乏.要实现新型电力系统建设,未来电力系统不但需要满足系统平衡需求,还应满足低碳环保要求.当新能源参与电力市场时,碳配额可以反映新能源优于常规火电的绿色特性,实现系统更大范围的优化运行. ...
Estimating carbon dioxide emissions from electricity generation in the United States: How sectoral allocation may shift as the grid modernizes
1
2020
... 近年来,电力领域中关于碳减排的研究获得越来越多的关注.如何将碳减排目标纳入模型中促进电力系统低碳发展成为当前研究的热点.文献[4 ]中基于碳税与碳交易对发电成本进行建模,提出系统两阶段低碳调度模型.文献[5 ]中构建计及阶梯碳交易成本的鲁棒优化模型,分析碳交易价格对系统运行的影响.文献[6 ]中考虑碳捕集技术建立双层优化配置模型,并利用卡罗需-库恩-塔克条件转为单层模型求解.文献[7 ]中建立多维度绩效评价指标体系,并将其引入竞拍交易机制中,通过完善微网分布式交易模式提升新能源消纳率,实现碳减排目标.文献[8 ]中提出一种碳交易环境下含风电电力系统确定性的短期生产模拟模型,对碳排放权分配及碳交易成本进行建模并纳入成本模型中,从而推动电力低碳化目标的实现.文献[9 ]中提出一种考虑阶梯型碳交易的虚拟电厂低碳经济调度模型,对碳捕集系统及碳交易成本进行建模,为提升能源效率、实现“双碳”目标提供了一种新路径.上述研究对碳排放成本进行建模或建立指标体系内嵌在模型中,但均未考虑现行碳排放政策对模型的影响.文献[10 ]中提出考虑不同类型电源排放强度的统一碳排放基准计算方法,将不同电源纳入碳配额分配机制中.文献[11 ]中探讨了电力行业碳核算方法,提升美国电力行业碳配额分配效率.文献[12 ]中采用改进熵权系数法确定影响碳排放分配的各指标综合权重,建立碳配额分配模型.文献[13 ]中提出修正的数据包络分析法,反映各省之间的碳配额分配协作方式.上述研究分析了碳配额对低碳减排的积极作用并构建碳配额分配模型,但目前国内碳配额分配方面的研究主要集中在省域或行业之间,对于发电行业内发电机组间的碳配额分配研究较为缺乏.要实现新型电力系统建设,未来电力系统不但需要满足系统平衡需求,还应满足低碳环保要求.当新能源参与电力市场时,碳配额可以反映新能源优于常规火电的绿色特性,实现系统更大范围的优化运行. ...
计及多关联因素的电力行业碳排放权分配方案
1
2020
... 近年来,电力领域中关于碳减排的研究获得越来越多的关注.如何将碳减排目标纳入模型中促进电力系统低碳发展成为当前研究的热点.文献[4 ]中基于碳税与碳交易对发电成本进行建模,提出系统两阶段低碳调度模型.文献[5 ]中构建计及阶梯碳交易成本的鲁棒优化模型,分析碳交易价格对系统运行的影响.文献[6 ]中考虑碳捕集技术建立双层优化配置模型,并利用卡罗需-库恩-塔克条件转为单层模型求解.文献[7 ]中建立多维度绩效评价指标体系,并将其引入竞拍交易机制中,通过完善微网分布式交易模式提升新能源消纳率,实现碳减排目标.文献[8 ]中提出一种碳交易环境下含风电电力系统确定性的短期生产模拟模型,对碳排放权分配及碳交易成本进行建模并纳入成本模型中,从而推动电力低碳化目标的实现.文献[9 ]中提出一种考虑阶梯型碳交易的虚拟电厂低碳经济调度模型,对碳捕集系统及碳交易成本进行建模,为提升能源效率、实现“双碳”目标提供了一种新路径.上述研究对碳排放成本进行建模或建立指标体系内嵌在模型中,但均未考虑现行碳排放政策对模型的影响.文献[10 ]中提出考虑不同类型电源排放强度的统一碳排放基准计算方法,将不同电源纳入碳配额分配机制中.文献[11 ]中探讨了电力行业碳核算方法,提升美国电力行业碳配额分配效率.文献[12 ]中采用改进熵权系数法确定影响碳排放分配的各指标综合权重,建立碳配额分配模型.文献[13 ]中提出修正的数据包络分析法,反映各省之间的碳配额分配协作方式.上述研究分析了碳配额对低碳减排的积极作用并构建碳配额分配模型,但目前国内碳配额分配方面的研究主要集中在省域或行业之间,对于发电行业内发电机组间的碳配额分配研究较为缺乏.要实现新型电力系统建设,未来电力系统不但需要满足系统平衡需求,还应满足低碳环保要求.当新能源参与电力市场时,碳配额可以反映新能源优于常规火电的绿色特性,实现系统更大范围的优化运行. ...
Allocation scheme of carbon emission rights for power industry considering multiple correlated factors
1
2020
... 近年来,电力领域中关于碳减排的研究获得越来越多的关注.如何将碳减排目标纳入模型中促进电力系统低碳发展成为当前研究的热点.文献[4 ]中基于碳税与碳交易对发电成本进行建模,提出系统两阶段低碳调度模型.文献[5 ]中构建计及阶梯碳交易成本的鲁棒优化模型,分析碳交易价格对系统运行的影响.文献[6 ]中考虑碳捕集技术建立双层优化配置模型,并利用卡罗需-库恩-塔克条件转为单层模型求解.文献[7 ]中建立多维度绩效评价指标体系,并将其引入竞拍交易机制中,通过完善微网分布式交易模式提升新能源消纳率,实现碳减排目标.文献[8 ]中提出一种碳交易环境下含风电电力系统确定性的短期生产模拟模型,对碳排放权分配及碳交易成本进行建模并纳入成本模型中,从而推动电力低碳化目标的实现.文献[9 ]中提出一种考虑阶梯型碳交易的虚拟电厂低碳经济调度模型,对碳捕集系统及碳交易成本进行建模,为提升能源效率、实现“双碳”目标提供了一种新路径.上述研究对碳排放成本进行建模或建立指标体系内嵌在模型中,但均未考虑现行碳排放政策对模型的影响.文献[10 ]中提出考虑不同类型电源排放强度的统一碳排放基准计算方法,将不同电源纳入碳配额分配机制中.文献[11 ]中探讨了电力行业碳核算方法,提升美国电力行业碳配额分配效率.文献[12 ]中采用改进熵权系数法确定影响碳排放分配的各指标综合权重,建立碳配额分配模型.文献[13 ]中提出修正的数据包络分析法,反映各省之间的碳配额分配协作方式.上述研究分析了碳配额对低碳减排的积极作用并构建碳配额分配模型,但目前国内碳配额分配方面的研究主要集中在省域或行业之间,对于发电行业内发电机组间的碳配额分配研究较为缺乏.要实现新型电力系统建设,未来电力系统不但需要满足系统平衡需求,还应满足低碳环保要求.当新能源参与电力市场时,碳配额可以反映新能源优于常规火电的绿色特性,实现系统更大范围的优化运行. ...
Industrial carbon abatement allocations and regional collaboration: re-evaluating China through a modified data envelopment analysis
1
2019
... 近年来,电力领域中关于碳减排的研究获得越来越多的关注.如何将碳减排目标纳入模型中促进电力系统低碳发展成为当前研究的热点.文献[4 ]中基于碳税与碳交易对发电成本进行建模,提出系统两阶段低碳调度模型.文献[5 ]中构建计及阶梯碳交易成本的鲁棒优化模型,分析碳交易价格对系统运行的影响.文献[6 ]中考虑碳捕集技术建立双层优化配置模型,并利用卡罗需-库恩-塔克条件转为单层模型求解.文献[7 ]中建立多维度绩效评价指标体系,并将其引入竞拍交易机制中,通过完善微网分布式交易模式提升新能源消纳率,实现碳减排目标.文献[8 ]中提出一种碳交易环境下含风电电力系统确定性的短期生产模拟模型,对碳排放权分配及碳交易成本进行建模并纳入成本模型中,从而推动电力低碳化目标的实现.文献[9 ]中提出一种考虑阶梯型碳交易的虚拟电厂低碳经济调度模型,对碳捕集系统及碳交易成本进行建模,为提升能源效率、实现“双碳”目标提供了一种新路径.上述研究对碳排放成本进行建模或建立指标体系内嵌在模型中,但均未考虑现行碳排放政策对模型的影响.文献[10 ]中提出考虑不同类型电源排放强度的统一碳排放基准计算方法,将不同电源纳入碳配额分配机制中.文献[11 ]中探讨了电力行业碳核算方法,提升美国电力行业碳配额分配效率.文献[12 ]中采用改进熵权系数法确定影响碳排放分配的各指标综合权重,建立碳配额分配模型.文献[13 ]中提出修正的数据包络分析法,反映各省之间的碳配额分配协作方式.上述研究分析了碳配额对低碳减排的积极作用并构建碳配额分配模型,但目前国内碳配额分配方面的研究主要集中在省域或行业之间,对于发电行业内发电机组间的碳配额分配研究较为缺乏.要实现新型电力系统建设,未来电力系统不但需要满足系统平衡需求,还应满足低碳环保要求.当新能源参与电力市场时,碳配额可以反映新能源优于常规火电的绿色特性,实现系统更大范围的优化运行. ...
电力市场、碳市场及绿证市场互动机理及协调机制
1
2023
... 市场机制是资源优化配置的重要手段,随着碳市场研究日益广泛,部分研究将碳交易机制引入电力系统中进一步提高新能源的利用率,保证系统低碳经济运行.目前,在碳市场与电力市场的耦合研究方面,文献[14 ]中剖析了碳市场、电力市场与绿证市场之间的关联关系与交互影响机理,提出相应的衔接机制.文献[15 ]中利用系统动力学模型,在碳市场与绿证市场交易基础上,分析内部因素与外部环境间的相互作用机制.文献[16 ]中在考虑国家核证自愿减排量(Chinese certified emission reduction, CCER)的碳-电耦合市场基础上,建立水火电协同竞价模型.文献[17 ]中采用一般均衡模型来模拟分析碳交易市场对电力行业的影响.文献[18 ]中分析碳市场机制引起的成本节约效应以及其对电力市场的互动效应,提出考虑碳排放价格的电能成本模型.文献[19 ]中研究美国区域温室气体减排行动的运行情况以及区域内电力市场与碳市场的耦合机制.文献[20 ]中引入CCER交易抵消机制,分析碳配额对风电光伏及碳减排的影响情况.文献[21 ]中提出考虑发电商以年清算和日出清为基础的多时间尺度碳-电耦合决策,以联合进行碳-电市场的均衡分析.文献[22 ]中提出一种基于碳价的需求响应,考虑电力市场和碳市场之间的套利利润,分析市场用户行为变化和减排效果.文献[23 ]中研究考虑碳排放的价格型需求响应机制及边云协同优化策略,提出考虑添加折扣因子下的电价机制,将固定碳成本转化为灵活碳成本,通过电价调节降低碳排放的目的.上述关于碳电耦合的研究大多集中于市场主体在考虑碳市场后的竞价策略分析,以及碳交易机制、碳配额和碳排放责任对市场出清的影响,并未分析新能源市场化后碳电耦合对推动新能源消纳和实现电力行业碳减排的影响;且关于碳电市场联合的交易模式研究较为缺乏,同一主体参与碳-电两个市场的模式研究更为鲜见,无法充分发挥市场完善资源配置的积极作用.因此,迫切需要构建现实高效的市场机制,以碳电交易协同推动电力行业低碳发展. ...
Interaction principle and cohesive mechanism between electricity market, carbon market and green power certificate market
1
2023
... 市场机制是资源优化配置的重要手段,随着碳市场研究日益广泛,部分研究将碳交易机制引入电力系统中进一步提高新能源的利用率,保证系统低碳经济运行.目前,在碳市场与电力市场的耦合研究方面,文献[14 ]中剖析了碳市场、电力市场与绿证市场之间的关联关系与交互影响机理,提出相应的衔接机制.文献[15 ]中利用系统动力学模型,在碳市场与绿证市场交易基础上,分析内部因素与外部环境间的相互作用机制.文献[16 ]中在考虑国家核证自愿减排量(Chinese certified emission reduction, CCER)的碳-电耦合市场基础上,建立水火电协同竞价模型.文献[17 ]中采用一般均衡模型来模拟分析碳交易市场对电力行业的影响.文献[18 ]中分析碳市场机制引起的成本节约效应以及其对电力市场的互动效应,提出考虑碳排放价格的电能成本模型.文献[19 ]中研究美国区域温室气体减排行动的运行情况以及区域内电力市场与碳市场的耦合机制.文献[20 ]中引入CCER交易抵消机制,分析碳配额对风电光伏及碳减排的影响情况.文献[21 ]中提出考虑发电商以年清算和日出清为基础的多时间尺度碳-电耦合决策,以联合进行碳-电市场的均衡分析.文献[22 ]中提出一种基于碳价的需求响应,考虑电力市场和碳市场之间的套利利润,分析市场用户行为变化和减排效果.文献[23 ]中研究考虑碳排放的价格型需求响应机制及边云协同优化策略,提出考虑添加折扣因子下的电价机制,将固定碳成本转化为灵活碳成本,通过电价调节降低碳排放的目的.上述关于碳电耦合的研究大多集中于市场主体在考虑碳市场后的竞价策略分析,以及碳交易机制、碳配额和碳排放责任对市场出清的影响,并未分析新能源市场化后碳电耦合对推动新能源消纳和实现电力行业碳减排的影响;且关于碳电市场联合的交易模式研究较为缺乏,同一主体参与碳-电两个市场的模式研究更为鲜见,无法充分发挥市场完善资源配置的积极作用.因此,迫切需要构建现实高效的市场机制,以碳电交易协同推动电力行业低碳发展. ...
新电改下可再生能源衍生品交易研究
1
2019
... 市场机制是资源优化配置的重要手段,随着碳市场研究日益广泛,部分研究将碳交易机制引入电力系统中进一步提高新能源的利用率,保证系统低碳经济运行.目前,在碳市场与电力市场的耦合研究方面,文献[14 ]中剖析了碳市场、电力市场与绿证市场之间的关联关系与交互影响机理,提出相应的衔接机制.文献[15 ]中利用系统动力学模型,在碳市场与绿证市场交易基础上,分析内部因素与外部环境间的相互作用机制.文献[16 ]中在考虑国家核证自愿减排量(Chinese certified emission reduction, CCER)的碳-电耦合市场基础上,建立水火电协同竞价模型.文献[17 ]中采用一般均衡模型来模拟分析碳交易市场对电力行业的影响.文献[18 ]中分析碳市场机制引起的成本节约效应以及其对电力市场的互动效应,提出考虑碳排放价格的电能成本模型.文献[19 ]中研究美国区域温室气体减排行动的运行情况以及区域内电力市场与碳市场的耦合机制.文献[20 ]中引入CCER交易抵消机制,分析碳配额对风电光伏及碳减排的影响情况.文献[21 ]中提出考虑发电商以年清算和日出清为基础的多时间尺度碳-电耦合决策,以联合进行碳-电市场的均衡分析.文献[22 ]中提出一种基于碳价的需求响应,考虑电力市场和碳市场之间的套利利润,分析市场用户行为变化和减排效果.文献[23 ]中研究考虑碳排放的价格型需求响应机制及边云协同优化策略,提出考虑添加折扣因子下的电价机制,将固定碳成本转化为灵活碳成本,通过电价调节降低碳排放的目的.上述关于碳电耦合的研究大多集中于市场主体在考虑碳市场后的竞价策略分析,以及碳交易机制、碳配额和碳排放责任对市场出清的影响,并未分析新能源市场化后碳电耦合对推动新能源消纳和实现电力行业碳减排的影响;且关于碳电市场联合的交易模式研究较为缺乏,同一主体参与碳-电两个市场的模式研究更为鲜见,无法充分发挥市场完善资源配置的积极作用.因此,迫切需要构建现实高效的市场机制,以碳电交易协同推动电力行业低碳发展. ...
Research on trading of renewable energy derivatives market under the new electricity reform
1
2019
... 市场机制是资源优化配置的重要手段,随着碳市场研究日益广泛,部分研究将碳交易机制引入电力系统中进一步提高新能源的利用率,保证系统低碳经济运行.目前,在碳市场与电力市场的耦合研究方面,文献[14 ]中剖析了碳市场、电力市场与绿证市场之间的关联关系与交互影响机理,提出相应的衔接机制.文献[15 ]中利用系统动力学模型,在碳市场与绿证市场交易基础上,分析内部因素与外部环境间的相互作用机制.文献[16 ]中在考虑国家核证自愿减排量(Chinese certified emission reduction, CCER)的碳-电耦合市场基础上,建立水火电协同竞价模型.文献[17 ]中采用一般均衡模型来模拟分析碳交易市场对电力行业的影响.文献[18 ]中分析碳市场机制引起的成本节约效应以及其对电力市场的互动效应,提出考虑碳排放价格的电能成本模型.文献[19 ]中研究美国区域温室气体减排行动的运行情况以及区域内电力市场与碳市场的耦合机制.文献[20 ]中引入CCER交易抵消机制,分析碳配额对风电光伏及碳减排的影响情况.文献[21 ]中提出考虑发电商以年清算和日出清为基础的多时间尺度碳-电耦合决策,以联合进行碳-电市场的均衡分析.文献[22 ]中提出一种基于碳价的需求响应,考虑电力市场和碳市场之间的套利利润,分析市场用户行为变化和减排效果.文献[23 ]中研究考虑碳排放的价格型需求响应机制及边云协同优化策略,提出考虑添加折扣因子下的电价机制,将固定碳成本转化为灵活碳成本,通过电价调节降低碳排放的目的.上述关于碳电耦合的研究大多集中于市场主体在考虑碳市场后的竞价策略分析,以及碳交易机制、碳配额和碳排放责任对市场出清的影响,并未分析新能源市场化后碳电耦合对推动新能源消纳和实现电力行业碳减排的影响;且关于碳电市场联合的交易模式研究较为缺乏,同一主体参与碳-电两个市场的模式研究更为鲜见,无法充分发挥市场完善资源配置的积极作用.因此,迫切需要构建现实高效的市场机制,以碳电交易协同推动电力行业低碳发展. ...
考虑CCER机制的碳-电耦合市场水火电协同竞价模型
1
2023
... 市场机制是资源优化配置的重要手段,随着碳市场研究日益广泛,部分研究将碳交易机制引入电力系统中进一步提高新能源的利用率,保证系统低碳经济运行.目前,在碳市场与电力市场的耦合研究方面,文献[14 ]中剖析了碳市场、电力市场与绿证市场之间的关联关系与交互影响机理,提出相应的衔接机制.文献[15 ]中利用系统动力学模型,在碳市场与绿证市场交易基础上,分析内部因素与外部环境间的相互作用机制.文献[16 ]中在考虑国家核证自愿减排量(Chinese certified emission reduction, CCER)的碳-电耦合市场基础上,建立水火电协同竞价模型.文献[17 ]中采用一般均衡模型来模拟分析碳交易市场对电力行业的影响.文献[18 ]中分析碳市场机制引起的成本节约效应以及其对电力市场的互动效应,提出考虑碳排放价格的电能成本模型.文献[19 ]中研究美国区域温室气体减排行动的运行情况以及区域内电力市场与碳市场的耦合机制.文献[20 ]中引入CCER交易抵消机制,分析碳配额对风电光伏及碳减排的影响情况.文献[21 ]中提出考虑发电商以年清算和日出清为基础的多时间尺度碳-电耦合决策,以联合进行碳-电市场的均衡分析.文献[22 ]中提出一种基于碳价的需求响应,考虑电力市场和碳市场之间的套利利润,分析市场用户行为变化和减排效果.文献[23 ]中研究考虑碳排放的价格型需求响应机制及边云协同优化策略,提出考虑添加折扣因子下的电价机制,将固定碳成本转化为灵活碳成本,通过电价调节降低碳排放的目的.上述关于碳电耦合的研究大多集中于市场主体在考虑碳市场后的竞价策略分析,以及碳交易机制、碳配额和碳排放责任对市场出清的影响,并未分析新能源市场化后碳电耦合对推动新能源消纳和实现电力行业碳减排的影响;且关于碳电市场联合的交易模式研究较为缺乏,同一主体参与碳-电两个市场的模式研究更为鲜见,无法充分发挥市场完善资源配置的积极作用.因此,迫切需要构建现实高效的市场机制,以碳电交易协同推动电力行业低碳发展. ...
Coordinated bidding model of hydro-thermal power in carbon-electricity coupled market considering Chinese certified emission reduction mechanism
1
2023
... 市场机制是资源优化配置的重要手段,随着碳市场研究日益广泛,部分研究将碳交易机制引入电力系统中进一步提高新能源的利用率,保证系统低碳经济运行.目前,在碳市场与电力市场的耦合研究方面,文献[14 ]中剖析了碳市场、电力市场与绿证市场之间的关联关系与交互影响机理,提出相应的衔接机制.文献[15 ]中利用系统动力学模型,在碳市场与绿证市场交易基础上,分析内部因素与外部环境间的相互作用机制.文献[16 ]中在考虑国家核证自愿减排量(Chinese certified emission reduction, CCER)的碳-电耦合市场基础上,建立水火电协同竞价模型.文献[17 ]中采用一般均衡模型来模拟分析碳交易市场对电力行业的影响.文献[18 ]中分析碳市场机制引起的成本节约效应以及其对电力市场的互动效应,提出考虑碳排放价格的电能成本模型.文献[19 ]中研究美国区域温室气体减排行动的运行情况以及区域内电力市场与碳市场的耦合机制.文献[20 ]中引入CCER交易抵消机制,分析碳配额对风电光伏及碳减排的影响情况.文献[21 ]中提出考虑发电商以年清算和日出清为基础的多时间尺度碳-电耦合决策,以联合进行碳-电市场的均衡分析.文献[22 ]中提出一种基于碳价的需求响应,考虑电力市场和碳市场之间的套利利润,分析市场用户行为变化和减排效果.文献[23 ]中研究考虑碳排放的价格型需求响应机制及边云协同优化策略,提出考虑添加折扣因子下的电价机制,将固定碳成本转化为灵活碳成本,通过电价调节降低碳排放的目的.上述关于碳电耦合的研究大多集中于市场主体在考虑碳市场后的竞价策略分析,以及碳交易机制、碳配额和碳排放责任对市场出清的影响,并未分析新能源市场化后碳电耦合对推动新能源消纳和实现电力行业碳减排的影响;且关于碳电市场联合的交易模式研究较为缺乏,同一主体参与碳-电两个市场的模式研究更为鲜见,无法充分发挥市场完善资源配置的积极作用.因此,迫切需要构建现实高效的市场机制,以碳电交易协同推动电力行业低碳发展. ...
全国碳市场引入配额拍卖机制的经济影响: 基于CGE模型的分析
1
2022
... 市场机制是资源优化配置的重要手段,随着碳市场研究日益广泛,部分研究将碳交易机制引入电力系统中进一步提高新能源的利用率,保证系统低碳经济运行.目前,在碳市场与电力市场的耦合研究方面,文献[14 ]中剖析了碳市场、电力市场与绿证市场之间的关联关系与交互影响机理,提出相应的衔接机制.文献[15 ]中利用系统动力学模型,在碳市场与绿证市场交易基础上,分析内部因素与外部环境间的相互作用机制.文献[16 ]中在考虑国家核证自愿减排量(Chinese certified emission reduction, CCER)的碳-电耦合市场基础上,建立水火电协同竞价模型.文献[17 ]中采用一般均衡模型来模拟分析碳交易市场对电力行业的影响.文献[18 ]中分析碳市场机制引起的成本节约效应以及其对电力市场的互动效应,提出考虑碳排放价格的电能成本模型.文献[19 ]中研究美国区域温室气体减排行动的运行情况以及区域内电力市场与碳市场的耦合机制.文献[20 ]中引入CCER交易抵消机制,分析碳配额对风电光伏及碳减排的影响情况.文献[21 ]中提出考虑发电商以年清算和日出清为基础的多时间尺度碳-电耦合决策,以联合进行碳-电市场的均衡分析.文献[22 ]中提出一种基于碳价的需求响应,考虑电力市场和碳市场之间的套利利润,分析市场用户行为变化和减排效果.文献[23 ]中研究考虑碳排放的价格型需求响应机制及边云协同优化策略,提出考虑添加折扣因子下的电价机制,将固定碳成本转化为灵活碳成本,通过电价调节降低碳排放的目的.上述关于碳电耦合的研究大多集中于市场主体在考虑碳市场后的竞价策略分析,以及碳交易机制、碳配额和碳排放责任对市场出清的影响,并未分析新能源市场化后碳电耦合对推动新能源消纳和实现电力行业碳减排的影响;且关于碳电市场联合的交易模式研究较为缺乏,同一主体参与碳-电两个市场的模式研究更为鲜见,无法充分发挥市场完善资源配置的积极作用.因此,迫切需要构建现实高效的市场机制,以碳电交易协同推动电力行业低碳发展. ...
The economic impacts of introducing auction into carbon allowance allocation mechanism in the national carbon market: Simulation based on CGE model
1
2022
... 市场机制是资源优化配置的重要手段,随着碳市场研究日益广泛,部分研究将碳交易机制引入电力系统中进一步提高新能源的利用率,保证系统低碳经济运行.目前,在碳市场与电力市场的耦合研究方面,文献[14 ]中剖析了碳市场、电力市场与绿证市场之间的关联关系与交互影响机理,提出相应的衔接机制.文献[15 ]中利用系统动力学模型,在碳市场与绿证市场交易基础上,分析内部因素与外部环境间的相互作用机制.文献[16 ]中在考虑国家核证自愿减排量(Chinese certified emission reduction, CCER)的碳-电耦合市场基础上,建立水火电协同竞价模型.文献[17 ]中采用一般均衡模型来模拟分析碳交易市场对电力行业的影响.文献[18 ]中分析碳市场机制引起的成本节约效应以及其对电力市场的互动效应,提出考虑碳排放价格的电能成本模型.文献[19 ]中研究美国区域温室气体减排行动的运行情况以及区域内电力市场与碳市场的耦合机制.文献[20 ]中引入CCER交易抵消机制,分析碳配额对风电光伏及碳减排的影响情况.文献[21 ]中提出考虑发电商以年清算和日出清为基础的多时间尺度碳-电耦合决策,以联合进行碳-电市场的均衡分析.文献[22 ]中提出一种基于碳价的需求响应,考虑电力市场和碳市场之间的套利利润,分析市场用户行为变化和减排效果.文献[23 ]中研究考虑碳排放的价格型需求响应机制及边云协同优化策略,提出考虑添加折扣因子下的电价机制,将固定碳成本转化为灵活碳成本,通过电价调节降低碳排放的目的.上述关于碳电耦合的研究大多集中于市场主体在考虑碳市场后的竞价策略分析,以及碳交易机制、碳配额和碳排放责任对市场出清的影响,并未分析新能源市场化后碳电耦合对推动新能源消纳和实现电力行业碳减排的影响;且关于碳电市场联合的交易模式研究较为缺乏,同一主体参与碳-电两个市场的模式研究更为鲜见,无法充分发挥市场完善资源配置的积极作用.因此,迫切需要构建现实高效的市场机制,以碳电交易协同推动电力行业低碳发展. ...
碳市场和电力市场耦合研究
1
2019
... 市场机制是资源优化配置的重要手段,随着碳市场研究日益广泛,部分研究将碳交易机制引入电力系统中进一步提高新能源的利用率,保证系统低碳经济运行.目前,在碳市场与电力市场的耦合研究方面,文献[14 ]中剖析了碳市场、电力市场与绿证市场之间的关联关系与交互影响机理,提出相应的衔接机制.文献[15 ]中利用系统动力学模型,在碳市场与绿证市场交易基础上,分析内部因素与外部环境间的相互作用机制.文献[16 ]中在考虑国家核证自愿减排量(Chinese certified emission reduction, CCER)的碳-电耦合市场基础上,建立水火电协同竞价模型.文献[17 ]中采用一般均衡模型来模拟分析碳交易市场对电力行业的影响.文献[18 ]中分析碳市场机制引起的成本节约效应以及其对电力市场的互动效应,提出考虑碳排放价格的电能成本模型.文献[19 ]中研究美国区域温室气体减排行动的运行情况以及区域内电力市场与碳市场的耦合机制.文献[20 ]中引入CCER交易抵消机制,分析碳配额对风电光伏及碳减排的影响情况.文献[21 ]中提出考虑发电商以年清算和日出清为基础的多时间尺度碳-电耦合决策,以联合进行碳-电市场的均衡分析.文献[22 ]中提出一种基于碳价的需求响应,考虑电力市场和碳市场之间的套利利润,分析市场用户行为变化和减排效果.文献[23 ]中研究考虑碳排放的价格型需求响应机制及边云协同优化策略,提出考虑添加折扣因子下的电价机制,将固定碳成本转化为灵活碳成本,通过电价调节降低碳排放的目的.上述关于碳电耦合的研究大多集中于市场主体在考虑碳市场后的竞价策略分析,以及碳交易机制、碳配额和碳排放责任对市场出清的影响,并未分析新能源市场化后碳电耦合对推动新能源消纳和实现电力行业碳减排的影响;且关于碳电市场联合的交易模式研究较为缺乏,同一主体参与碳-电两个市场的模式研究更为鲜见,无法充分发挥市场完善资源配置的积极作用.因此,迫切需要构建现实高效的市场机制,以碳电交易协同推动电力行业低碳发展. ...
The coupling study on carbon market and power market
1
2019
... 市场机制是资源优化配置的重要手段,随着碳市场研究日益广泛,部分研究将碳交易机制引入电力系统中进一步提高新能源的利用率,保证系统低碳经济运行.目前,在碳市场与电力市场的耦合研究方面,文献[14 ]中剖析了碳市场、电力市场与绿证市场之间的关联关系与交互影响机理,提出相应的衔接机制.文献[15 ]中利用系统动力学模型,在碳市场与绿证市场交易基础上,分析内部因素与外部环境间的相互作用机制.文献[16 ]中在考虑国家核证自愿减排量(Chinese certified emission reduction, CCER)的碳-电耦合市场基础上,建立水火电协同竞价模型.文献[17 ]中采用一般均衡模型来模拟分析碳交易市场对电力行业的影响.文献[18 ]中分析碳市场机制引起的成本节约效应以及其对电力市场的互动效应,提出考虑碳排放价格的电能成本模型.文献[19 ]中研究美国区域温室气体减排行动的运行情况以及区域内电力市场与碳市场的耦合机制.文献[20 ]中引入CCER交易抵消机制,分析碳配额对风电光伏及碳减排的影响情况.文献[21 ]中提出考虑发电商以年清算和日出清为基础的多时间尺度碳-电耦合决策,以联合进行碳-电市场的均衡分析.文献[22 ]中提出一种基于碳价的需求响应,考虑电力市场和碳市场之间的套利利润,分析市场用户行为变化和减排效果.文献[23 ]中研究考虑碳排放的价格型需求响应机制及边云协同优化策略,提出考虑添加折扣因子下的电价机制,将固定碳成本转化为灵活碳成本,通过电价调节降低碳排放的目的.上述关于碳电耦合的研究大多集中于市场主体在考虑碳市场后的竞价策略分析,以及碳交易机制、碳配额和碳排放责任对市场出清的影响,并未分析新能源市场化后碳电耦合对推动新能源消纳和实现电力行业碳减排的影响;且关于碳电市场联合的交易模式研究较为缺乏,同一主体参与碳-电两个市场的模式研究更为鲜见,无法充分发挥市场完善资源配置的积极作用.因此,迫切需要构建现实高效的市场机制,以碳电交易协同推动电力行业低碳发展. ...
美国碳市场与电力市场耦合机制研究: 以区域温室气体减排行动(RGGI)为例
1
2018
... 市场机制是资源优化配置的重要手段,随着碳市场研究日益广泛,部分研究将碳交易机制引入电力系统中进一步提高新能源的利用率,保证系统低碳经济运行.目前,在碳市场与电力市场的耦合研究方面,文献[14 ]中剖析了碳市场、电力市场与绿证市场之间的关联关系与交互影响机理,提出相应的衔接机制.文献[15 ]中利用系统动力学模型,在碳市场与绿证市场交易基础上,分析内部因素与外部环境间的相互作用机制.文献[16 ]中在考虑国家核证自愿减排量(Chinese certified emission reduction, CCER)的碳-电耦合市场基础上,建立水火电协同竞价模型.文献[17 ]中采用一般均衡模型来模拟分析碳交易市场对电力行业的影响.文献[18 ]中分析碳市场机制引起的成本节约效应以及其对电力市场的互动效应,提出考虑碳排放价格的电能成本模型.文献[19 ]中研究美国区域温室气体减排行动的运行情况以及区域内电力市场与碳市场的耦合机制.文献[20 ]中引入CCER交易抵消机制,分析碳配额对风电光伏及碳减排的影响情况.文献[21 ]中提出考虑发电商以年清算和日出清为基础的多时间尺度碳-电耦合决策,以联合进行碳-电市场的均衡分析.文献[22 ]中提出一种基于碳价的需求响应,考虑电力市场和碳市场之间的套利利润,分析市场用户行为变化和减排效果.文献[23 ]中研究考虑碳排放的价格型需求响应机制及边云协同优化策略,提出考虑添加折扣因子下的电价机制,将固定碳成本转化为灵活碳成本,通过电价调节降低碳排放的目的.上述关于碳电耦合的研究大多集中于市场主体在考虑碳市场后的竞价策略分析,以及碳交易机制、碳配额和碳排放责任对市场出清的影响,并未分析新能源市场化后碳电耦合对推动新能源消纳和实现电力行业碳减排的影响;且关于碳电市场联合的交易模式研究较为缺乏,同一主体参与碳-电两个市场的模式研究更为鲜见,无法充分发挥市场完善资源配置的积极作用.因此,迫切需要构建现实高效的市场机制,以碳电交易协同推动电力行业低碳发展. ...
Coupling mechanism of U.S. carbon market and electricity market: A case study of regional greenhouse gas initiative
1
2018
... 市场机制是资源优化配置的重要手段,随着碳市场研究日益广泛,部分研究将碳交易机制引入电力系统中进一步提高新能源的利用率,保证系统低碳经济运行.目前,在碳市场与电力市场的耦合研究方面,文献[14 ]中剖析了碳市场、电力市场与绿证市场之间的关联关系与交互影响机理,提出相应的衔接机制.文献[15 ]中利用系统动力学模型,在碳市场与绿证市场交易基础上,分析内部因素与外部环境间的相互作用机制.文献[16 ]中在考虑国家核证自愿减排量(Chinese certified emission reduction, CCER)的碳-电耦合市场基础上,建立水火电协同竞价模型.文献[17 ]中采用一般均衡模型来模拟分析碳交易市场对电力行业的影响.文献[18 ]中分析碳市场机制引起的成本节约效应以及其对电力市场的互动效应,提出考虑碳排放价格的电能成本模型.文献[19 ]中研究美国区域温室气体减排行动的运行情况以及区域内电力市场与碳市场的耦合机制.文献[20 ]中引入CCER交易抵消机制,分析碳配额对风电光伏及碳减排的影响情况.文献[21 ]中提出考虑发电商以年清算和日出清为基础的多时间尺度碳-电耦合决策,以联合进行碳-电市场的均衡分析.文献[22 ]中提出一种基于碳价的需求响应,考虑电力市场和碳市场之间的套利利润,分析市场用户行为变化和减排效果.文献[23 ]中研究考虑碳排放的价格型需求响应机制及边云协同优化策略,提出考虑添加折扣因子下的电价机制,将固定碳成本转化为灵活碳成本,通过电价调节降低碳排放的目的.上述关于碳电耦合的研究大多集中于市场主体在考虑碳市场后的竞价策略分析,以及碳交易机制、碳配额和碳排放责任对市场出清的影响,并未分析新能源市场化后碳电耦合对推动新能源消纳和实现电力行业碳减排的影响;且关于碳电市场联合的交易模式研究较为缺乏,同一主体参与碳-电两个市场的模式研究更为鲜见,无法充分发挥市场完善资源配置的积极作用.因此,迫切需要构建现实高效的市场机制,以碳电交易协同推动电力行业低碳发展. ...
全国碳市场引入CCER交易及抵销机制的经济影响研究
1
2022
... 市场机制是资源优化配置的重要手段,随着碳市场研究日益广泛,部分研究将碳交易机制引入电力系统中进一步提高新能源的利用率,保证系统低碳经济运行.目前,在碳市场与电力市场的耦合研究方面,文献[14 ]中剖析了碳市场、电力市场与绿证市场之间的关联关系与交互影响机理,提出相应的衔接机制.文献[15 ]中利用系统动力学模型,在碳市场与绿证市场交易基础上,分析内部因素与外部环境间的相互作用机制.文献[16 ]中在考虑国家核证自愿减排量(Chinese certified emission reduction, CCER)的碳-电耦合市场基础上,建立水火电协同竞价模型.文献[17 ]中采用一般均衡模型来模拟分析碳交易市场对电力行业的影响.文献[18 ]中分析碳市场机制引起的成本节约效应以及其对电力市场的互动效应,提出考虑碳排放价格的电能成本模型.文献[19 ]中研究美国区域温室气体减排行动的运行情况以及区域内电力市场与碳市场的耦合机制.文献[20 ]中引入CCER交易抵消机制,分析碳配额对风电光伏及碳减排的影响情况.文献[21 ]中提出考虑发电商以年清算和日出清为基础的多时间尺度碳-电耦合决策,以联合进行碳-电市场的均衡分析.文献[22 ]中提出一种基于碳价的需求响应,考虑电力市场和碳市场之间的套利利润,分析市场用户行为变化和减排效果.文献[23 ]中研究考虑碳排放的价格型需求响应机制及边云协同优化策略,提出考虑添加折扣因子下的电价机制,将固定碳成本转化为灵活碳成本,通过电价调节降低碳排放的目的.上述关于碳电耦合的研究大多集中于市场主体在考虑碳市场后的竞价策略分析,以及碳交易机制、碳配额和碳排放责任对市场出清的影响,并未分析新能源市场化后碳电耦合对推动新能源消纳和实现电力行业碳减排的影响;且关于碳电市场联合的交易模式研究较为缺乏,同一主体参与碳-电两个市场的模式研究更为鲜见,无法充分发挥市场完善资源配置的积极作用.因此,迫切需要构建现实高效的市场机制,以碳电交易协同推动电力行业低碳发展. ...
The economic impacts of introducing CCER trading and offset mechanism into the national carbon market of China
1
2022
... 市场机制是资源优化配置的重要手段,随着碳市场研究日益广泛,部分研究将碳交易机制引入电力系统中进一步提高新能源的利用率,保证系统低碳经济运行.目前,在碳市场与电力市场的耦合研究方面,文献[14 ]中剖析了碳市场、电力市场与绿证市场之间的关联关系与交互影响机理,提出相应的衔接机制.文献[15 ]中利用系统动力学模型,在碳市场与绿证市场交易基础上,分析内部因素与外部环境间的相互作用机制.文献[16 ]中在考虑国家核证自愿减排量(Chinese certified emission reduction, CCER)的碳-电耦合市场基础上,建立水火电协同竞价模型.文献[17 ]中采用一般均衡模型来模拟分析碳交易市场对电力行业的影响.文献[18 ]中分析碳市场机制引起的成本节约效应以及其对电力市场的互动效应,提出考虑碳排放价格的电能成本模型.文献[19 ]中研究美国区域温室气体减排行动的运行情况以及区域内电力市场与碳市场的耦合机制.文献[20 ]中引入CCER交易抵消机制,分析碳配额对风电光伏及碳减排的影响情况.文献[21 ]中提出考虑发电商以年清算和日出清为基础的多时间尺度碳-电耦合决策,以联合进行碳-电市场的均衡分析.文献[22 ]中提出一种基于碳价的需求响应,考虑电力市场和碳市场之间的套利利润,分析市场用户行为变化和减排效果.文献[23 ]中研究考虑碳排放的价格型需求响应机制及边云协同优化策略,提出考虑添加折扣因子下的电价机制,将固定碳成本转化为灵活碳成本,通过电价调节降低碳排放的目的.上述关于碳电耦合的研究大多集中于市场主体在考虑碳市场后的竞价策略分析,以及碳交易机制、碳配额和碳排放责任对市场出清的影响,并未分析新能源市场化后碳电耦合对推动新能源消纳和实现电力行业碳减排的影响;且关于碳电市场联合的交易模式研究较为缺乏,同一主体参与碳-电两个市场的模式研究更为鲜见,无法充分发挥市场完善资源配置的积极作用.因此,迫切需要构建现实高效的市场机制,以碳电交易协同推动电力行业低碳发展. ...
考虑发电商多时间耦合决策的碳-电市场均衡分析
1
2023
... 市场机制是资源优化配置的重要手段,随着碳市场研究日益广泛,部分研究将碳交易机制引入电力系统中进一步提高新能源的利用率,保证系统低碳经济运行.目前,在碳市场与电力市场的耦合研究方面,文献[14 ]中剖析了碳市场、电力市场与绿证市场之间的关联关系与交互影响机理,提出相应的衔接机制.文献[15 ]中利用系统动力学模型,在碳市场与绿证市场交易基础上,分析内部因素与外部环境间的相互作用机制.文献[16 ]中在考虑国家核证自愿减排量(Chinese certified emission reduction, CCER)的碳-电耦合市场基础上,建立水火电协同竞价模型.文献[17 ]中采用一般均衡模型来模拟分析碳交易市场对电力行业的影响.文献[18 ]中分析碳市场机制引起的成本节约效应以及其对电力市场的互动效应,提出考虑碳排放价格的电能成本模型.文献[19 ]中研究美国区域温室气体减排行动的运行情况以及区域内电力市场与碳市场的耦合机制.文献[20 ]中引入CCER交易抵消机制,分析碳配额对风电光伏及碳减排的影响情况.文献[21 ]中提出考虑发电商以年清算和日出清为基础的多时间尺度碳-电耦合决策,以联合进行碳-电市场的均衡分析.文献[22 ]中提出一种基于碳价的需求响应,考虑电力市场和碳市场之间的套利利润,分析市场用户行为变化和减排效果.文献[23 ]中研究考虑碳排放的价格型需求响应机制及边云协同优化策略,提出考虑添加折扣因子下的电价机制,将固定碳成本转化为灵活碳成本,通过电价调节降低碳排放的目的.上述关于碳电耦合的研究大多集中于市场主体在考虑碳市场后的竞价策略分析,以及碳交易机制、碳配额和碳排放责任对市场出清的影响,并未分析新能源市场化后碳电耦合对推动新能源消纳和实现电力行业碳减排的影响;且关于碳电市场联合的交易模式研究较为缺乏,同一主体参与碳-电两个市场的模式研究更为鲜见,无法充分发挥市场完善资源配置的积极作用.因此,迫切需要构建现实高效的市场机制,以碳电交易协同推动电力行业低碳发展. ...
Carbon-electricity market equilibrium analysis considering multi-time coupling decision of power producers
1
2023
... 市场机制是资源优化配置的重要手段,随着碳市场研究日益广泛,部分研究将碳交易机制引入电力系统中进一步提高新能源的利用率,保证系统低碳经济运行.目前,在碳市场与电力市场的耦合研究方面,文献[14 ]中剖析了碳市场、电力市场与绿证市场之间的关联关系与交互影响机理,提出相应的衔接机制.文献[15 ]中利用系统动力学模型,在碳市场与绿证市场交易基础上,分析内部因素与外部环境间的相互作用机制.文献[16 ]中在考虑国家核证自愿减排量(Chinese certified emission reduction, CCER)的碳-电耦合市场基础上,建立水火电协同竞价模型.文献[17 ]中采用一般均衡模型来模拟分析碳交易市场对电力行业的影响.文献[18 ]中分析碳市场机制引起的成本节约效应以及其对电力市场的互动效应,提出考虑碳排放价格的电能成本模型.文献[19 ]中研究美国区域温室气体减排行动的运行情况以及区域内电力市场与碳市场的耦合机制.文献[20 ]中引入CCER交易抵消机制,分析碳配额对风电光伏及碳减排的影响情况.文献[21 ]中提出考虑发电商以年清算和日出清为基础的多时间尺度碳-电耦合决策,以联合进行碳-电市场的均衡分析.文献[22 ]中提出一种基于碳价的需求响应,考虑电力市场和碳市场之间的套利利润,分析市场用户行为变化和减排效果.文献[23 ]中研究考虑碳排放的价格型需求响应机制及边云协同优化策略,提出考虑添加折扣因子下的电价机制,将固定碳成本转化为灵活碳成本,通过电价调节降低碳排放的目的.上述关于碳电耦合的研究大多集中于市场主体在考虑碳市场后的竞价策略分析,以及碳交易机制、碳配额和碳排放责任对市场出清的影响,并未分析新能源市场化后碳电耦合对推动新能源消纳和实现电力行业碳减排的影响;且关于碳电市场联合的交易模式研究较为缺乏,同一主体参与碳-电两个市场的模式研究更为鲜见,无法充分发挥市场完善资源配置的积极作用.因此,迫切需要构建现实高效的市场机制,以碳电交易协同推动电力行业低碳发展. ...
碳排放交易市场机制对电力市场的影响:基于碳价需求响应的电力市场用户行为分析
1
2022
... 市场机制是资源优化配置的重要手段,随着碳市场研究日益广泛,部分研究将碳交易机制引入电力系统中进一步提高新能源的利用率,保证系统低碳经济运行.目前,在碳市场与电力市场的耦合研究方面,文献[14 ]中剖析了碳市场、电力市场与绿证市场之间的关联关系与交互影响机理,提出相应的衔接机制.文献[15 ]中利用系统动力学模型,在碳市场与绿证市场交易基础上,分析内部因素与外部环境间的相互作用机制.文献[16 ]中在考虑国家核证自愿减排量(Chinese certified emission reduction, CCER)的碳-电耦合市场基础上,建立水火电协同竞价模型.文献[17 ]中采用一般均衡模型来模拟分析碳交易市场对电力行业的影响.文献[18 ]中分析碳市场机制引起的成本节约效应以及其对电力市场的互动效应,提出考虑碳排放价格的电能成本模型.文献[19 ]中研究美国区域温室气体减排行动的运行情况以及区域内电力市场与碳市场的耦合机制.文献[20 ]中引入CCER交易抵消机制,分析碳配额对风电光伏及碳减排的影响情况.文献[21 ]中提出考虑发电商以年清算和日出清为基础的多时间尺度碳-电耦合决策,以联合进行碳-电市场的均衡分析.文献[22 ]中提出一种基于碳价的需求响应,考虑电力市场和碳市场之间的套利利润,分析市场用户行为变化和减排效果.文献[23 ]中研究考虑碳排放的价格型需求响应机制及边云协同优化策略,提出考虑添加折扣因子下的电价机制,将固定碳成本转化为灵活碳成本,通过电价调节降低碳排放的目的.上述关于碳电耦合的研究大多集中于市场主体在考虑碳市场后的竞价策略分析,以及碳交易机制、碳配额和碳排放责任对市场出清的影响,并未分析新能源市场化后碳电耦合对推动新能源消纳和实现电力行业碳减排的影响;且关于碳电市场联合的交易模式研究较为缺乏,同一主体参与碳-电两个市场的模式研究更为鲜见,无法充分发挥市场完善资源配置的积极作用.因此,迫切需要构建现实高效的市场机制,以碳电交易协同推动电力行业低碳发展. ...
Impacts of ETS mechanism on electricity market: Behavior analysis of market customers based on carbon-oriented demand response
1
2022
... 市场机制是资源优化配置的重要手段,随着碳市场研究日益广泛,部分研究将碳交易机制引入电力系统中进一步提高新能源的利用率,保证系统低碳经济运行.目前,在碳市场与电力市场的耦合研究方面,文献[14 ]中剖析了碳市场、电力市场与绿证市场之间的关联关系与交互影响机理,提出相应的衔接机制.文献[15 ]中利用系统动力学模型,在碳市场与绿证市场交易基础上,分析内部因素与外部环境间的相互作用机制.文献[16 ]中在考虑国家核证自愿减排量(Chinese certified emission reduction, CCER)的碳-电耦合市场基础上,建立水火电协同竞价模型.文献[17 ]中采用一般均衡模型来模拟分析碳交易市场对电力行业的影响.文献[18 ]中分析碳市场机制引起的成本节约效应以及其对电力市场的互动效应,提出考虑碳排放价格的电能成本模型.文献[19 ]中研究美国区域温室气体减排行动的运行情况以及区域内电力市场与碳市场的耦合机制.文献[20 ]中引入CCER交易抵消机制,分析碳配额对风电光伏及碳减排的影响情况.文献[21 ]中提出考虑发电商以年清算和日出清为基础的多时间尺度碳-电耦合决策,以联合进行碳-电市场的均衡分析.文献[22 ]中提出一种基于碳价的需求响应,考虑电力市场和碳市场之间的套利利润,分析市场用户行为变化和减排效果.文献[23 ]中研究考虑碳排放的价格型需求响应机制及边云协同优化策略,提出考虑添加折扣因子下的电价机制,将固定碳成本转化为灵活碳成本,通过电价调节降低碳排放的目的.上述关于碳电耦合的研究大多集中于市场主体在考虑碳市场后的竞价策略分析,以及碳交易机制、碳配额和碳排放责任对市场出清的影响,并未分析新能源市场化后碳电耦合对推动新能源消纳和实现电力行业碳减排的影响;且关于碳电市场联合的交易模式研究较为缺乏,同一主体参与碳-电两个市场的模式研究更为鲜见,无法充分发挥市场完善资源配置的积极作用.因此,迫切需要构建现实高效的市场机制,以碳电交易协同推动电力行业低碳发展. ...
计及实时碳减排的产消群价格型需求响应机制
1
2023
... 市场机制是资源优化配置的重要手段,随着碳市场研究日益广泛,部分研究将碳交易机制引入电力系统中进一步提高新能源的利用率,保证系统低碳经济运行.目前,在碳市场与电力市场的耦合研究方面,文献[14 ]中剖析了碳市场、电力市场与绿证市场之间的关联关系与交互影响机理,提出相应的衔接机制.文献[15 ]中利用系统动力学模型,在碳市场与绿证市场交易基础上,分析内部因素与外部环境间的相互作用机制.文献[16 ]中在考虑国家核证自愿减排量(Chinese certified emission reduction, CCER)的碳-电耦合市场基础上,建立水火电协同竞价模型.文献[17 ]中采用一般均衡模型来模拟分析碳交易市场对电力行业的影响.文献[18 ]中分析碳市场机制引起的成本节约效应以及其对电力市场的互动效应,提出考虑碳排放价格的电能成本模型.文献[19 ]中研究美国区域温室气体减排行动的运行情况以及区域内电力市场与碳市场的耦合机制.文献[20 ]中引入CCER交易抵消机制,分析碳配额对风电光伏及碳减排的影响情况.文献[21 ]中提出考虑发电商以年清算和日出清为基础的多时间尺度碳-电耦合决策,以联合进行碳-电市场的均衡分析.文献[22 ]中提出一种基于碳价的需求响应,考虑电力市场和碳市场之间的套利利润,分析市场用户行为变化和减排效果.文献[23 ]中研究考虑碳排放的价格型需求响应机制及边云协同优化策略,提出考虑添加折扣因子下的电价机制,将固定碳成本转化为灵活碳成本,通过电价调节降低碳排放的目的.上述关于碳电耦合的研究大多集中于市场主体在考虑碳市场后的竞价策略分析,以及碳交易机制、碳配额和碳排放责任对市场出清的影响,并未分析新能源市场化后碳电耦合对推动新能源消纳和实现电力行业碳减排的影响;且关于碳电市场联合的交易模式研究较为缺乏,同一主体参与碳-电两个市场的模式研究更为鲜见,无法充分发挥市场完善资源配置的积极作用.因此,迫切需要构建现实高效的市场机制,以碳电交易协同推动电力行业低碳发展. ...
Price-based demand response mechanism of prosumer groups considering real-time carbon emission reduction
1
2023
... 市场机制是资源优化配置的重要手段,随着碳市场研究日益广泛,部分研究将碳交易机制引入电力系统中进一步提高新能源的利用率,保证系统低碳经济运行.目前,在碳市场与电力市场的耦合研究方面,文献[14 ]中剖析了碳市场、电力市场与绿证市场之间的关联关系与交互影响机理,提出相应的衔接机制.文献[15 ]中利用系统动力学模型,在碳市场与绿证市场交易基础上,分析内部因素与外部环境间的相互作用机制.文献[16 ]中在考虑国家核证自愿减排量(Chinese certified emission reduction, CCER)的碳-电耦合市场基础上,建立水火电协同竞价模型.文献[17 ]中采用一般均衡模型来模拟分析碳交易市场对电力行业的影响.文献[18 ]中分析碳市场机制引起的成本节约效应以及其对电力市场的互动效应,提出考虑碳排放价格的电能成本模型.文献[19 ]中研究美国区域温室气体减排行动的运行情况以及区域内电力市场与碳市场的耦合机制.文献[20 ]中引入CCER交易抵消机制,分析碳配额对风电光伏及碳减排的影响情况.文献[21 ]中提出考虑发电商以年清算和日出清为基础的多时间尺度碳-电耦合决策,以联合进行碳-电市场的均衡分析.文献[22 ]中提出一种基于碳价的需求响应,考虑电力市场和碳市场之间的套利利润,分析市场用户行为变化和减排效果.文献[23 ]中研究考虑碳排放的价格型需求响应机制及边云协同优化策略,提出考虑添加折扣因子下的电价机制,将固定碳成本转化为灵活碳成本,通过电价调节降低碳排放的目的.上述关于碳电耦合的研究大多集中于市场主体在考虑碳市场后的竞价策略分析,以及碳交易机制、碳配额和碳排放责任对市场出清的影响,并未分析新能源市场化后碳电耦合对推动新能源消纳和实现电力行业碳减排的影响;且关于碳电市场联合的交易模式研究较为缺乏,同一主体参与碳-电两个市场的模式研究更为鲜见,无法充分发挥市场完善资源配置的积极作用.因此,迫切需要构建现实高效的市场机制,以碳电交易协同推动电力行业低碳发展. ...
配额分配方式对不同区域碳交易市场运行效率影响研究
1
2018
... 在考虑碳排放权交易之前,首先需要确定电力行业内的碳配额情况.目前执行的行业内碳排放初始配额根据历史法或基准线法确定[24 ] .前者指企业根据碳排放历史数据及年度下降系数分配得到固定数量的碳配额;后者选取该类型企业的碳排放量均值作为该类企业的初始配额基准.以上两种方法不能区分不同排放量的火电机组,因此也不能激励火电机组主动进行减排改造.提出一种碳排额分配多准则指标计算方法,不仅考虑历史碳排放量,还包括火电机组自身的能源消耗强度、碳排放强度以及发电量占比. ...
Study on effect to operational efficiency of carbon trading market in different regions by quota allocation mode
1
2018
... 在考虑碳排放权交易之前,首先需要确定电力行业内的碳配额情况.目前执行的行业内碳排放初始配额根据历史法或基准线法确定[24 ] .前者指企业根据碳排放历史数据及年度下降系数分配得到固定数量的碳配额;后者选取该类型企业的碳排放量均值作为该类企业的初始配额基准.以上两种方法不能区分不同排放量的火电机组,因此也不能激励火电机组主动进行减排改造.提出一种碳排额分配多准则指标计算方法,不仅考虑历史碳排放量,还包括火电机组自身的能源消耗强度、碳排放强度以及发电量占比. ...
基于投入产出规模的省际碳排放配额分配研究
1
2023
... 零和博弈-数据包络分析(zero sum gains-data envelopment analysis, ZSG-DEA)模型常用于解决资源分配问题,该方法假设资源总量固定,一个决策单元的投入资源增加将导致其他决策单元的投入资源减少.目前大多数研究将CO2 排放量作为投入,并只考虑经济指标通过最大化期望产出与投入之比,来确定各决策单元的碳配额分配[25 ] .本文将碳配额作为投入,能源消耗强度、碳排放强度及发电量占比视作产出,根据以上指标体现机组特性,实现不同类型火电机组初始碳配额的最优分配.表示为 ...
Research on inter-provincial carbon emission allowance allocation based on input-output scale
1
2023
... 零和博弈-数据包络分析(zero sum gains-data envelopment analysis, ZSG-DEA)模型常用于解决资源分配问题,该方法假设资源总量固定,一个决策单元的投入资源增加将导致其他决策单元的投入资源减少.目前大多数研究将CO2 排放量作为投入,并只考虑经济指标通过最大化期望产出与投入之比,来确定各决策单元的碳配额分配[25 ] .本文将碳配额作为投入,能源消耗强度、碳排放强度及发电量占比视作产出,根据以上指标体现机组特性,实现不同类型火电机组初始碳配额的最优分配.表示为 ...
可交易减排价值权证比较分析和衔接机制研究
1
2023
... 在碳交易阶段,市场参与主体为常规火电和负荷用户.由于绿电可完全覆盖CCER的环境价值,所以假设负荷消纳的新能源电力可部分抵免其碳排放量从而将绿色电力纳入碳市场[26 ] .采用潮流追踪理论[27 ] 确定各负荷消纳的电能来源,厘清符合CCER的最终归属.根据CCER的碳抵消政策,确定各负荷主体在碳市场上的可交易碳量,结合申报阶段各市场主体提交的碳额度及报价报量信息开启碳交易市场. ...
On tradeable certificates of emissions reduction and their interactions
1
2023
... 在碳交易阶段,市场参与主体为常规火电和负荷用户.由于绿电可完全覆盖CCER的环境价值,所以假设负荷消纳的新能源电力可部分抵免其碳排放量从而将绿色电力纳入碳市场[26 ] .采用潮流追踪理论[27 ] 确定各负荷消纳的电能来源,厘清符合CCER的最终归属.根据CCER的碳抵消政策,确定各负荷主体在碳市场上的可交易碳量,结合申报阶段各市场主体提交的碳额度及报价报量信息开启碳交易市场. ...
基于潮流转移和追踪的含风电电力系统运行风险评估
1
2021
... 在碳交易阶段,市场参与主体为常规火电和负荷用户.由于绿电可完全覆盖CCER的环境价值,所以假设负荷消纳的新能源电力可部分抵免其碳排放量从而将绿色电力纳入碳市场[26 ] .采用潮流追踪理论[27 ] 确定各负荷消纳的电能来源,厘清符合CCER的最终归属.根据CCER的碳抵消政策,确定各负荷主体在碳市场上的可交易碳量,结合申报阶段各市场主体提交的碳额度及报价报量信息开启碳交易市场. ...
Assessment of operation risk for power system containing wind power based on power flow transferring and tracing
1
2021
... 在碳交易阶段,市场参与主体为常规火电和负荷用户.由于绿电可完全覆盖CCER的环境价值,所以假设负荷消纳的新能源电力可部分抵免其碳排放量从而将绿色电力纳入碳市场[26 ] .采用潮流追踪理论[27 ] 确定各负荷消纳的电能来源,厘清符合CCER的最终归属.根据CCER的碳抵消政策,确定各负荷主体在碳市场上的可交易碳量,结合申报阶段各市场主体提交的碳额度及报价报量信息开启碳交易市场. ...